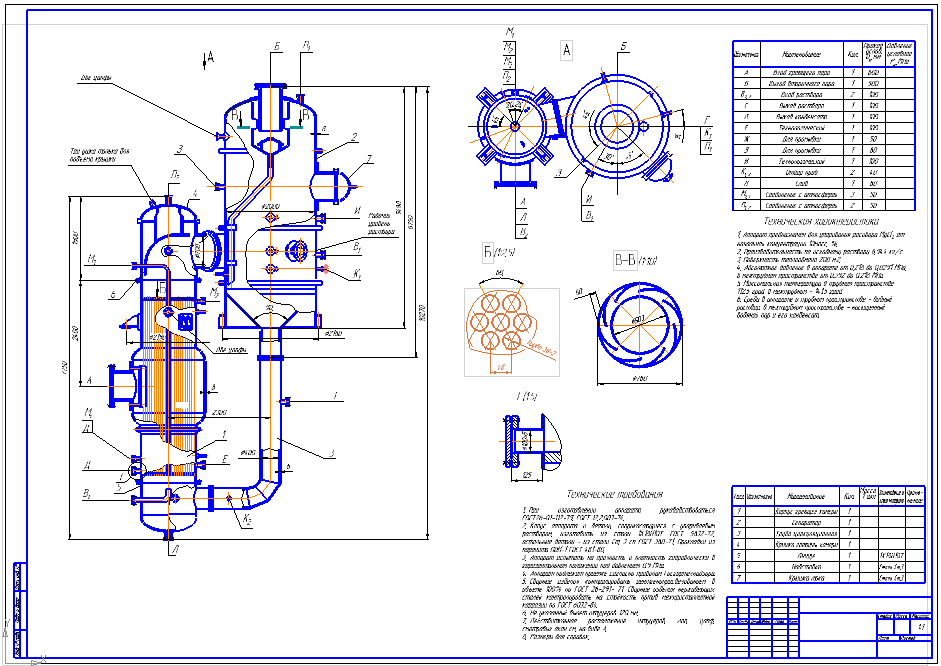
Техническая характеристика
1. Аппарат предназначен для упаривания раствора мясо- костного
бульона от начальной концентрации 8 масс.%
2. Объем (номинальный) аппарата 9. 57 м3 , межтрубного
пространства 1 м3.
3. Производительность по выпаренной влаге 0. 055 кг/ с.
4. Поверхность теплообмена 16 М2
5. Среда в аппарате и в трубном пространстве - мясо- костный
бульон, в межтрубном пространстве- насыщенный водяной пар и его
конденсат.
Технические требования
1. При изготовлении аппарата руководствоваться ОСт- 26- 01- 112- 79,
ГОСТ 12. 2. 003- 74
2. Корпус аппарата и детали, соприкасающиеся с упаренным
раствором , изготовить из стали 1Х18Н10Т ГОСТ5832- 72, остальные
детали из стали Ст 3сп. ГОСт 380- 71
3. Аппарат испытать на прочность и плотность гидравлически в
горизонтальном положении под давлением 0. 9 МПа.
4. Аппарат подлежит приемке согласно правилам Гостехнадзора.
5. Сварные соединения контролировать ренгеносвечением в объеме
100% по ОСТ26- 291- 71. Сварные соединения нержавеющей стали
контролировать на стойкость против межкристаллитной корозии
по ГОСт 6032- 84.
Не указанный вылет штуцеров 120 мм.
Действительное расположение штуцеров , лап, цапф, смотровых окон
см. на виде А.
8. размеры для справок.
- Главная -
- Чертежи -
- Промышленность -
- Химическая промышленность (ПАХТ и ПАПП) -
- Выпарной аппарат для упаривания раствора мясо- костного бульона
Выпарной аппарат для упаривания раствора мясо- костного бульона
0
299
4187
3
0
50

Сообщить о проблеме
Автор
Дата
13.03.2011
Язык
Русский
Состав
Вид общий (ВО)
Софт
КОМПАС-3D, CDW
Как открыть?
Отзывов пока нет
Содержимое архива
Чтобы скачать чертеж, 3D модель или проект, Вы должны зарегистрироваться
и принять участие в жизни сайта. Посмотрите, как тут скачивать
файлы
Отзывов пока нет
Чтобы задать вопрос, необходимо войти
Войти с помощью:
Ссылка на логин через google
Ссылка на логин через vk
Ссылка на логин через yandex