Данный раздел каталога посвящен отдельным узлам и деталям станков, которые не вошли в другие разделы. Узлы и детали представлены в виде чертежей и 3D моделей таких как: лазерная головка, шпиндель для токарного станка, гайка маточная для станка, кабелеукладчик, винт поперечной подачи токарно-винторезного вида, стол к сверлильному станку, опора клиновая и др. Базовые детали создаются с целью формирования габаритной компоновки. Направляющие помогают создать корректную линию движения, связаны с осно...
Данный раздел каталога посвящен отдельным узлам и деталям станков, которые не вошли в другие разделы. Узлы и детали представлены в виде чертежей и 3D моделей таких как: лазерная головка, шпиндель для токарного станка, гайка маточная для станка, кабелеукладчик, винт поперечной подачи токарно-винторезного вида, стол к сверлильному станку, опора клиновая и др.
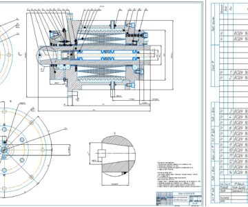
Базовые детали создаются с целью формирования габаритной компоновки. Направляющие помогают создать корректную линию движения, связаны с основными деталями. Основополагающие функции, которые выполняют направляющие и детали – точность производства, жесткость, которая определяется различными деформациями, возможность уменьшать колебания между металлическими заготовками, долговечность. Детали станков должны обеспечивать необходимую степень унификации, точность и надежность.
Тут представлены чертежи базовых деталей, схемы рабочих столов, подвижных и не подвижных, шагового двигателя, профильных направляющих, много трехмерных моделей. На сайте легко выбрать любую подходящую схему или компоновку для станка. Например, фрезерный станок с ЧПУ состоит из следующих ключевых компонентов:
станина — основа станка, на которой размещаются остальные элементы;
рабочий стол — поверхность для закрепления заготовки;
портал — подвижная конструкция, перемещающая рабочий стол по трём осям координат;
шпиндель — вращающийся вал с закреплённой фрезой;
шаговые или сервомоторы — двигатели, управляющие движением портала и рабочего стола;
система числового программного управления (ЧПУ) — компьютер, контролирующий работу станка.
С помощью стандартных и основных узлов, отвечающих за перемещение режущего инструмента и детали, вы можете самостоятельно спроектировать станок. Расположение оси шпиндельного узла относительно стола определяет общую компоновку станка. Основные узлы включают станину, подвижный стол, шпиндельную бабку и их приводы. Вспомогательные узлы включают устройства для базирования, установки и фиксации режущего инструмента и заготовки, а также механизмы для их периодической замены. При проектировании можно использовать ОСТ 2Н62-1-78 и другие стандарты, определяющие основные типы компоновок станков, их группы и параметры. Также предусмотрена возможность модификации основных типов на основе модульного принципа проектирования и сборки.