Перейти к содержимому
Войти

Уважаемые пользователи, временно отключили платежи через ЮКассу. Работает запасной канал. Если у кого-то потерялся платеж за 21.04 напишите в форму контактов.

Техническая оцифровка чертежей, схем, планов,

16 октября 2025
244
1
Пользователь: Алексей Отзывов 0

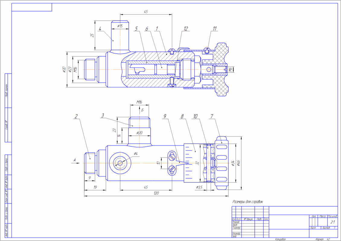
Выполню техническую оцифровку и восстановление чертежей, схем и планов по фото, сканам, иллюстрациям и перевод их в цифровой формат (по согласованию с Вами).
Для выполнения необходимы исходники в виде старых чертежей/схем/планов или их фото/сканов, иллюстраций из литературы.


Сообщить о проблеме
Чтобы написать пользователю, Вам нужно войти или зарегистрироваться
Войти с помощью:

Используя функцию входа через сторонние сервисы, Вы соглашаетесь на обработку персональных данных в соответствии с Политикой конфиденциальности