Перейти к содержимому
Войти

Уважаемые пользователи, временно отключили платежи через ЮКассу. Если у кого то потерялся платеж за 21.04 напишите в форму контактов.

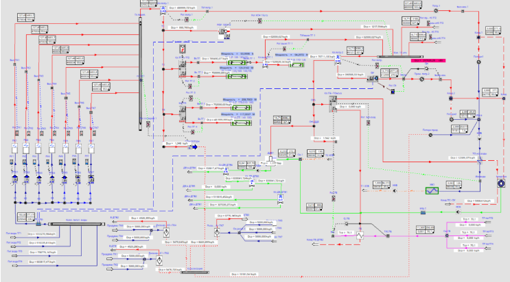
Тепловой расчет в программе Boiler Designer 23.9.11

29 января 2026
46
1
Пользователь: Николай Кубов Отзывов 0

Выполню в программе Boiler Designer 23.9.11 расчет
- парового, водогрейного, утилизатора, энерготехрологического котла
-тепловой схемы котельной
-тепловой схемы ТЭЦ

После завершения работ передам файлы исходники.


Сообщить о проблеме
Чтобы написать пользователю, Вам нужно войти или зарегистрироваться
Войти с помощью:

Используя функцию входа через сторонние сервисы, Вы соглашаетесь на обработку персональных данных в соответствии с Политикой конфиденциальности