Перейти к содержимому
Войти

Автоматизация контроля и регулирования температуры в термической печи

0
0
44
2
0
250

ЮУрГУ, ТТС, ВКР на тему: Автоматизация контроля и регулирования температуры в термической печи
, 2022

В выпускной квалификационной работе предложена автоматизация термической печи прокатного производства за счёт создания системы регулирования температуры на основе датчика температуры и логического контроллера.
Целью работы является автоматизировать колпаковую печь с помощью современной элементной базы и, соответственно, улучшить технико-экономические показатели технологического процесса.
В ходе выполнения выпускной квалификационной работы были разработаны: функциональная схема автоматизации, цепи управления колпаковой печью, входные и выходные цепи контроллера, SCADA система, выбраны датчики температуры, цифровые преобразователи сигнала, модули расширения.

ВВЕДЕНИЕ………………………………………………………………..
1 СРАВНЕНИЕ ОТЕЧЕСТВЕННЫХ И ПЕРЕДОВЫХ ЗАРУБЕЖНЫХ ТЕХНОЛОГИЙ И РЕШЕНИЙ………………………..
1.1 Электрическая печь колпакового типа для отжига рулонов холоднокатаного металла………………………………………………...
1.2 Колпаковые печи с водородной защитной атмосферой…………….
1.3 Основные направления совершенствования термообработки в колпаковых печах……………………………………………………….
Выводы по разделу один………………………………………………….
2 ТЕХНОЛОГИЧЕСКИЙ РАЗДЕЛ …………….……………………..…
2.1Обработка листового металла…………………………………………
2.1.2 Режим термической обработки листов и полос в рулонах……….
2.2 Техническая характеристика колпаковой электропечи………….…
Выводы по разделу два…………………………………………………...
3 КОНСТРУКТОРСКИЙ РАЗДЕЛ……………………………………..
3.1 Автоматизация процесса регулирования ……………….………….
3.2 Выбор параметров контроля .……………………………………….
3.3 Разработка структурной схемы АСУ ТП………………………….
3.4 Разработка функциональной схемы колпаковой печи…………….
3.5 Разработка полевого уровня………………………………………..
3.5.1 Выбор датчика температуры……………………………………..
3.5.2 Преобразователь интерфейса……………………………………..
3.5.3 Выбор датчика давления………………………………………….
3.5.4 Выбор ротаметра…………………………………………………..
3. 3.6Разработка принципиальной электрической схемы …..…………..
3.6.1Выбор блока питания……………………………………………..
3.6.2Выбор электрошкафа ………………………………………………
3.7 Разработка системы управления комплексом…………………….
3.7.1 Разработка блока управления……………………………………….
3.7.2 Разработка информационного блока…………………………….
3.8 Программирование контролера……….…………..………………
3.8.1 Общие данные для программирования контроллера……………
3.8.2 Составление программы на языке FBD………………………….
3.9 Разработка системы диспетчеризации …………………………..….
3.9.1 Система SCADA…… ……………………………………………..
3.9.2 Программное обеспечение WinCC……………………………….
3.9.3 Разработка системы диспетчеризации …..……………………….
Выводы по разделу три…………………..……………………………..
4 ЭКОНОМИЧЕСКИЙ РАЗДЕЛ……………………………………….
4.1 Анализ экономического эффекта от внедрения проекта………….
4.2 Определение текущих и капитальных затрат………………………
4.2.1 Определение текущих затрат по базовому и проектируемому варианту…….......……………………………………………………….
4.2.2 Капитальные вложения, направленные на внедрение проекта…
Выводы по разделу четыре………………………………………………
5 БЕЗОПАСНОСТЬ ЖИЗНЕДЕЯТЕЛЬНОСТИ……………………….
5.1 Организация рабочего места оператора……………………………
5.2 Расчет общего освещения…………………………………………….
5.3 Активно химически отравляющие вещества и защита от них…….
Выводы по разделу пять..………………………………………………..
ЗАКЛЮЧЕНИЕ…………………………………………………………………
БИБЛИОГРАФИЧЕСКИЙ СПИСОК…………………………………………83

На некоторых листах граф. части положены растровые изображения


Сообщить о проблеме
Дата
11.04.2026
Язык
Русский
Состав
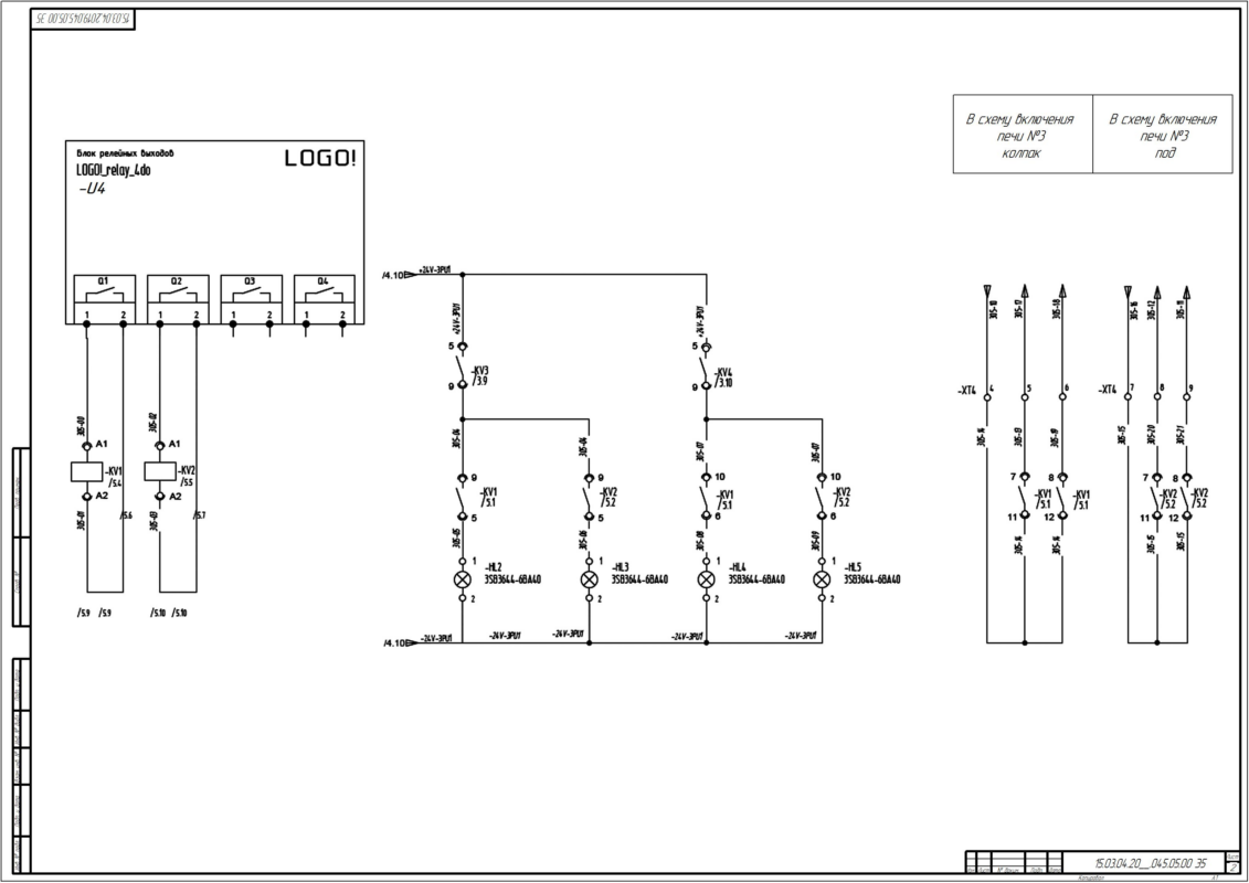
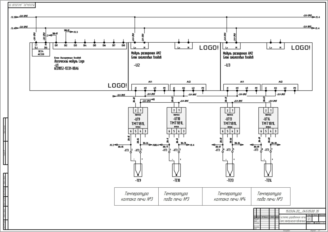
01 Объект автоматизации и его параметры. Плакат 02 Печь колпаковая электрическая. ГЧ 03 Выбор элементов автоматизации и схема их подключения. Плакат 04 Цепи управления колпаковой печью. Схема электрическая принципиальная 05 Система управления печи. Схема электрическая подключения. Лист 1 05 Система управления печи. Схема электрическая подключения. Лист 2 06 Визуализация процесса управления. Плакат ПЗ Доклад Презентация
Софт
КОМПАС-3D 20 Как открыть?
Отзывов пока нет
Задать вопрос
Содержимое архива
  • icon-frw 01 Объект автоматизации и его параметры. Плакат.frw
  • icon-cdw 02 Печь колпаковая электрическая. Габаритный чертеж.cdw
  • icon-spw 02 Печь колпаковая электрическая. Габаритный чертеж. Спецификация.spw
  • icon-frw 03 Выбор элементов автоматизации и схема их подключения. Плакат.frw
  • icon-cdw 04 Цепи управления колпаковой печью. Схема электрическая принципиальная.cdw
  • icon-cdw 04 Цепи управления колпаковой печью. Схема электрическая принципиальная Спецификация.cdw
  • icon-cdw 05 Система управления печи. Схема электрическая подключения. Лист 1.cdw
  • icon-cdw 05 Система управления печи. Схема электрическая подключения. Лист 2.cdw
  • icon-cdw 05 Система управления печи. Схема электрическая подключения. Спецификация.cdw
  • icon-frw 06 Визуализация процесса управления. Плакат.frw
  • icon-doc Доклад.docx
  • icon-doc ПЗ.docx
  • icon-ppt Презентация.pptx
Чтобы скачать чертеж, 3D модель или проект, Вы должны зарегистрироваться и принять участие в жизни сайта. Посмотрите, как тут скачивать файлы
Отзывов пока нет
Чтобы оставить отзыв, необходимо войти
Войти с помощью:

Используя функцию входа через сторонние сервисы, Вы соглашаетесь на обработку персональных данных в соответствии с Политикой конфиденциальности