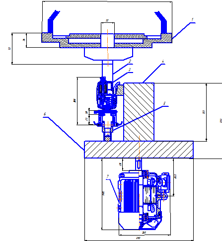
Измерительная позиция круглого стола для контроля параметров детали. На сборочнм чертеже представлено бункерное загрузочное устройство, транспортирующее устройство и измерительные приспособления
- Главная -
- Чертежи -
- Автоматизация и КИП -
- Измерительная позиция круглого стола
Измерительная позиция круглого стола
0
248
1454
1
0
20
Сообщить о проблеме
Автор
Дата
13.06.2013
Язык
Русский
Состав
СБ
Софт
КОМПАС-3D 13
Как открыть?
Отзывов пока нет
Содержимое архива
-
Измерительная позиция.cdw
Чтобы скачать чертеж, 3D модель или проект, Вы должны зарегистрироваться
и принять участие в жизни сайта. Посмотрите, как тут скачивать
файлы
Отзывов пока нет
Чтобы оставить отзыв, необходимо войти
Войти с помощью:
Используя функцию входа через сторонние сервисы, Вы соглашаетесь на обработку персональных данных в соответствии с Политикой конфиденциальности
Используя функцию входа через сторонние сервисы, Вы соглашаетесь на обработку персональных данных в соответствии с Политикой конфиденциальности