Перейти к содержимому
Войти

Стандартный образец СО-2 и СО-3

0
0
62
0
0
20

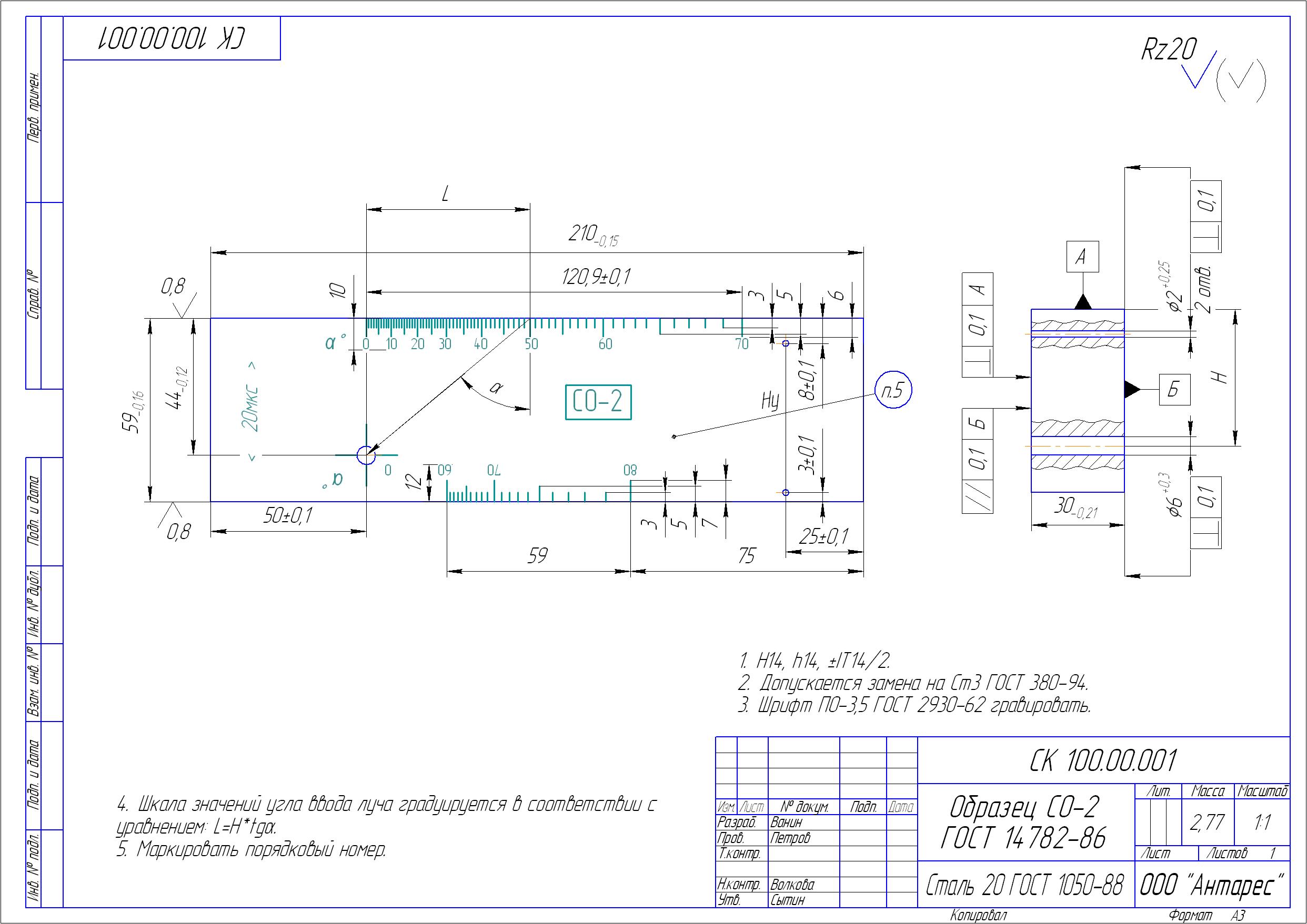
Стандартный образец (мера) СО-2 изготавливается из стали марки 20 по ГОСТ 1050. Геометрические размеры образца соответствуют ГОСТ Р 55724-2013 (взамен ГОСТ 14782-86). Скорость продольных волн в образце при температуре 20С° – (5900 ±59) м/с. Время прохождения ультразвуком расстояния от поверхности до дна составляет 20±1 мкс. Стандартный образец СО-2 используют для настройки параметров при контроле объектов из малоуглеродистой и низколегированных сталей и определения условной чувствительности при контроле любых материалов

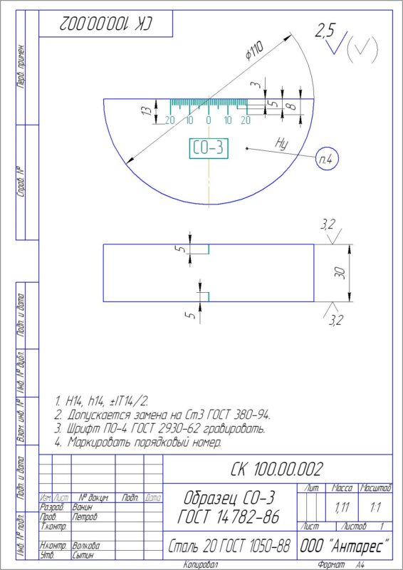
Стандартный образец (мера) СО-3 изготовлен из стали марки 20 по ГОСТ 1050 или из стали марки 3 по ГОСТ 14637. Геометрические размеры соответствуют требованиям ГОСТ 14637-89. Скорость распространения продольной волны в материале образца при температуре 20±5 °С составляет 5900±59 м/с. Радиус образца равен 55мм.


Сообщить о проблеме
Автор
user-avatar igor..a
Дата
23.11.2025
Язык
Русский
Состав
Вид общий (ВО)
Софт
КОМПАС-3D 16 Как открыть?
Отзывов пока нет
Задать вопрос
Содержимое архива
  • icon-cdw Образец СО-2 _ СК 100.00.001.cdw
  • icon-cdw Образец СО-3 _ СК 100.00.002.cdw
Чтобы скачать чертеж, 3D модель или проект, Вы должны зарегистрироваться и принять участие в жизни сайта. Посмотрите, как тут скачивать файлы
Отзывов пока нет
Чтобы оставить отзыв, необходимо войти
Войти с помощью:

Используя функцию входа через сторонние сервисы, Вы соглашаетесь на обработку персональных данных в соответствии с Политикой конфиденциальности