Перейти к содержимому
Войти

Разработка системы регулирования расхода воды для поверочного стенда ДОУН 150/200

0
0
181
5
0
80

Комсомольский-на-Амуре государственный технический университет
Кафедра «Электропривод и автоматизация промышленных установок»
На тему: "Разработка системы регулирования расхода воды для поверочного стенда"
Комсомольский-на-Амуре 2017

Разработка системы регулирования расхода воды для поверочного стенда ДОУН 150/200
Пояснительная записка 52 с., 15 рис., 6 табл., 17 источников.

Проведен анализ существующих стендов.
Разработана функциональная и структурная схемы системы регулирования расхода воды насоса, с учетом требований, предъявляемым к данной системе.
Проведен расчет мощности электродвигателя насоса, осуществлен выбор электродвигателя, для электродвигателя был подобран частотный преобразователь. Проведен расчет статической и динамической характеристик заданной системы. Разработана электрическая принципиальная схема управления насосом
Расчет статической и динамической характеристик заданной системы показал, что система устойчива, управляема и наблюдаема.

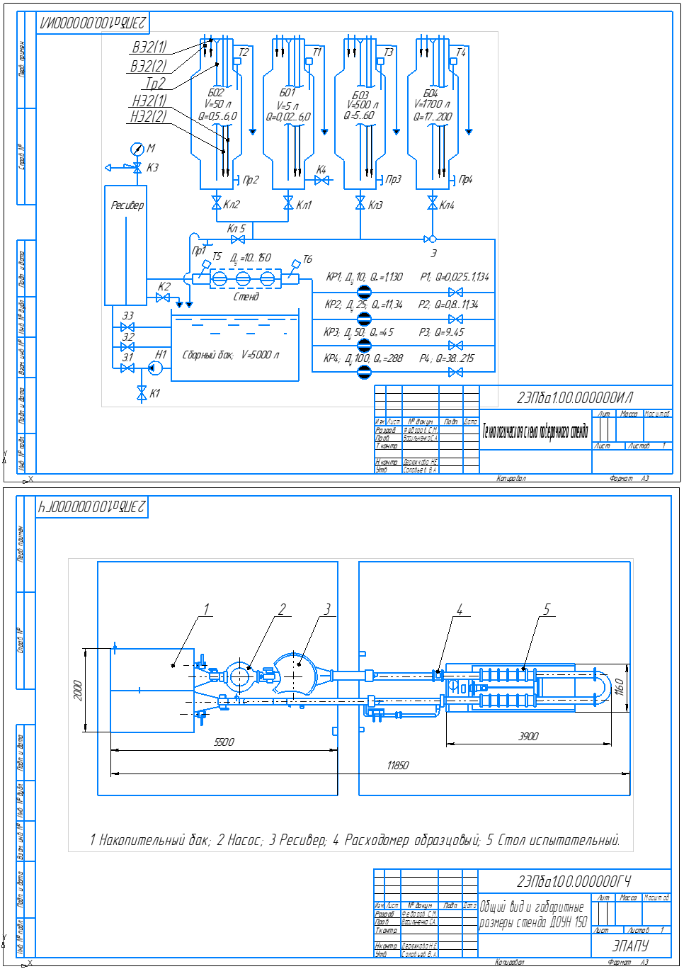
Графическая часть содержит технологическую схему поверочного стенда, общий вид и габаритные размеры, электрическую принципиальную схему управления насосом


Сообщить о проблеме
Автор
user-avatar merts06
Дата
16.05.2019
Язык
Русский
Состав
Электрическая принципиальная (ЭЗ), Общий вид и габаритные размеры (ГЧ), Спецификация, Технологическая схема поверочного стенда (ТС), ПЗ
Софт
КОМПАС-3D v17 Как открыть?
Отзывов пока нет
Задать вопрос
Содержимое архива
    • icon-cdw Чертеж1.cdw
    • icon-cdw Чертеж3.cdw
    • icon-cdw ЭЗ.cdw
    • icon-doc пз.doc
Чтобы скачать чертеж, 3D модель или проект, Вы должны зарегистрироваться и принять участие в жизни сайта. Посмотрите, как тут скачивать файлы
Отзывов пока нет
Чтобы оставить отзыв, необходимо войти
Войти с помощью:

Используя функцию входа через сторонние сервисы, Вы соглашаетесь на обработку персональных данных в соответствии с Политикой конфиденциальности