Крючок инструментальной перфорированной кросспанели для инструмента (печать на 3д принтере)
- Главная -
- Чертежи -
- Моделизм, хобби, своими руками -
- Крючок для кросспанели
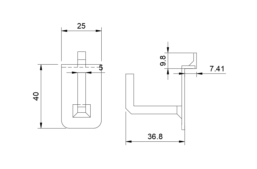
Крючок для кросспанели
0
0
8
0
0
Бесплатно
Сообщить о проблеме
Автор
Дата
19.03.2026
Язык
Русский
Состав
крючок
Софт
Fusion 360 1
Отзывов пока нет
Содержимое архива
-
Крючок.f3d
-
Крючок.step
Чтобы скачать чертеж, 3D модель или проект, Вы должны зарегистрироваться
и принять участие в жизни сайта. Посмотрите, как тут скачивать
файлы
Задания с фриланса
3д и кд на мини погрузчик типа Taian DY620, DY840, Multione 5 series, Multione 7 series, Avant
договорная
4 недели назад
Отзывов пока нет
Чтобы оставить отзыв, необходимо войти
Войти с помощью:
Используя функцию входа через сторонние сервисы, Вы соглашаетесь на обработку персональных данных в соответствии с Политикой конфиденциальности
Используя функцию входа через сторонние сервисы, Вы соглашаетесь на обработку персональных данных в соответствии с Политикой конфиденциальности