Перейти к содержимому
Войти

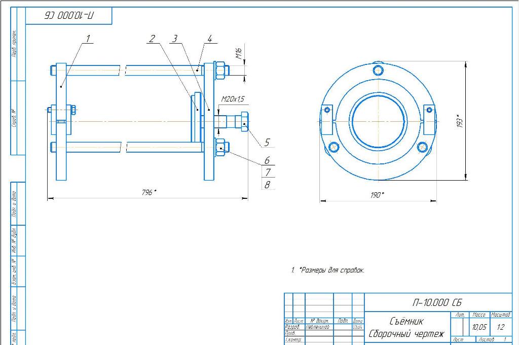
Съёмник для снятия счёточного кольца с вала ЭДВ

0
0
31
0
0
200

Съёмник предназначен для снятия счёточного кольца с вала ЭДВ или подобных устройств с предварительным нагревом.


Сообщить о проблеме
Дата
17.03.2025
Язык
Русский
Состав
Модели деталей и сборок, комплект чертежей
Софт
КОМПАС-3D 16.1 Как открыть?
Отзывов пока нет
Задать вопрос
Содержимое архива
  • icon-jpg П-10.000 - Съёмник...jpg
  • icon-jpg П-10.000 - Съёмник..jpg
  • icon-a3d П-10.000 - Съёмник.a3d
  • icon-jpg П-10.000 - Съёмник.jpg
  • icon-spw П-10.000 - Съёмник.spw
  • icon-cdw П-10.000 СБ - Съёмник Сборочный чертеж.cdw
  • icon-cdw П-10.002 - Пята.cdw
  • icon-m3d П-10.002 - Пята.m3d
  • icon-cdw П-10.003 - Плита.cdw
  • icon-m3d П-10.003 - Плита.m3d
  • icon-cdw П-10.004 - Шпилька.cdw
  • icon-m3d П-10.004 - Шпилька.m3d
  • icon-cdw П-10.005 - Болт.cdw
  • icon-a3d П-10.100 - Обойма.a3d
  • icon-cdw П-10.100 - Обойма.cdw
  • icon-spw П-10.100 - Обойма.spw
  • icon-cdw П-10.101 - Сектор.cdw
  • icon-m3d П-10.101 - Сектор.m3d
  • icon-cdw П-10.101 з - Шайба.cdw
  • icon-m3d П-10.101 з - Шайба.m3d
  • icon-a3d П-10.110 - Вкладыш.a3d
  • icon-cdw П-10.110 - Вкладыш.cdw
  • icon-spw П-10.110 - Вкладыш.spw
  • icon-cdw П-10.111 - Сектор.cdw
  • icon-m3d П-10.111 - сектор.m3d
  • icon-cdw П-10.112 - Платик.cdw
  • icon-m3d П-10.112 - Платик.m3d
  • icon-m3d П-10.112 - Платик 1.m3d
  • icon-cdw П-10.113 - Платик.cdw
  • icon-m3d П-10.113 - Платик.m3d
  • icon-frw Фрагмент.frw
Чтобы скачать чертеж, 3D модель или проект, Вы должны зарегистрироваться и принять участие в жизни сайта. Посмотрите, как тут скачивать файлы
Отзывов пока нет
Чтобы оставить отзыв, необходимо войти
Войти с помощью:

Используя функцию входа через сторонние сервисы, Вы соглашаетесь на обработку персональных данных в соответствии с Политикой конфиденциальности