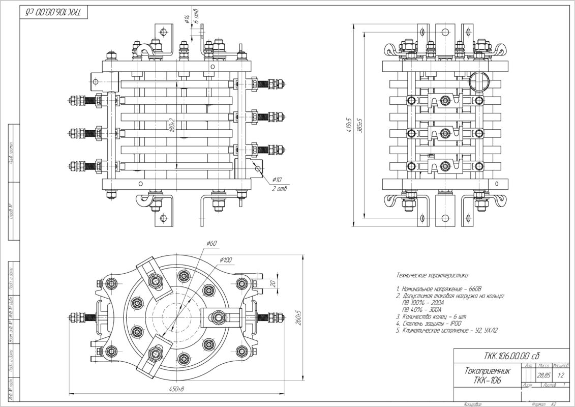
3D-модель Токоприёмника ТКК-106 (Компас v20, STEP) для последующей вставки в модель оборудования. Предназначается для электрической связи электрооборудования вращающейся части крана с внешней сетью и электрооборудованием, установленным на неповоротной части крана.
- Главная -
- Чертежи -
- Электрические машины -
- Электротехническое оборудование -
- Токоприёмник кольцевой ТКК-106
Токоприёмник кольцевой ТКК-106
0
0
20
0
0
40
Сообщить о проблеме
Автор
Дата
06.02.2026
Язык
Русский
Состав
3D Сборка
Софт
КОМПАС-3D 20
Как открыть?
Отзывов пока нет
Содержимое архива
-
Клема ТКК-106.m3d
-
Кольцо ТКК-106.m3d
-
Проушина ТКК-106 2.m3d
-
Проушина ТКК-106.m3d
-
Скоба ТКК-106.m3d
-
ТКК-106.a3d
-
ТКК-106.stp
-
Фланец внешний ТКК-106.m3d
-
Фланец внутрений ТКК-106.m3d
-
Фланец токоприёмника ТКК-106.m3d
-
Фланец торцевой ТКК-106.m3d
Чтобы скачать чертеж, 3D модель или проект, Вы должны зарегистрироваться
и принять участие в жизни сайта. Посмотрите, как тут скачивать
файлы
Отзывов пока нет
Чтобы оставить отзыв, необходимо войти
Войти с помощью:
Используя функцию входа через сторонние сервисы, Вы соглашаетесь на обработку персональных данных в соответствии с Политикой конфиденциальности
Используя функцию входа через сторонние сервисы, Вы соглашаетесь на обработку персональных данных в соответствии с Политикой конфиденциальности