Перейти к содержимому
Войти

Котел паровой 3т/пч

0
4
180
1
0
1 200

3D модель с сборкой и деталировкой в масштабе 1:1, тип моделирования твердотельное.

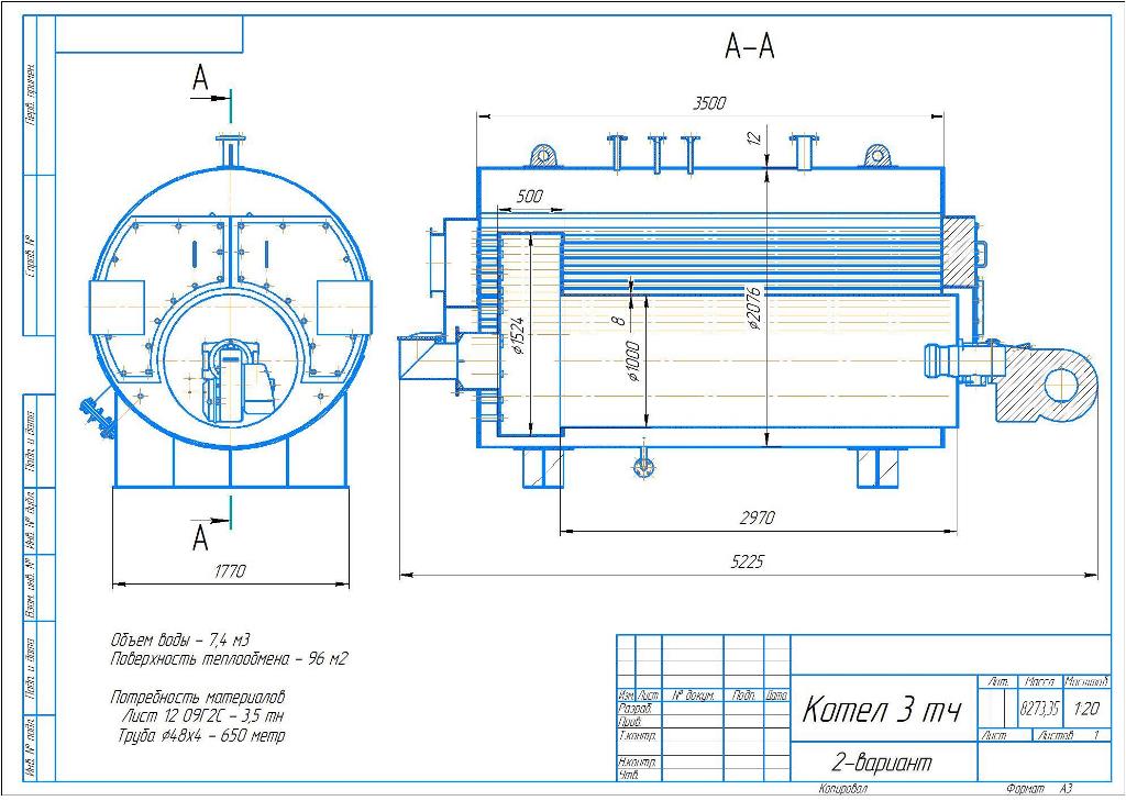
Объем воды - 7,4 м3
Поверхность теплообмена - 96 м2
Потребность материалов
Лист 12 09Г2С - 3,5 тн
Труба 48х4 - 650 метр


Сообщить о проблеме
Дата
08.10.2025
Язык
Русский
Состав
3D модель с сборкой и деталировкой ( см. список файлов)
Софт
КОМПАС-3D 23 Как открыть?
Отзывов пока нет
Задать вопрос
Содержимое архива
      • icon-pdf 1D7BB18D5D034757B296DE74758EBE09.pdf
      • icon-png 1emm.png
      • icon-png 2.png
      • icon-m3d 011CDR00001 COMPONENTE (1) DO QUEIMADOR DA CALDEIRA 01.m3d
      • icon-m3d 011CDR00001 COMPONENTE (2) DO QUEIMADOR DA CALDEIRA 01.m3d
      • icon-m3d 011CDR00001 COMPONENTE (3) DO QUEIMADOR DA CALDEIRA 01.m3d
      • icon-m3d 011CDR00001 COMPONENTE (4) DO QUEIMADOR DA CALDEIRA 01.m3d
      • icon-m3d 011CDR00001 COMPONENTE (5) DO QUEIMADOR DA CALDEIRA 01.m3d
      • icon-m3d 011CDR00001 COMPONENTE (6) DO QUEIMADOR DA CALDEIRA 01.m3d
      • icon-pdf BTG12 russian.pdf
      • icon-m3d DIN 471 - 14 x 1(1).m3d
      • icon-m3d DIN 976-1 - M12 x 1,5 x 95 - A.m3d
      • icon-m3d DIN 1587 - M12 x 1,5.m3d
      • icon-dwg Drawing1.dwg
      • icon-m3d ISO 4032 - M10 - ISO.m3d
      • icon-m3d ISO 4762 - M5 x 8ISO.m3d
      • icon-m3d ISO 4762 - M6 x 10ISO.m3d
      • icon-m3d ISO 4762 - M8 x 12ISO.m3d
      • icon-m3d ISO 4762 - M10 x 16ISO.m3d
      • icon-m3d ISO 7089 - 12 - 140 HV(1).m3d
      • icon-a3d QUEIMADOR A GAS WEISHAUPT WM-G20_2-A.a3d
      • icon-txt QUEIMADOR A GAS WEISHAUPT WM-G20_2-A.log
      • icon-step QUEIMADOR A GAS WEISHAUPT WM-G20_2-A.stp
      • icon-pdf tbg-360-mc-2017.pdf
      • icon-pdf tbg260mc_instr.pdf
      • icon-pdf Горелка газовая Emma 3.5 Цена от 985000.pdf
        • icon-m3d Втулка 30х60.m3d
        • icon-m3d Втулка 30х240.m3d
        • icon-m3d Кронштейн1.m3d
        • icon-m3d Кронштейн2.m3d
        • icon-m3d Палец 15х400.m3d
        • icon-m3d Пластина.m3d
        • icon-a3d Устройства поворотное.a3d
        • icon-cdw Устройства поворотное.cdw
        • icon-m3d Шайба 30х10.m3d
      • icon-m3d Болт М20х40.m3d
      • icon-m3d Втулка М20.m3d
      • icon-m3d Полотно двера.m3d
      • icon-m3d Скоба.m3d
      • icon-a3d Схема сварки трубы.a3d
      • icon-cdw Трубный пучок.cdw
      • icon-a3d Дренажный патрубок.a3d
      • icon-cdw Дренажный патрубок.cdw
      • icon-m3d Ребро.m3d
        • icon-a3d Клапан вызр.a3d
        • icon-cdw Клапан вызр.cdw
        • icon-m3d Кронштейн.m3d
        • icon-m3d Крышка Ду 400.m3d
        • icon-m3d Крышка ду200.m3d
        • icon-cdw Крышка ф300.cdw
        • icon-m3d Палец.m3d
        • icon-cdw Палец 14х32,5.cdw
        • icon-m3d Ребро.m3d
        • icon-m3d Ручка.m3d
        • icon-m3d Стойка.m3d
        • icon-m3d Труба 273-1.m3d
        • icon-m3d Труба 273-2.m3d
      • icon-m3d Боковая стенка.m3d
      • icon-m3d Верхняя стенка.m3d
      • icon-a3d Задний корпус.a3d
      • icon-cdw Задний корпус.cdw
      • icon-m3d Крышка.m3d
      • icon-m3d Нижная стенка.m3d
      • icon-m3d Патрубок ду400.1.m3d
      • icon-m3d Средний корпус.m3d
      • icon-m3d Фланец ду400.m3d
      • icon-m3d Заглушка 2-400-1,0.m3d
      • icon-m3d Кронштейн1.m3d
      • icon-m3d Кронштейн2.m3d
      • icon-cdw Крышка Ду400.cdw
      • icon-a3d Люк Ду400.a3d
      • icon-m3d Обечайка.m3d
      • icon-cdw Обечайка 420.cdw
      • icon-m3d Обечайка 420.m3d
      • icon-cdw Палец.cdw
      • icon-m3d Палец.m3d
      • icon-m3d Патрубок.m3d
      • icon-m3d Прокладка.m3d
      • icon-cdw Ручка.cdw
      • icon-m3d Ручка.m3d
      • icon-m3d Фланец 3-400-10.m3d
      • icon-cdw Фланец Ду400.cdw
      • icon-cdw Чертеж.cdw
      • icon-m3d Обечайка.m3d
      • icon-m3d Обечайка1,1.m3d
      • icon-m3d Обечайка1.2.m3d
      • icon-a3d Обечайка1.a3d
      • icon-m3d Обечайка2,1.m3d
      • icon-m3d Обечайка2.2.m3d
      • icon-a3d Обечайка2.a3d
      • icon-m3d Обечайка3,1.m3d
      • icon-m3d Обечайка3.2.m3d
      • icon-a3d Обечайка3.a3d
      • icon-a3d Обечайка в сборе.a3d
      • icon-cdw Обечайка в сборе.cdw
      • icon-m3d Лист опорный.m3d
      • icon-m3d Лист подк.m3d
      • icon-a3d Опора.a3d
      • icon-cdw Опора.cdw
      • icon-m3d Ребро.m3d
      • icon-m3d Ребро2.m3d
      • icon-m3d Ребро бок.m3d
      • icon-m3d Ребро центр.m3d
        • icon-m3d Болт М20х40.m3d
        • icon-m3d Втулка М20.m3d
        • icon-a3d Двер в сборе.a3d
        • icon-m3d Крышка.m3d
        • icon-m3d Лист1.m3d
        • icon-m3d Полоса1.m3d
        • icon-m3d Полоса2.m3d
        • icon-m3d Полоса3.m3d
        • icon-m3d Полоса4.m3d
        • icon-m3d Полоса5.m3d
        • icon-m3d Полотно двера.m3d
        • icon-m3d Скоба.m3d
          • icon-cdw Уголок1.cdw
          • icon-m3d Уголок1.m3d
          • icon-cdw Уголок2.cdw
          • icon-m3d Уголок2.m3d
        • icon-cdw Втулка 30х60.cdw
        • icon-m3d Втулка 30х60.m3d
        • icon-cdw Втулка 30х240.cdw
        • icon-m3d Втулка 30х240.m3d
        • icon-m3d Кронштейн1.m3d
        • icon-m3d Кронштейн2.m3d
        • icon-cdw Палец 15х400.cdw
        • icon-m3d Палец 15х400.m3d
        • icon-m3d Пластина.m3d
        • icon-cdw Уголок1.cdw
        • icon-a3d Устройства поворотное.a3d
        • icon-cdw Устройства поворотное.cdw
        • icon-m3d Шайба 30х10.m3d
      • icon-m3d Болт М20х40.m3d
      • icon-m3d Втулка М20.m3d
      • icon-m3d Лист верхний.m3d
      • icon-m3d Лист нижный.m3d
      • icon-m3d Лист перегородка.m3d
      • icon-m3d Малая обечайка.m3d
      • icon-m3d Обечайка болшой.m3d
      • icon-a3d Передняя камера.a3d
      • icon-cdw Передняя камера.cdw
      • icon-pdf Передняя камера.pdf
      • icon-m3d Передняя стенка.m3d
      • icon-m3d Полотно двера.m3d
      • icon-m3d Прокладка.m3d
      • icon-m3d Скоба.m3d
      • icon-m3d Накладка.m3d
      • icon-a3d Строповой устройство.a3d
      • icon-cdw Строповой устройство.cdw
      • icon-m3d Ушко.m3d
        • icon-m3d Патрубок Ду32.m3d
        • icon-m3d Фланец Ду32 Ру40.m3d
        • icon-a3d Щтуцер Ду32.a3d
        • icon-m3d Патрубок Ду40.m3d
        • icon-m3d Фланец Ду40 Ру16.m3d
        • icon-a3d Щтуцер Ду40.a3d
      • icon-m3d Патрубок 108.m3d
      • icon-m3d Фланец Ду100 Ру16.m3d
      • icon-a3d Щтуцер Ду100.a3d
    • icon-frw Детали на резки.frw
    • icon-dxf Детали на резки1.dxf
    • icon-frw Детали на резки1.frw
    • icon-dxf Детали на резки2.dxf
    • icon-frw Детали на резки2.frw
    • icon-dxf Детали на резки3.dxf
    • icon-frw Детали на резки3.frw
    • icon-dxf Детали на резки4.dxf
    • icon-frw Детали на резки4.frw
    • icon-dxf Детали на резки5.dxf
    • icon-frw Детали на резки5.frw
    • icon-dxf Детали на резки6.dxf
    • icon-frw Детали на резки6.frw
    • icon-dxf Детали на резки7.dxf
    • icon-frw Детали на резки7.frw
    • icon-dxf Детали на резки8 т10.dxf
    • icon-frw Детали на резки8 т10.frw
    • icon-dxf Детали на резки9 т6.dxf
    • icon-frw Детали на резки9 т6.frw
    • icon-dxf Детали на резки10 т30.dxf
    • icon-frw Детали на резки10 т30.frw
    • icon-m3d Жаровая труба 1000.m3d
    • icon-m3d Заглушка ф50.m3d
    • icon-a3d Котел 3 тч.a3d
    • icon-cdw Котел 3 тч.cdw
    • icon-jpg Котел 3 тч.jpg
    • icon-png Котел 3 тч.png
    • icon-step Котел 3 тч.stp
    • icon-m3d Круг дистанционный.m3d
    • icon-cdw Малая обечайка.cdw
    • icon-m3d Обечайка.m3d
    • icon-cdw Обечайка болшой.cdw
    • icon-m3d Обечайка камери.m3d
    • icon-m3d Патрубок ду400.m3d
    • icon-cdw Прессформа R146.cdw
    • icon-m3d Прокладка ду400.m3d
    • icon-cdw Решетка задная.cdw
    • icon-m3d Решетка задная.m3d
    • icon-cdw Решетка передная.cdw
    • icon-m3d Решетка передная.m3d
    • icon-cdw Решетка поворотной камери задняя.cdw
    • icon-m3d Решетка поворотной камери задняя.m3d
    • icon-cdw Решетка поворотной камери передняя.cdw
    • icon-m3d Решетка поворотной камери передняя.m3d
    • icon-cdw Сборка КВЖ.cdw
    • icon-m3d Труба 48х190.m3d
    • icon-m3d Труба 50х3490.m3d
    • icon-m3d Туба ф48х2870.m3d
    • icon-m3d Фланец 1000.m3d
    • icon-cdw Фланец Ду700.cdw
    • icon-m3d Фланец ду400.m3d
    • icon-cdw Фланец переход.cdw
Чтобы скачать чертеж, 3D модель или проект, Вы должны зарегистрироваться и принять участие в жизни сайта. Посмотрите, как тут скачивать файлы
Отзывов пока нет
Чтобы оставить отзыв, необходимо войти
Войти с помощью:

Используя функцию входа через сторонние сервисы, Вы соглашаетесь на обработку персональных данных в соответствии с Политикой конфиденциальности