Перейти к содержимому
Войти

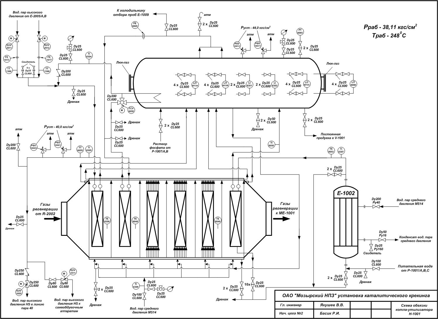
Схема обвязки котла-утилизатора Н-1001

0
18
881
1
0
20

Полоцкий ГУ, 2003

Схема обвязки котла- утилизатора Н-1001, КУКК, Мозырский НПЗ. Секция 1000


Сообщить о проблеме
Автор
user-avatar shevmi
Дата
24.12.2017
Язык
Русский
Состав
Схема обвязки котла-утилизатора Н-1001
Софт
Microsoft Visio 10
Отзывов пока нет
Задать вопрос
Содержимое архива
  • icon-visio Котел-утилизатор Н-1001.vsd
Чтобы скачать чертеж, 3D модель или проект, Вы должны зарегистрироваться и принять участие в жизни сайта. Посмотрите, как тут скачивать файлы
Отзывов пока нет
Чтобы оставить отзыв, необходимо войти
Войти с помощью:

Используя функцию входа через сторонние сервисы, Вы соглашаетесь на обработку персональных данных в соответствии с Политикой конфиденциальности