Перейти к содержимому
Войти

Уважаемые пользователи! В настоящий момент платежи через ЮKassa временно недоступны в связи с техническими неполадками на стороне сервиса. Функционирует резервный канал оплаты. Если у кого-то из вас не прошёл платёж за 27.04 напишите пожалуйста в контакты.

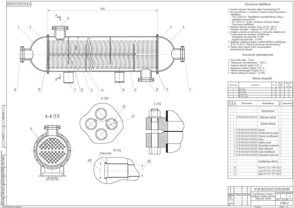
Кожухотрубный теплообменник с неподвижными трубными решетками для охлаждения толуола водой

0
2
196
6
0
50

Уфимский топливно-энергетический колледж
Специальность Химическая технология органических веществ
Курсовой проект по дисциплине "МДК.02.01 Управление технологическими процессами производства органических веществ"
На тему: ПРОЕКТ КОЖУХОТРУБЧАТОГО ТЕПЛООБМЕННОГО АППАРАТА
Уфа 2025

Кожухотрубный теплообменник с неподвижными трубными решетками для охлаждения 13250 кг/ч толуола от 105 до 40 ºС. Хладагент – вода c начальной температурой 25 и конечной 35 ºC

Содержание
Введение…………………………………………………………..…..……….3
1 Технологическая часть……………………...…………………..…..………4
1.1 Устройство и принцип действия………………………………………4
1.2 Основы процесса…………………………………………...……..……6
1.3 Обслуживание и эксплуатация……………………...…….....……..…8
1.4 Сравнительная характеристика………………………………………13
1.5 Автоматизация аппарата……………………………………………...15
1.6 Свойства, особенности, ПДК применяемых реагентов…………….17
2 Расчетная часть……………………………………………..…......…..19
2.1 Расчет теплового баланса……………………………………….........19
2.2 Гидравлический расчет……………………………….……..……..…25
3 Графическая часть
3.1 Чертеж аппарата
Заключение……………………………………….………..……...…………28
Список использованных источников…………………………........………29
Приложение 1……………………………………………………….....…….30
Приложение 2…………………………………………………...…..……….33
Приложение 3…………………………………………………...……..…….34


Сообщить о проблеме
Автор
user-avatar user-6385149
Дата
12.12.2025
Язык
Русский
Состав
ПЗ, Сборочный чертеж
Софт
КОМПАС-3D 23 версия Как открыть?
Отзывов пока нет
Задать вопрос
Содержимое архива
  • icon-doc Курсовой проект теплообменник.docx
  • icon-doc ТЕПЛООБМЕННИК.docx
  • icon-cdw Чертеж кожухотрубный теплообменник 400 мм.cdw
Чтобы скачать чертеж, 3D модель или проект, Вы должны зарегистрироваться и принять участие в жизни сайта. Посмотрите, как тут скачивать файлы
Отзывов пока нет
Чтобы оставить отзыв, необходимо войти
Войти с помощью:

Используя функцию входа через сторонние сервисы, Вы соглашаетесь на обработку персональных данных в соответствии с Политикой конфиденциальности