Перейти к содержимому
Войти

Уважаемые пользователи, временно отключили платежи через ЮКассу. Работает запасной канал. Если у кого-то потерялся платеж за 21.04 напишите в форму контактов.

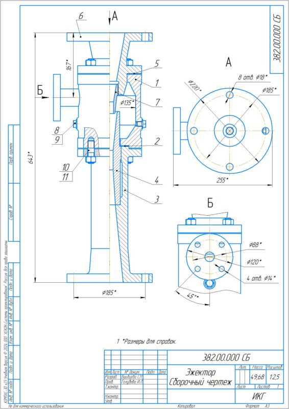
Эжектор 382.00.000 СБ

0
0
65
0
0
100

Эжектор - пароструйный насос, приспособленный для выкачивания воздуха, воды и др. - работает по принципу эжекции.
Эжектор состоит из корпуса, патрубков впуска и выпуска, присоединенных к корпусу с прокладками и шпильками с гайками; наконечника, ввернутого в патрубок впуска; трубки, запрессованной в патрубок выпуска; пробок с прокладками.


Сообщить о проблеме
Автор
user-avatar xks_21
Дата
31.12.2025
Язык
Русский
Состав
3D-cборка, Чертежи
Софт
КОМПАС-3D 23 Как открыть?
Отзывов пока нет
Задать вопрос
Содержимое архива
    • icon-a3d 382.00.000 СБ Эжектор.a3d
    • icon-cdw 382.00.000 СБ Эжектор.cdw
    • icon-pdf 382.00.000 СБ Эжектор.pdf
    • icon-step 382.00.000 СБ Эжектор.stp
    • icon-pdf 382.00.000 Эжектор.pdf
    • icon-spw 382.00.000 Эжектор.spw
    • icon-cdw 382.00.001 Эжектор.cdw
    • icon-m3d 382.00.001 Эжектор.m3d
    • icon-pdf 382.00.001 Эжектор.pdf
    • icon-cdw 382.00.004 Прокладка.cdw
    • icon-m3d 382.00.004 Прокладка.m3d
    • icon-pdf 382.00.004 Прокладка.pdf
    • icon-cdw 382.00.005 Патрубок выпуска.cdw
    • icon-m3d 382.00.005 Патрубок выпуска.m3d
    • icon-pdf 382.00.005 Патрубок выпуска.pdf
    • icon-cdw 382.00.006 Трубка.cdw
    • icon-m3d 382.00.006 Трубка.m3d
    • icon-pdf 382.00.006 Трубка.pdf
    • icon-cdw 382.00.007 Прокладка.cdw
    • icon-m3d 382.00.007 Прокладка.m3d
    • icon-pdf 382.00.007 Прокладка.pdf
    • icon-cdw 382.00.008 Патрубок впуска.cdw
    • icon-m3d 382.00.008 Патрубок впуска.m3d
    • icon-pdf 382.00.008 Патрубок впуска.pdf
    • icon-cdw 382.00.009 Наконечник.cdw
    • icon-m3d 382.00.009 Наконечник.m3d
    • icon-pdf 382.00.009 Наконечник.pdf
    • icon-cdw 382.00.010 Прокладка.cdw
    • icon-m3d 382.00.010 Прокладка.m3d
    • icon-pdf 382.00.010 Прокладка.pdf
Чтобы скачать чертеж, 3D модель или проект, Вы должны зарегистрироваться и принять участие в жизни сайта. Посмотрите, как тут скачивать файлы
Отзывов пока нет
Чтобы оставить отзыв, необходимо войти
Войти с помощью:

Используя функцию входа через сторонние сервисы, Вы соглашаетесь на обработку персональных данных в соответствии с Политикой конфиденциальности