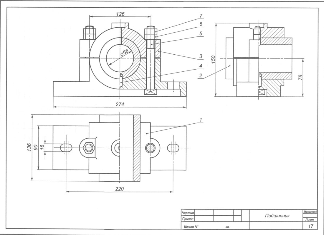
Подшипник скольжения выполнен по чертежу.
Необходим при подвесе или дополнительной опоре вращающихся механизмов типа карданного вала, коленчатого вала и тд.
Чертёж во вложении.
- Главная -
- Чертежи -
- Начертательная геометрия и Инженерная графика -
- Подшипник скольжения свободного назначения (черт. 7)
Подшипник скольжения свободного назначения (черт. 7)
1
1
25
1
0
20
Сообщить о проблеме
Автор
Дата
18.02.2026
Язык
Русский
Состав
3Д сборка
Софт
КОМПАС-3D 18.1
Как открыть?
Отзывов пока нет
Содержимое архива
-
Вкладыш - Деталь.m3d
-
Деталирование 049.jpg
-
Деталирование 050.jpg
-
Деталирование 051.jpg
-
Корпус - Деталь.m3d
-
Крышка - Деталь.m3d
-
Сборка.a3d
-
Сборка.stp
Чтобы скачать чертеж, 3D модель или проект, Вы должны зарегистрироваться
и принять участие в жизни сайта. Посмотрите, как тут скачивать
файлы
Задания с фриланса
3д и кд на мини погрузчик типа Taian DY620, DY840, Multione 5 series, Multione 7 series, Avant
договорная
3 недели назад
1 неделя назад
Требуется спроектировать и создать документацию для изготовления металлической конструкции ( рамка)
договорная
2 недели назад
Отзывов пока нет
Чтобы оставить отзыв, необходимо войти
Войти с помощью:
Используя функцию входа через сторонние сервисы, Вы соглашаетесь на обработку персональных данных в соответствии с Политикой конфиденциальности
Используя функцию входа через сторонние сервисы, Вы соглашаетесь на обработку персональных данных в соответствии с Политикой конфиденциальности