Перейти к содержимому
Войти

Приспособление для снятия шестерен и подшипников от 28 до 189мм

1
0
108
3
0
30

НГТУ НЭТИ, кафедра: "Технология машиностроения", дисциплина: "Компьютерное моделирование оснастки станций технического обслуживания", тема: "Моделирование приспособления для снятия шестерен", 2025

При работе с КП переднеприводных автомобилей с цилиндрической главной передачей (поперечное расположение двигателя) и гипоидной (продольное расположение) было замечено, что один из используемых съемников после соответствующей доработки оказался наиболее универсальным, позволяющим в той или иной степени разбирать первичные и вторичные валы этих КП.
Съемник имеет захваты с губками трех толщин и вращающийся наконечник винта. Последнее особенно важно для валов с центральным резьбовым отверстием — при выпрессовке не происходит повреждения первого витка резьбы.
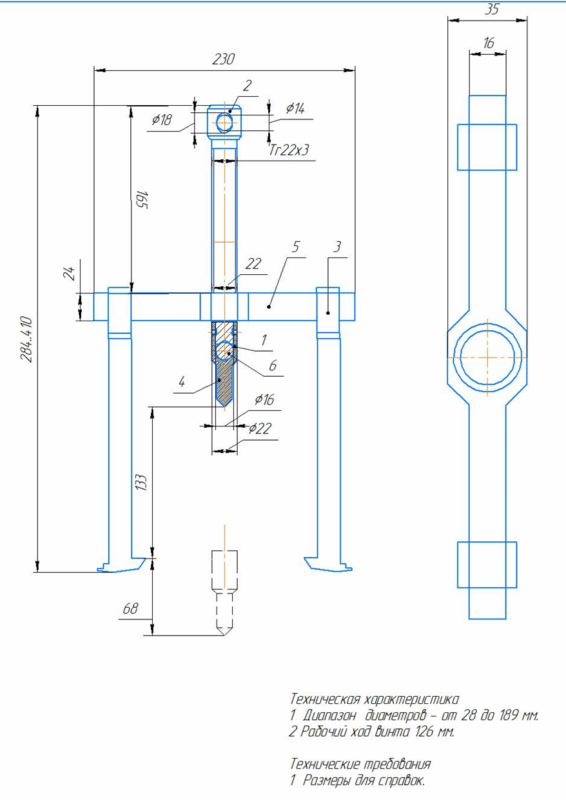
Использование трапецеидальной резьбы и вращающихся наконечников повышает КПД механизма, что, в свою очередь, требует приложения меньших усилий, соответственно уменьшается и износ резьбы. Диапазон работы съемника от 28 до 189 мм.
Приспособление предназначено для разборки первичных и вторичных валов переднеприводных автомобилей с цилиндрической главной передачей (поперечное расположение двигателя) и гипоидной (продольное расположение) КП.
Приспособление содержит траверсу 2, к которой крепятся два захвата 3, с губками трех толщин. Захваты имеют форму, позволяющую обхватывать шестерню с противоположных сторон. Также в центре траверсы 2 располагается силовой винт 1 с трапецеидальной резьбой. На нижней части винта 1 шарик 6, который облегчает съём детали, так как не позволяет винту смещаться при вращении относительно шестерни, в которую он упирается. На конце винта 1 закреплен вращающийся наконечник 5, он предназначен для упора в торец вала. Наконечник 5 закреплен двумя винтами М4-5.
Принцип работы: Приспособление устанавливается таким образом, чтобы захваты обхватывали шестерню с противоположных сторон. Они подводятся к шестерне, обеспечивая плотный и надежный контакт. Захваты разводятся на ширину, чуть большую, чем диаметр шестерни, они фиксируются регулировочными винтами, а силовой винт при повороте создаёт усилие, которое передаётся на рычаги. Упорный наконечник прижимается к торцу вала. Рабочий, вращая рукоятку, закручивает винт. Упорный наконечник изготавливается из закаленной стали, чтобы выдерживать высокие нагрузки. При этом он давит на вал, а захваты тянут шестерню в противоположном направлении. По мере вращения винта, шестерня постепенно сдвигается с вала. Захваты разводятся, и шестерня извлекается из приспособления.


Сообщить о проблеме
Автор
user-avatar user-7460389
Дата
29.11.2025
Язык
Русский
Состав
3D сборка, Приспособление для снятия шестерен (СБ), Винт, траверса, наконечник, вариант наконечника, захват (чертежи), спецификация
Софт
КОМПАС-3D учебная Как открыть?
Отзывов пока нет
Задать вопрос
Содержимое архива
  • icon-m3d 3Vint__NGTU_23_03_03-RGR40_1-TA-04-2025-456_01.m3d.bak.m3d
  • icon-m3d Nakonechnik__NGTU_23_03_03-RGR40_1-TA-04-2025-456_04.m3d
  • icon-a3d Prisposoblenie_dlya_snyatia_shesteren_NGTU_23_03_03-RGR40_1-TA-124-04-2025-456_00.a3d
  • icon-step Prisposoblenie_sborka.stp
  • icon-m3d Sharik__NGTU_23_03_03-RGR40_1-TA-04-2025-456_05.m3d
  • icon-m3d Traversa__NGTU_23_03_03-RGR40_1-TA-04-2025-456_02.m3d
  • icon-m3d Variant_nakonechnika__NGTU_23_03_03-RGR40_1-TA-04-2025-456_04.m3d
  • icon-m3d Zakhvat__NGTU_23_03_03-RGR40_1-TA-04-2025-456_03.m3d
  • icon-cdw Вариант наконечника.cdw
  • icon-cdw Винт.cdw
  • icon-cdw Захват.cdw
  • icon-cdw Наконечник.cdw
  • icon-cdw Приспособление для снятия шестерен.cdw
  • icon-spw Спецификация.spw
  • icon-cdw Траверса.cdw
Чтобы скачать чертеж, 3D модель или проект, Вы должны зарегистрироваться и принять участие в жизни сайта. Посмотрите, как тут скачивать файлы
Отзывов пока нет
Чтобы оставить отзыв, необходимо войти
Войти с помощью:

Используя функцию входа через сторонние сервисы, Вы соглашаетесь на обработку персональных данных в соответствии с Политикой конфиденциальности