Перейти к содержимому
Войти

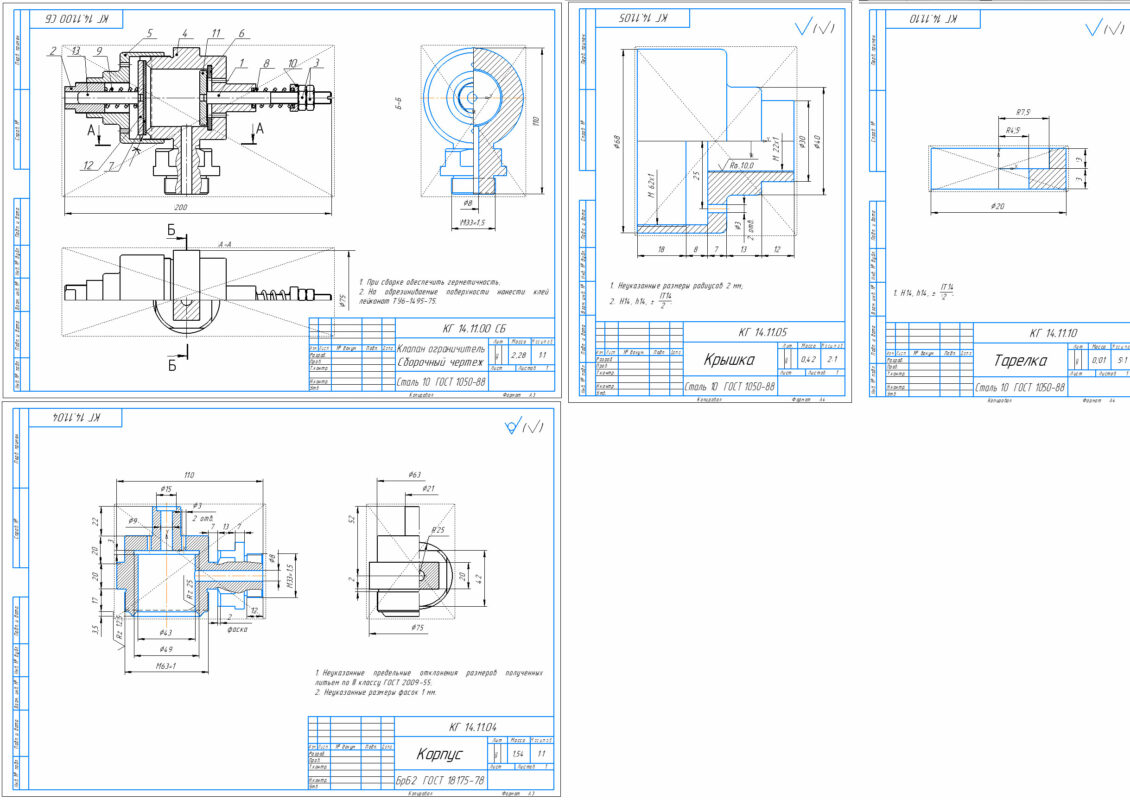
Расчетно графическая работа "Клапан ограничитель"

0
318
9175
68
0
20

Ульяновская государственная сельскохозяйственная академия им. П.А. Столыпина. Кафедра "Материаловедение и технология машиностроения". Дисциплина "Компьютерная графика и основы САПР". Тема: Расчетно-графическая работа. Ульяновск 2014 год.

3D модель клапана-ограничителя. Размеры деталей сборки рассчитаны по заданию (приложено в архиве).


Сообщить о проблеме
Автор
user-avatar Андрей
Дата
10.06.2014
Язык
Русский
Состав
3D сборка, сборочный чертеж, 4 рабочих чертежа (корпус, крышка, тарелка, втулка), спецификация.
Софт
КОМПАС-3D 14 Как открыть?
Отзывов пока нет
Задать вопрос
Содержимое архива
    • icon-m3d Винт регулировочный _ КГ 14.11.01.m3d
    • icon-cdw Втулка _ КГ 14.11.02.cdw
    • icon-m3d Втулка _ КГ 14.11.02.m3d
    • icon-m3d Гайка _ КГ 14.11.03.m3d
    • icon-png Задания РГР.png
    • icon-step Клапан ограничитель.stp
    • icon-a3d Клапан ограничитель _ КГ 14.11.00 СБ.a3d
    • icon-spw Клапан ограничитель _ КГ 14.11.00 СБ.spw
    • icon-cdw Клапан ограничитель Сборочный чертеж _ КГ 14.11.00 СБ.cdw
    • icon-cdw Корпус _ КГ 14.11.04.cdw
    • icon-m3d Корпус _ КГ 14.11.04.m3d
    • icon-cdw Крышка _ КГ 14.11.05.cdw
    • icon-m3d Крышка _ КГ 14.11.05.m3d
    • icon-m3d Прокладка _ КГ 14.11.06.m3d
    • icon-m3d Прокладка _ КГ 14.11.07.m3d
    • icon-m3d Пружина _ КГ 14.11.08.m3d
    • icon-m3d Пружина _ КГ 14.11.09.m3d
    • icon-cdw Тарелка _ КГ 14.11.10.cdw
    • icon-m3d Тарелка _ КГ 14.11.10.m3d
    • icon-m3d Шайба _ КГ 14.11.11.m3d
    • icon-m3d Шайба упорная _ КГ 14.11.12.m3d
    • icon-m3d Шток _ КГ 14.11.13.m3d
Чтобы скачать чертеж, 3D модель или проект, Вы должны зарегистрироваться и принять участие в жизни сайта. Посмотрите, как тут скачивать файлы
Отзывов пока нет
Чтобы оставить отзыв, необходимо войти
Войти с помощью:

Используя функцию входа через сторонние сервисы, Вы соглашаетесь на обработку персональных данных в соответствии с Политикой конфиденциальности