Перейти к содержимому
Войти

Штамп 00-000.06.15.15.00 в КОМПАС-3D

0
0
204
2
0
100

ПГУ им С.Торайгырова. Машиностроительный факультет

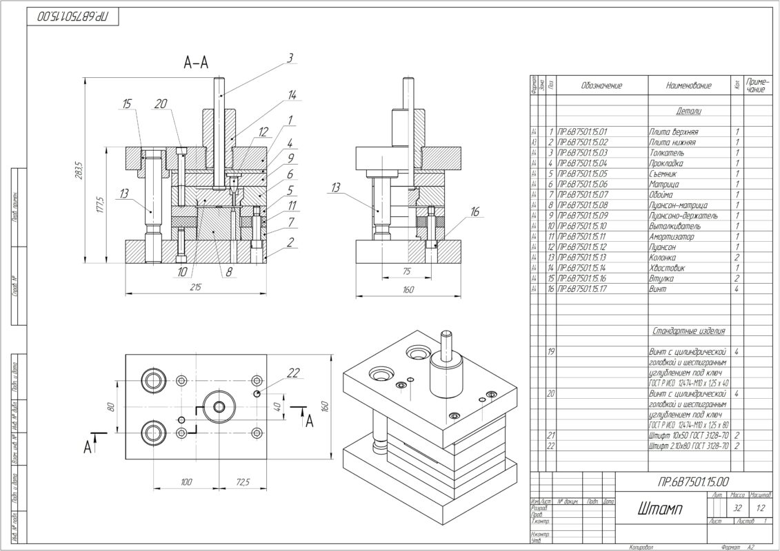
Штамп предназначен для вырубки деталей и пробивки отверстия 4 мм.
1. СВОРКА НЕПОДВИЖНОЙ ЧАСТИ
В отверстие Ф25 нижней плиты 2 запрессованы две колонки 13 Обойма 7 надевается на пуансон-матрицу 8, закрепляется на плите 2 винтами 19 и фиксируется штифтами 21. Отверстия Ф7 в плите 2 и пуансоне-матрице 8 должны совпасть Амортизатор 11, и съемник 5 надеваются на пуансон-матрицу и винтами 17 соединяются с обоймой 7. В отверстие Ø6 съемника 5 вставлен упор 15
2. СВОРКА ПОДВИЖНОЙ ЧАСТИ
В отверстия Ф38 плиты 1 запрессованы втулки 16, а в отверстие
М42хЗ -6 Н ввернут хвостовик 14 и застопорен бинтом 18 Пуансон 12 запрессован в пуансонодержатель 9 со стороны отверстия Ø23, а выталкиватель 10 вставлен в матрицу 6 Плита 1, прокладка 4, пуансонодержатель 9 и матрица 6 соединены винтами 20 и фиксируются штифтами 22 Плита 1 с запрессованными втулками 16 надевается на направляющие колонки 13 хвостовиком вверх.
ПРИНЦИП РАБОТЫ ШТАМПА
Заготовка подается через вырез съемника 5 до упора 15. В начале рабочего хода подвижная часть штампа опускается вниз, выталкиватель 10 прижимает заготовку к пуансон-матрице 8 При дальнейшем движении
выбирается зазор между выталкивателем 10 и пуансондержателем 9, сжимается амортизатор 11 и происходит вырубка детали из заготовки и пробивка отв. Ø4. При холостом ходе подвижной части съемник 5 амортизатором 11 возвращается в первоначальное положение, а деталь освобождается из матрицы 6 выталкивателем 10 под действием его веса. Все фаски для внутренней метрической резьбы выполнены по ГОСТ 10549-80 и на чертежах деталей не указаны.


Сообщить о проблеме
Дата
23.11.2025
Язык
Русский
Состав
Штамп(СБ) спецификация на листе, деталировка чертежи А4, А3, А2. 3д модели деталей и сборка 3д. ПДФ файлы чертежей.
Софт
КОМПАС-3D 23 Как открыть?
Отзывов пока нет
Задать вопрос
Содержимое архива
    • icon-cdw Амортизатор _ ПР.6В7501.15.11.cdw
    • icon-pdf Амортизатор _ ПР.6В7501.15.11.pdf
    • icon-m3d Амортизатор ПР.6В7501.15.11.m3d
    • icon-cdw Винт _ ПР.6В7501.15.17.cdw
    • icon-pdf Винт _ ПР.6В7501.15.17.pdf
    • icon-m3d Винт ПР.6В7501.15.17.m3d
    • icon-cdw Втулка _ ПР.6В7501.15.16.cdw
    • icon-pdf Втулка _ ПР.6В7501.15.16.pdf
    • icon-m3d Втулка ПР.6В7501.15.16.m3d
    • icon-cdw Выталкиватель _ ПР.6В7501.15.10.cdw
    • icon-pdf Выталкиватель _ ПР.6В7501.15.10.pdf
    • icon-m3d Выталкиватель ПР.6В7501.15.10.m3d
    • icon-cdw Колонка _ ПР.6В7501.15.13.cdw
    • icon-pdf Колонка _ ПР.6В7501.15.13.pdf
    • icon-m3d Колонка ПР.6В7501.15.13.m3d
    • icon-cdw Матрица _ ПР.6В7501.15.06.cdw
    • icon-pdf Матрица _ ПР.6В7501.15.06.pdf
    • icon-m3d Матрица ПР.6В7501.15.06.m3d
    • icon-cdw Обойма _ ПР.6В7501.15.07.cdw
    • icon-pdf Обойма _ ПР.6В7501.15.07.pdf
    • icon-m3d Обойма ПР.6В7501.15.07.m3d
    • icon-cdw Плита верхняя ПР.6В7501.15.01.cdw
    • icon-m3d Плита верхняя ПР.6В7501.15.01.m3d
    • icon-pdf Плита верхняя ПР.6В7501.15.01.pdf
    • icon-cdw Плита нижняя ПР.6В7501.15.02.cdw
    • icon-m3d Плита нижняя ПР.6В7501.15.02.m3d
    • icon-pdf Плита нижняя ПР.6В7501.15.02.pdf
    • icon-pdf Прокладка _ ПР.6В7501.15.03.pdf
    • icon-cdw Прокладка ПР.6В7501.15.03.cdw
    • icon-m3d Прокладка ПР.6В7501.15.04.m3d
    • icon-cdw Пуансон-матрица _ ПР.6В7501.15.08.cdw
    • icon-pdf Пуансон-матрица _ ПР.6В7501.15.08.pdf
    • icon-m3d Пуансон-матрица ПР.6В7501.15.08.m3d
    • icon-cdw Пуансон _ ПР.6В7501.15.12.cdw
    • icon-pdf Пуансон _ ПР.6В7501.15.12.pdf
    • icon-m3d Пуансон ПР.6В7501.15.12.m3d
    • icon-cdw Пуансоно- держатель _ ПР.6В7501.15.09.cdw
    • icon-pdf Пуансоно- держатель _ ПР.6В7501.15.09.pdf
    • icon-m3d Пуансоно-держатель ПР.6В7501.15.09.m3d
    • icon-cdw Съемник _ ПР.6В7501.15.05.cdw
    • icon-pdf Съемник _ ПР.6В7501.15.05.pdf
    • icon-m3d Съемник ПР.6В7501.15.05.m3d
    • icon-cdw Толкатель ПР.6В7501.15.03.cdw
    • icon-m3d Толкатель ПР.6В7501.15.03.m3d
    • icon-pdf Толкатель ПР.6В7501.15.03.pdf
    • icon-cdw Упор _ ПР.6В7501.15.15.cdw
    • icon-m3d Упор ПР.6В7501.15.15.m3d
    • icon-cdw Хвостовик _ ПР.6В7501.15.14.cdw
    • icon-pdf Хвостовик _ ПР.6В7501.15.14.pdf
    • icon-m3d Хвостовик ПР.6В7501.15.14.m3d
    • icon-cdw Штамп _ ПР.6В7501.15.00.cdw
    • icon-pdf Штамп _ ПР.6В7501.15.00.pdf
    • icon-a3d Штамп ПР.6В7501.15.00.a3d
    • icon-step Штамп ПР.6В7501.15.00.stp
Чтобы скачать чертеж, 3D модель или проект, Вы должны зарегистрироваться и принять участие в жизни сайта. Посмотрите, как тут скачивать файлы
Отзывов пока нет
Чтобы оставить отзыв, необходимо войти
Войти с помощью:

Используя функцию входа через сторонние сервисы, Вы соглашаетесь на обработку персональных данных в соответствии с Политикой конфиденциальности