Перейти к содержимому
Войти

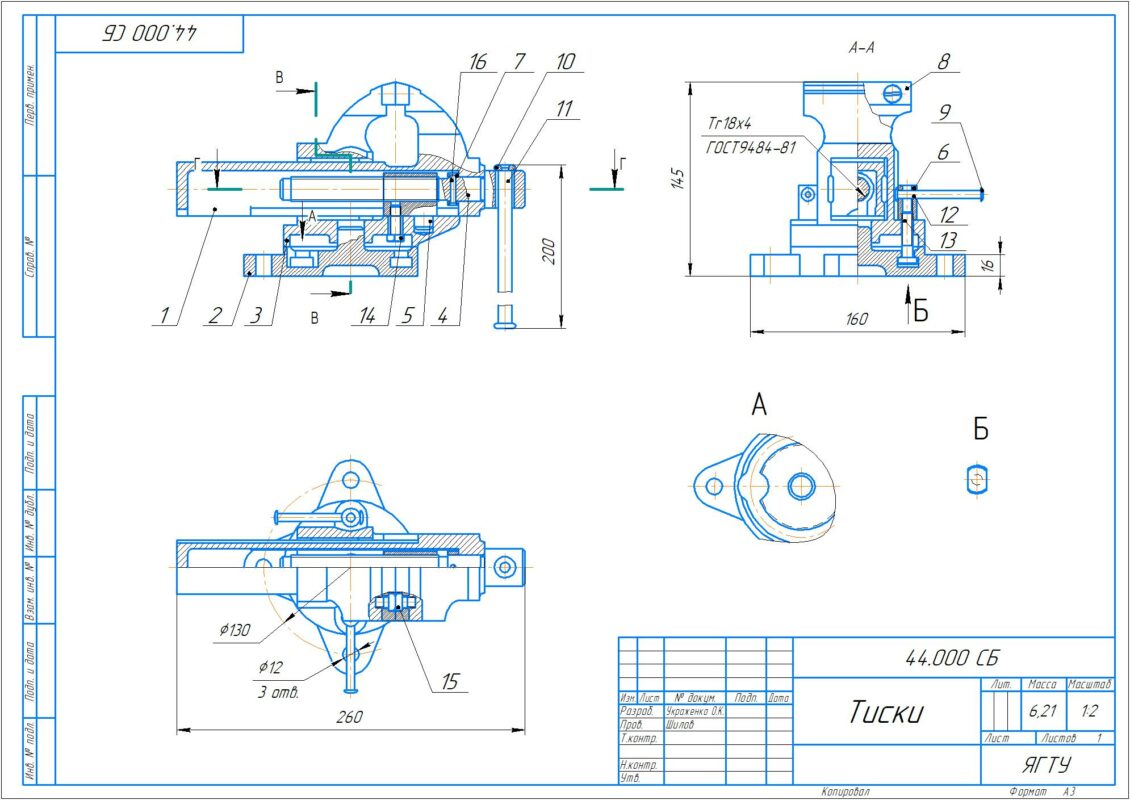
Тиски 44.000 СБ

0
143
2660
40
1
50

Ярославский государственный технический университет
Кафедра начертательной геометрий
По дисциплине инженерной графики
Ярославль 2016

Тиски — слесарный или столярный инструмент для фиксирования детали при различных видах обработки (пиление, сверление, строгание и т. д.). Тиски представляет собой пару параллельных пластин, одна из которых обычно неподвижна, а вторая прижимается к детали при помощи винта. Тиски изготавливаются из различных материалов, слесарные чаще всего из металла, столярные из дерева.
Тиски - индивидуальное задание из книги: Аксарин П.Е. Чертежи для деталирования. Задание по чертежу 44.000 СБ Тиски


Сообщить о проблеме
Дата
25.04.2016
Язык
Русский
Состав
Тиски (СБ), Сборка
Софт
КОМПАС-3D 16 Как открыть?
Отзывов пока нет
Задать вопрос
Содержимое архива
    • icon-m3d
      Деталь поз. 1.m3d
    • icon-m3d
      Деталь поз. 2.m3d
    • icon-m3d
      Деталь поз. 3.m3d
    • icon-m3d
      Деталь поз. 4.m3d
    • icon-m3d
      Деталь поз. 5.m3d
    • icon-m3d
      Деталь поз. 6.m3d
    • icon-m3d
      Деталь поз. 7.m3d
    • icon-m3d
      Деталь поз. 8.m3d
    • icon-m3d
      Деталь поз. 9.m3d
    • icon-m3d
      Деталь поз. 10.m3d
    • icon-m3d
      Деталь поз. 11.m3d
    • icon-m3d
      Деталь поз. 12.m3d
    • icon-m3d
      Деталь поз. 13.m3d
    • icon-m3d
      Деталь поз. 16.m3d
    • icon-a3d
      Тиски.a3d
    • icon-step
      Тиски.stp
    • icon-cdw
      Тиски _ 44.000 СБ.cdw
Чтобы скачать чертеж, 3D модель или проект, Вы должны зарегистрироваться и принять участие в жизни сайта. Посмотрите, как тут скачивать файлы
Отзывов пока нет
Чтобы оставить отзыв, необходимо войти
Войти с помощью:

Используя функцию входа через сторонние сервисы, Вы соглашаетесь на обработку персональных данных в соответствии с Политикой конфиденциальности