Перейти к содержимому
Войти

Профиль для светодиодной ленты «Maytoni — ALM004S-2M»

0
0
13
0
0
20

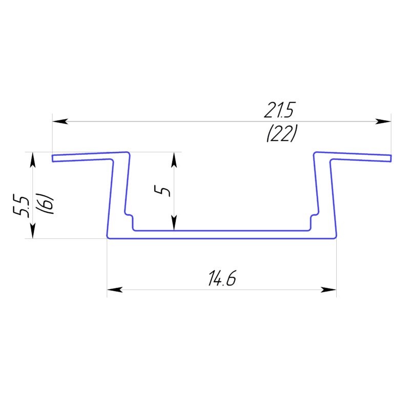
3D-сборка алюминиевого профиля для светодиодной ленты, с деталировкой. Длина профиля 2000 мм. Масштаб 1:1. Размеры снимались с реального изделия.

Сборка выполнена из деталей, входящих в комплект поставки профиля (кроме саморезов):
• Заглушка (без отверстия);
• Заглушка (с отверстием);
• Крепление для профиля;
• Профиль;
• Рассеиватель.

На картинке после превью указаны размеры. Размеры в скобках — это размеры, которые заявил производитель.


Сообщить о проблеме
Автор
user-avatar Макс
Дата
15.01.2026
Язык
Русский
Состав
3D-сборка, 3D-детали сборки, STEP-модели сборки и деталей.
Софт
T-FLEX CAD 17.1.33.0
Отзывов пока нет
Задать вопрос
Содержимое архива
      • icon-grb
        Заглушка (без отверстия).grb
      • icon-step
        Заглушка (без отверстия).stp
      • icon-grb
        Заглушка (с отверстием).grb
      • icon-step
        Заглушка (с отверстием).stp
      • icon-grb
        Крепление для профиля.grb
      • icon-step
        Крепление для профиля.stp
      • icon-grb
        Профиль.grb
      • icon-step
        Профиль.stp
      • icon-grb
        Рассеиватель.grb
      • icon-step
        Рассеиватель.stp
    • icon-grb
      Профиль для светодиодной ленты «Maytoni — ALM004S-2M», 2000 мм.grb
    • icon-step
      Профиль для светодиодной ленты «Maytoni — ALM004S-2M», 2000 мм.stp
Чтобы скачать чертеж, 3D модель или проект, Вы должны зарегистрироваться и принять участие в жизни сайта. Посмотрите, как тут скачивать файлы
Отзывов пока нет
Чтобы оставить отзыв, необходимо войти
Войти с помощью:

Используя функцию входа через сторонние сервисы, Вы соглашаетесь на обработку персональных данных в соответствии с Политикой конфиденциальности