Перейти к содержимому
Войти

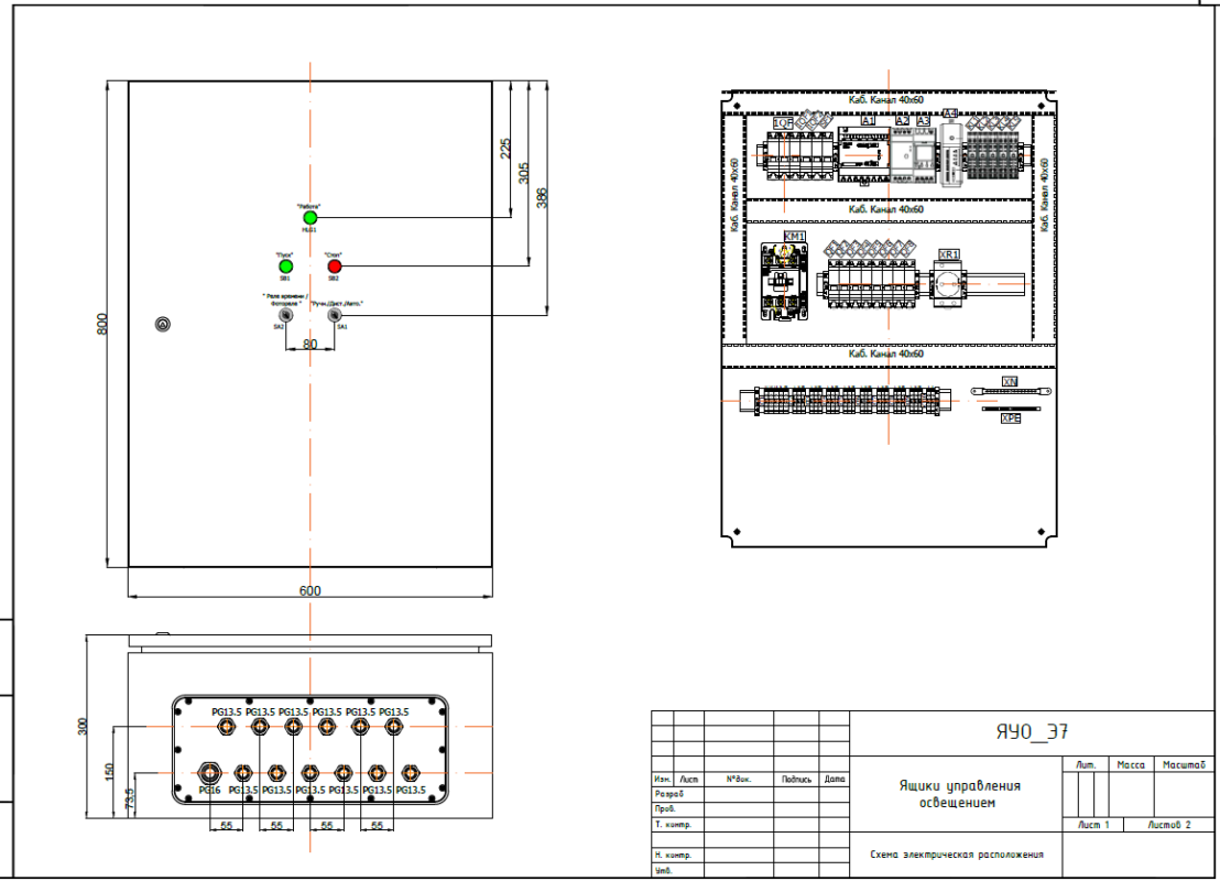
Щит управления освещением

0
0
42
0
0
80

КД разработано на Щит Управления Освещением
В состав КД входит:
1.ПЭ
2.Э3
3.Э7
Алгоритм работы:
Режимы работы. Переключатель SA1 имеет три положения:
I (Дистанционный)
0 (Ручной)
II (Автоматический) – основной режим, в котором управление освещением происходит по заданному алгоритму в зависимости от положения второго переключателя SA2.

1. Ручной режим работы
Управление осуществляется с помощью кнопок:
SB1 («Пуск», зеленая, NO) — подает сигнал на включение освещения.
SB2 («Стоп», красная, NC) — подает сигнал на отключение освещения.

2. Автоматический режим работы
Выбор источника сигнала (переключатель SA2)
Переключатель SA2 (BD21) работает только в режиме II (Автоматический) и определяет, какой датчик будет задавать команду на включение:

Положение I (Работа от Реле времени):
Команда на включение поступает от астрономического таймера (А3).
Таймер работает по встроенному календарю и астрономическому расписанию (рассвет/закат), выдавая сигнал на включение в заданное время независимо от фактической освещенности.

Положение II (Работа от Фотореле):
Команда на включение поступает от фотореле (А2) с выносным датчиком.
Фотореле замыкает цепь управления, когда уровень естественного освещения падает ниже заданного порога (2–100 Лк).

3. Дистанционный режим работы:
Управление осуществляется дистанционно из ЦПУ (центрального пункта управления) по радиосигналу (с помощью GSM-модем (А4)) . Команды передаются на программируемое реле ПР100 (А1) через GSM-модем (А4) по интерфейсу Modbus RTU. ПР100 обрабатывает полученные команды и выдает управляющий сигнал на включение/отключение освещения через дискретный выход DO1.


Сообщить о проблеме
Автор
user-avatar user-6956426
Дата
06.04.2026
Язык
Русский
Состав
Перечень элементов (ПЭ); Схема электрическая принципиальная(Э3); Схема электрическая расположения (Э7)
Софт
Отзывов пока нет
Задать вопрос
Содержимое архива
  • icon-pdf ЯУО_ПЭ_Э3_Э7.pdf
  • icon-dwg ЯУО_ПЭ_ Э3_ Э7_rev0.2.dwg
Чтобы скачать чертеж, 3D модель или проект, Вы должны зарегистрироваться и принять участие в жизни сайта. Посмотрите, как тут скачивать файлы
Отзывов пока нет
Чтобы оставить отзыв, необходимо войти
Войти с помощью:

Используя функцию входа через сторонние сервисы, Вы соглашаетесь на обработку персональных данных в соответствии с Политикой конфиденциальности