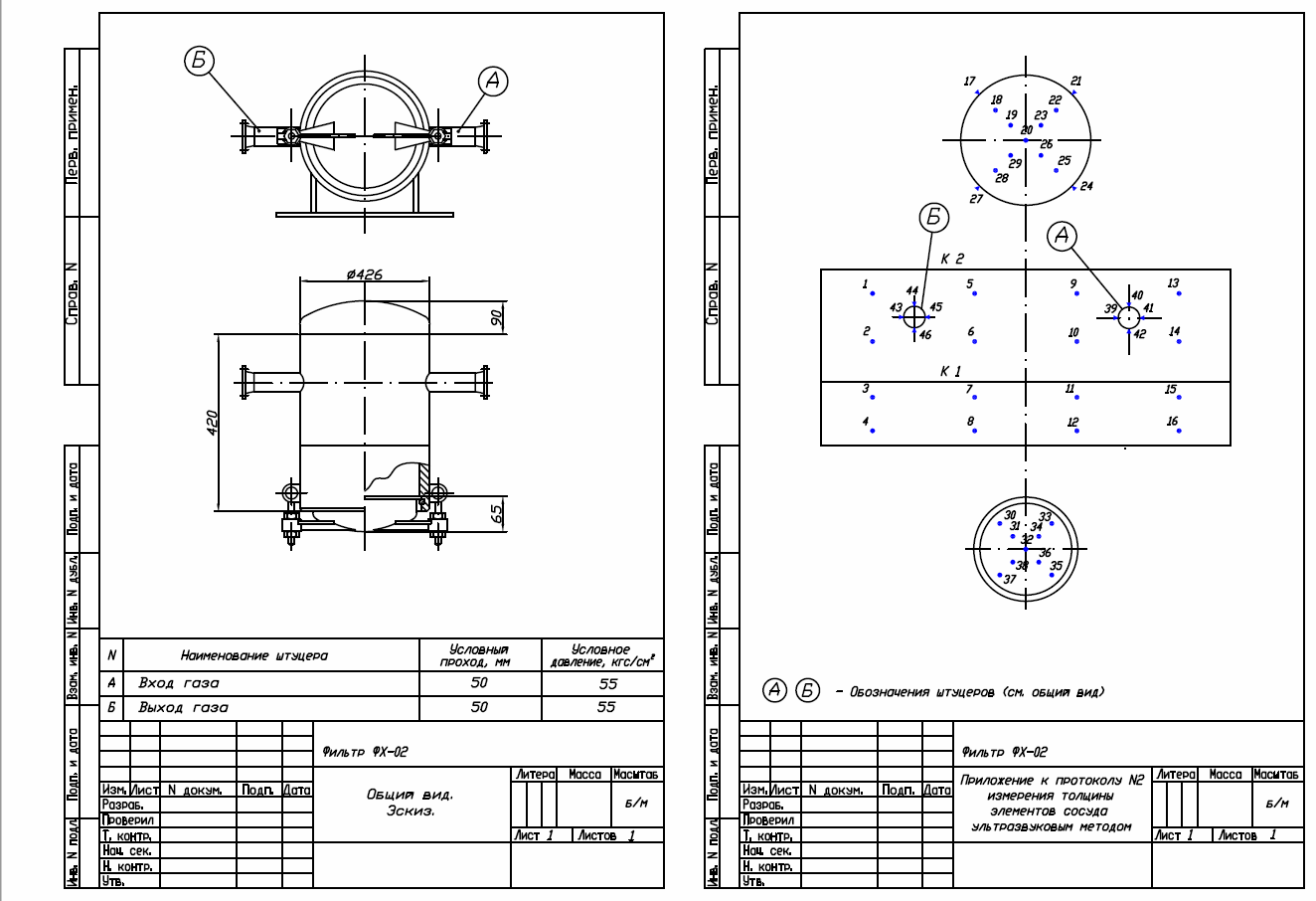
Общий вид фильтра ФХ-02. Карты контроля для проведения ВИК, толщинометрии, УЗК, ЦД, твердометрии.
Чертежи используются для проведения диагностических работ.
- Главная -
- Чертежи -
- Инженерные системы -
- Газоснабжение -
- Фильтр ФХ-02. Общий вид, карты контроля.
Фильтр ФХ-02. Общий вид, карты контроля.
0
41
3548
6
0
20
Сообщить о проблеме
Автор
Дата
05.07.2017
Язык
Русский
Состав
Вид общий, карты контроля.
Софт
AutoCAD 2017
Как открыть?
Отзывов пока нет
Содержимое архива
-
ФХ-02.dwg
Чтобы скачать чертеж, 3D модель или проект, Вы должны зарегистрироваться
и принять участие в жизни сайта. Посмотрите, как тут скачивать
файлы
Задания с фриланса
02.03.2026
Документация. Разработка операционной карты 212.24.003 обдув для детали(смотри шаблон и файл)
договорная
1 неделя назад
Отзывов пока нет
Чтобы оставить отзыв, необходимо войти
Войти с помощью:
Используя функцию входа через сторонние сервисы, Вы соглашаетесь на обработку персональных данных в соответствии с Политикой конфиденциальности
Используя функцию входа через сторонние сервисы, Вы соглашаетесь на обработку персональных данных в соответствии с Политикой конфиденциальности