Перейти к содержимому
Войти

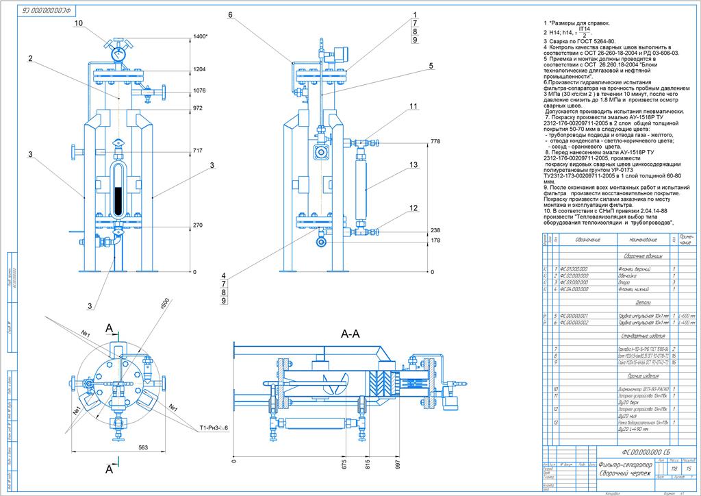
Топливный сепаратор ФС-150

0
0
17
0
0
100

Топливный фильтр-сепаратор ФС-150 для питания ПНГ теплоэнергетических устройств (котлы, подогреватели)


Сообщить о проблеме
Дата
10.01.2026
Язык
Русский
Состав
3D Сборка (предупредения в дереве), Сборочный чертеж (СБ), Деталировка
Софт
КОМПАС-3D 16.1 Как открыть?
Отзывов пока нет
Задать вопрос
Содержимое архива
      • icon-none
        Modellib.l3d
        • icon-pdf
          Заглушка_ФС.04.002.000.pdf
        • icon-pdf
          Каплесборник _ФС.04.001.000.pdf
        • icon-pdf
          Линия газовая _ФС.02.001.000.pdf
        • icon-pdf
          Нормализатор потока _ФС.01.003.000.pdf
        • icon-pdf
          Обечайка _ФС.02.000.000.pdf
        • icon-pdf
          Опора_ФС.03.000.000.pdf
        • icon-pdf
          Пластина_ ФС.04.001.001.pdf
        • icon-pdf
          Полоса _ ФС.01.003.102.pdf
        • icon-pdf
          Профиль _ ФС.01.001.102.pdf
        • icon-pdf
          Профиль _ ФС.03.000.003.pdf
        • icon-pdf
          Профиль _ ФС.03.000.004.pdf
        • icon-pdf
          Профиль _ ФС.03.000.005.pdf
        • icon-pdf
          Секция каплеотбойника _ФС.01.001.000.pdf
        • icon-pdf
          Секция рассекателя _ФС.01.003.100.pdf
        • icon-pdf
          Труба _ ФС.01.003.001.pdf
        • icon-pdf
          Фильтр-сепаратор_ФС.00.000.000.pdf
        • icon-pdf
          Фланец верхний _ФС.01.000.000.pdf
        • icon-pdf
          Фланец нижний _ФС.04.000.000.pdf
      • icon-cdw
        Заглушка_ФС.04.002.000.cdw
      • icon-cdw
        Каплесборник _ФС.04.001.000.cdw
      • icon-cdw
        Линия газовая _ФС.02.001.000.cdw
      • icon-cdw
        Нормализатор потока _ФС.01.003.000.cdw
      • icon-cdw
        Обечайка _ФС.02.000.000.cdw
      • icon-cdw
        Опора_ФС.03.000.000.cdw
      • icon-cdw
        Опора_ ФС.04.001.003.cdw
      • icon-cdw
        Пластина_ ФС.04.001.001.cdw
      • icon-cdw
        Полоса _ ФС.01.003.102.cdw
      • icon-cdw
        Профиль _ ФС.01.001.102.cdw
      • icon-cdw
        Профиль _ ФС.03.000.003.cdw
      • icon-cdw
        Профиль _ ФС.03.000.004.cdw
      • icon-cdw
        Профиль _ ФС.03.000.005.cdw
      • icon-cdw
        Секция каплеотбойника _ФС.01.001.000.cdw
      • icon-cdw
        Секция рассекателя _ФС.01.003.100.cdw
      • icon-cdw
        Труба _ ФС.01.003.001.cdw
      • icon-cdw
        Фильтр-сепаратор_ФС.00.000.000.cdw
      • icon-cdw
        Фланец верхний _ФС.01.000.000.cdw
      • icon-cdw
        Фланец нижний _ФС.04.000.000.cdw
    • icon-m3d
      4-Профиль@Полоса $d 25x4 ГОСТ 103-2006;09Г2С ГОСТ 19281-2014$@L = 174 мм_(fn-52).m3d
    • icon-m3d
      5-Профиль@Полоса $d 25x4 ГОСТ 103-2006;09Г2С ГОСТ 19281-2014$@L = 174 мм_(fn-51).m3d
    • icon-m3d
      7-Профиль@Полоса $d 25x4 ГОСТ 103-2006;09Г2С ГОСТ 19281-2014$@L = 174 мм_(fn-49).m3d
    • icon-m3d
      8-Профиль@Полоса $d 25x4 ГОСТ 103-2006;09Г2С ГОСТ 19281-2014$@L = 160.06 мм_(fn-48).m3d
    • icon-m3d
      9-Профиль@Полоса $d 25x4 ГОСТ 103-2006;09Г2С ГОСТ 19281-2014$@L = 160.06 мм_(fn-47).m3d
    • icon-m3d
      10-Профиль@Полоса $d 25x4 ГОСТ 103-2006;09Г2С ГОСТ 19281-2014$@L = 160.06 мм_(fn-59).m3d
    • icon-m3d
      11-Профиль@Полоса $d 25x4 ГОСТ 103-2006;09Г2С ГОСТ 19281-2014$@L = 160.06 мм_(fn-58).m3d
    • icon-m3d
      12-Профиль@Полоса $d 25x4 ГОСТ 103-2006;09Г2С ГОСТ 19281-2014$@L = 160.06 мм_(fn-57).m3d
    • icon-m3d
      13-Профиль@Полоса $d 25x4 ГОСТ 103-2006;09Г2С ГОСТ 19281-2014$@L = 160.06 мм_(fn-56).m3d
    • icon-m3d
      14-Профиль@Полоса $d 25x4 ГОСТ 103-2006;09Г2С ГОСТ 19281-2014$@L = 160.06 мм_(fn-55).m3d
    • icon-m3d
      199 - Сборка_(fn-9).m3d
    • icon-m3d
      Part_(fn-12).m3d
    • icon-txt
      _KDPBLog_20260106212704.txt
    • icon-m3d
      Болт с шестигранной головкой_(fn-70).m3d
    • icon-m3d
      Гайка шестигранная_(fn-65).m3d
    • icon-m3d
      Гайка шестигранная_(fn-69).m3d
    • icon-m3d
      Деталь_(fn-13).m3d
    • icon-m3d
      Деталь_(fn-31).m3d
    • icon-m3d
      Деталь_(fn-32).m3d
    • icon-m3d
      Деталь_(fn-33).m3d
    • icon-m3d
      Деталь_(fn-62).m3d
    • icon-m3d
      Деталь_(fn-63).m3d
    • icon-m3d
      Деталь_(fn-64).m3d
    • icon-m3d
      Деталь_(fn-68).m3d
    • icon-m3d
      Ду20 L=490 мм - Рамка водоуказательная 12кч11бк_(fn-14).m3d
    • icon-m3d
      ОСТ 26.260.460-99 Бобышка тип 1 и 2_(fn-11).m3d
    • icon-m3d
      Ребро жесткости@Нестандартный лист@100 x 50 S = 2 мм_(fn-7).m3d
    • icon-a3d
      Сборка_(fn-26).a3d
    • icon-a3d
      Сборка_(fn-30).a3d
    • icon-a3d
      Сборка_(fn-46).a3d
    • icon-m3d
      Тело 3_(fn-67).m3d
    • icon-m3d
      Тройник_(fn-10).m3d
    • icon-a3d
      ФС.00.000.000 - Фильтр-сепаратор_(fn-1).a3d
    • icon-png
      ФС.00.000.000 - Фильтр-сепаратор_(fn-1).png
    • icon-step
      ФС.00.000.000 - Фильтр-сепаратор_(fn-1).stp
    • icon-a3d
      ФС.00.000.001 - Трубка импульсная_(fn-16).a3d
    • icon-a3d
      ФС.00.000.002 - Трубка импульсная_(fn-15).a3d
    • icon-a3d
      ФС.01.000.000 - Фланец верхний_(fn-34).a3d
    • icon-a3d
      ФС.01.001.000 - Секция каплеотбойника_(fn-35).a3d
    • icon-m3d
      ФС.01.001.001 - Кольцо@@Труба $d146 х 5 х 4 ГОСТ 8645-68;В 20 ГОСТ 13633-86$_(fn-36).m3d
    • icon-m3d
      ФС.01.001.002 - Профиль_(fn-37).m3d
    • icon-m3d
      ФС.01.001.003 - Профиль_(fn-40).m3d
    • icon-m3d
      ФС.01.001.004 - Профиль_(fn-38).m3d
    • icon-m3d
      ФС.01.001.005 - Профиль_(fn-39).m3d
    • icon-m3d
      ФС.01.001.006 - Профиль_(fn-41).m3d
    • icon-a3d
      ФС.01.003.000 - Нормализатор потока_(fn-42).a3d
    • icon-m3d
      ФС.01.003.001 - Труба_(fn-43).m3d
    • icon-m3d
      ФС.01.003.002 - Кольцо $d62 х 50 х 4 ГОСТ 8645-68;В 20 ГОСТ 13633-86$_(fn-44).m3d
    • icon-a3d
      ФС.01.003.100 - Секция рассекателя_(fn-45).a3d
    • icon-m3d
      ФС.01.003.102 - 1-Профиль@Полоса $d 25x4 ГОСТ 103-2006;09Г2С ГОСТ 19281-2014$@L = 174 мм_(fn-60).m3d
    • icon-m3d
      ФС.01.003.103 - 2-Профиль@Полоса $d 25x4 ГОСТ 103-2006;09Г2С ГОСТ 19281-2014$@L = 174 мм_(fn-54).m3d
    • icon-m3d
      ФС.01.003.104 - 3-Профиль@Полоса $d 25x4 ГОСТ 103-2006;09Г2С ГОСТ 19281-2014$@L = 174 мм_(fn-53).m3d
    • icon-m3d
      ФС.01.003.105 - 6-Профиль@Полоса $d 25x4 ГОСТ 103-2006;09Г2С ГОСТ 19281-2014$@L = 174 мм_(fn-50).m3d
    • icon-a3d
      ФС.02.000.000 - Обечайка_(fn-24).a3d
    • icon-m3d
      ФС.02.000.001 - Труба $d 159x4.5 ГОСТ 8732-78;20 ГОСТ 8731-74$@@L = 865 мм_(fn-28).m3d
    • icon-m3d
      ФС.02.000.002 - Профиль@Труба $d 159x4.5 ГОСТ 8732-78;20 ГОСТ 8731-74$@L = 500 мм_(fn-25).m3d
    • icon-m3d
      ФС.02.000.003 - Вставка_(fn-27).m3d
    • icon-a3d
      ФС.02.001.000 - Линия газовая_(fn-29).a3d
    • icon-a3d
      ФС.03.000.000 - Опора_(fn-17).a3d
    • icon-m3d
      ФС.03.000.001 - Профиль@@Швеллер $d 60x60x3 ГОСТ 8278-83;20 ГОСТ 11474-76$L = 100 мм_(fn-19).m3d
    • icon-m3d
      ФС.03.000.002 - Профиль@Швеллер $d 60x60x3 ГОСТ 8278-83;08кп ГОСТ 11474-76$@L = 100 мм_(fn-23).m3d
    • icon-m3d
      ФС.03.000.003 - Профиль_(fn-21).m3d
    • icon-m3d
      ФС.03.000.004 - Профиль_(fn-20).m3d
    • icon-m3d
      ФС.03.000.005 - Профиль_(fn-22).m3d
    • icon-m3d
      ФС.03.000.006 - Пластина 100х100 мм@@Лист $dБ-ПН-5 ГОСТ 19903-74;20-3-Т ГОСТ 1577-93$_(fn-18).m3d
    • icon-a3d
      ФС.04.000.000 - Фланец нижний_(fn-2).a3d
    • icon-a3d
      ФС.04.001.000 - Каплесборник_(fn-3).a3d
    • icon-a3d
      ФС.04.001.000 - Каплесборник_(fn-5).a3d
    • icon-m3d
      ФС.04.001.001 - Пластина_(fn-6).m3d
    • icon-m3d
      ФС.04.001.002 - Труба $d 25x2.5 ГОСТ 8732-78;20 ГОСТ 8731-74$L = 340 мм_(fn-4).m3d
    • icon-a3d
      ФС.04.002.000 - Заглушка_(fn-8).a3d
    • icon-a3d
      верх Ду20 - Запорное устройство 12кч11бк_(fn-61).a3d
    • icon-a3d
      низ Ду20 - Запорное устройство 12кч11бк_(fn-66).a3d
Чтобы скачать чертеж, 3D модель или проект, Вы должны зарегистрироваться и принять участие в жизни сайта. Посмотрите, как тут скачивать файлы
Отзывов пока нет
Чтобы оставить отзыв, необходимо войти
Войти с помощью:

Используя функцию входа через сторонние сервисы, Вы соглашаетесь на обработку персональных данных в соответствии с Политикой конфиденциальности