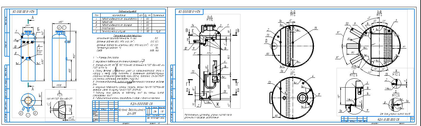
Колонка деаэрационная ДА-5М деаэраторов атмосферных. Чертеж общего вида со спецификацией
- Главная -
- Чертежи -
- Инженерные системы -
- Теплоснабжение -
- Колонка деаэрационная ДА-5
Колонка деаэрационная ДА-5
0
1
198
7
0
40

Сообщить о проблеме
Автор
Дата
24.06.2021
Язык
Русский
Состав
Чертеж общего вида
Софт
КОМПАС-3D 16.1
Как открыть?
Отзывов пока нет
Содержимое архива
Чтобы скачать чертеж, 3D модель или проект, Вы должны зарегистрироваться
и принять участие в жизни сайта. Посмотрите, как тут скачивать
файлы
Задания с фриланса
Отзывов пока нет
Чтобы задать вопрос, необходимо войти
Войти с помощью:
Ссылка на логин через google
Ссылка на логин через vk
Ссылка на логин через yandex