Перейти к содержимому
Войти

Проектирование системы отопления коровника на 100 голов

0
0
14
0
0
100

МИНИСТЕРСТВО СЕЛЬСКОГО ХОЗЯЙСТВА
РОССИЙСКОЙ ФЕДЕРАЦИИ
Федеральное государственное бюджетное образовательное
учреждение высшего образования «Курский государственный
аграрный университет имени И.И. Иванова»
Факультет инженерный
Кафедра «Электротехника и электроэнергетика»
Направление подготовки 35.03.06 Агроинженерия
Профиль: «Электрооборудование и электротехнологии в АПК»
КУРСОВОЙ ПРОЕКТ
по дисциплине «Электротехнологии в с/х производстве»
Проектирование системы отопления коровника на 100 голов
Расчитать электрокалориферную установку для коровника с исходными данными:

𝑁− 100 - число голов животных ;
𝑉0−18 - удельный объем помещения, м3/гол ;
𝐻−400 - напор воздуха вентилятора, Н/м2 ;
𝛩вн−14 температуру внутри помещения,0С ;
𝛩н−(−25) - среднюю температуру наружной среды,0С ;
𝛩ср−(−1,6) - среднюю температуру за отопительный период,°С ;
𝑞0−3,0 − тепловую характеристику помещения ;
Животные – Молодняк КРС на откорме, возраст>6мес., вес 400 кг .
Аннотация 4
Введение 5
1 Расчёт электрокалориферной установки 6
1.1 Определение мощности электрокалорифера 6
2 Тепловой расчёт нагревательных элементов 12
2.1 Выбор ТЭНа 12
2.2 Выбор вентилятора и определение мощности
электродвигателя для его привода 16
3 Выбор вентилятора и определение мощностиэлектродвигателя для его привода 18
3.1 Расчёт рабочих токов 18
3.2 Выбор кабеля и аппаратуры защиты 19
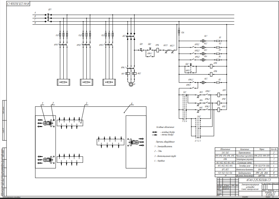
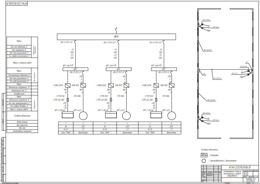
4 Расчет сети подключения, выбор аппаратуры управления и защиты 21
4.1 Требования к схеме управления установкой 21
4.2 Описание электрической схемы управления электрокалориферной установкой 21
Заключение 24
Список использованных источников 25


Сообщить о проблеме
Автор
user-avatar user-0680404
Дата
19.03.2026
Язык
Русский
Состав
чертежи, ПЗ
Софт
КОМПАС-3D 19,20 Как открыть?
Отзывов пока нет
Задать вопрос
Содержимое архива
  • icon-doc Kudinov (3).docx
  • icon-cdw Silovaya_skhema_Kudinov (1).cdw
  • icon-cdw Skhema_avtomatiki_Kudinov (1).cdw
Чтобы скачать чертеж, 3D модель или проект, Вы должны зарегистрироваться и принять участие в жизни сайта. Посмотрите, как тут скачивать файлы
Отзывов пока нет
Чтобы оставить отзыв, необходимо войти
Войти с помощью:

Используя функцию входа через сторонние сервисы, Вы соглашаетесь на обработку персональных данных в соответствии с Политикой конфиденциальности