Фланцы предназначены для соединения звеньев и фасонных частей воздуховодов при монтаже вентиляционных систем.
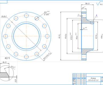
Фланец круглый.
Фланец прямоугольный из уголка.
Фланец прямоугольный на шине.
- Главная -
- Чертежи -
- Инженерные системы -
- Вентиляция и кондиционирование -
- Чертежи фланцев воздуховодов
Чертежи фланцев воздуховодов
0
297
20618
10
0
40

Сообщить о проблеме
Автор

Дата
02.09.2011
Язык
Русский
Состав
Сборочные чертежи
Софт
Кампас v.12
Отзывов пока нет
Содержимое архива
Чтобы скачать чертеж, 3D модель или проект, Вы должны зарегистрироваться
и принять участие в жизни сайта. Посмотрите, как тут скачивать
файлы
Отзывов пока нет
Чтобы задать вопрос, необходимо войти
Войти с помощью:
Ссылка на логин через google
Ссылка на логин через vk
Ссылка на логин через yandex