Перейти к содержимому
Войти

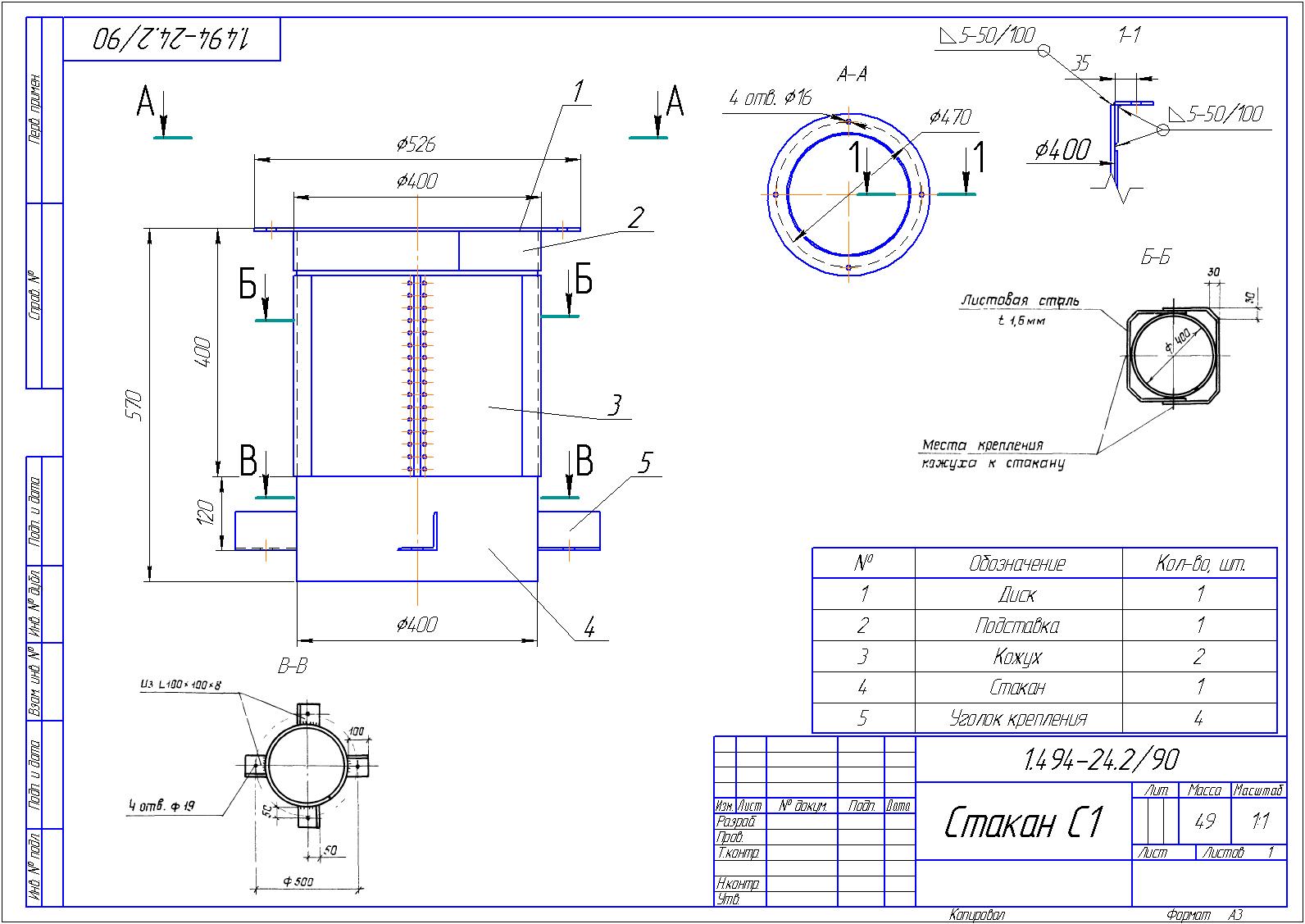
Стакан С1 для крепления крышных вентиляторов

0
87
983
2
1
20

Конструкции стаканов разработаны для крепления крышных вентиляторов применительно к зданиям
с покрытиями со стальным профилированным настилом по серии 1.494-24 выпуск 2/90.

От модератора: Куча картинок в чертежах! Не ждите от работы многое.


Сообщить о проблеме
Дата
06.10.2016
Язык
Русский
Состав
СБ, ВО, деталировка, спецификация. В чертежах картинки, растр.
Софт
КОМПАС-3D 15 Как открыть?
Отзывов пока нет
Задать вопрос
Содержимое архива
    • icon-cdw Вариант крепления кожуха к корпусу стакана _ 1.494-24.290сп.cdw
    • icon-cdw Диск _ 1.494-24.290-001.cdw
    • icon-cdw Кожух _ 1.494-24.290-003.cdw
    • icon-cdw Подставка _ 1.494.-24.290-002.cdw
    • icon-cdw Стакан _ 1.494-24.290-004.cdw
    • icon-cdw Стакан С1 _ 1.494-24.290.cdw
    • icon-jpg Стакан С1 _ 1.494-24.290.jpg
    • icon-cdw Уголок крепления _ 1.494-24.290-005.cdw
Чтобы скачать чертеж, 3D модель или проект, Вы должны зарегистрироваться и принять участие в жизни сайта. Посмотрите, как тут скачивать файлы
Отзывов пока нет
Чтобы оставить отзыв, необходимо войти
Войти с помощью:

Используя функцию входа через сторонние сервисы, Вы соглашаетесь на обработку персональных данных в соответствии с Политикой конфиденциальности