Перейти к содержимому
Войти

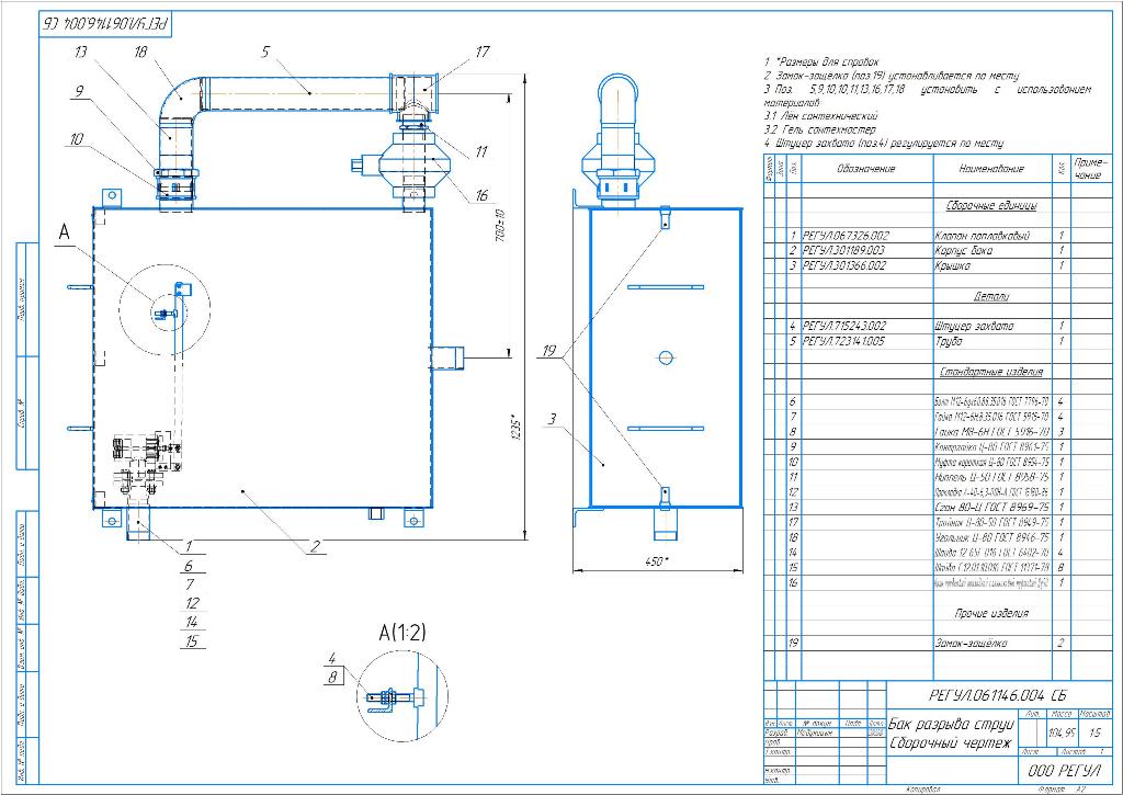
Бак разрыва струи

0
0
29
0
0
200

Корпус самого бака 0,9*0,7*0,4 м
Общая масса 105 кг
Внутри все модели и чертежи в редактируемом формате


Сообщить о проблеме
Автор
user-avatar user-0400888
Дата
31.03.2026
Язык
Русский
Состав
Модели сборки и всей деталировки, чертежи в компасе + пдф + развёртки в dxf, ведомость спецификаций в excel
Софт
КОМПАС-3D 22 Как открыть?
Отзывов пока нет
Задать вопрос
Содержимое архива
    • icon-m3d Заклепка 4,8х12х9,5 s=7.m3d
    • icon-m3d Замок-защёлка.m3d
    • icon-m3d Кольцо 008-10-14 ГОСТ 9833-73.m3d
    • icon-m3d Кольцо 045-050-30 ГОСТ 9833-73.m3d
    • icon-m3d Кран пробковый проходной сальниковый муфтовый Ду50.m3d
    • icon-m3d Переход 57х5-45х4 ГОСТ 17378-2001.m3d
    • icon-m3d Пластина I ТМКЩ-С-5 ГОСТ 7338-77.m3d
    • icon-a3d РЕГУЛ.061146.004 - Бак разрыва струи.a3d
    • icon-step РЕГУЛ.061146.004 - Бак разрыва струи.stp
    • icon-xls РЕГУЛ.061146.004 - Бак разрыва струи.xlsx
    • icon-cdw РЕГУЛ.061146.004 СБ - Бак разрыва струи.cdw
    • icon-jpg РЕГУЛ.061146.004 СБ - Бак разрыва струи.jpg
    • icon-pdf РЕГУЛ.061146.004 СБ - Бак разрыва струи.pdf
    • icon-a3d РЕГУЛ.067326.002 - Клапан поплавковый.a3d
    • icon-cdw РЕГУЛ.067326.002 СБ - Клапан поплавковый.cdw
    • icon-pdf РЕГУЛ.067326.002 СБ - Клапан поплавковый.pdf
    • icon-a3d РЕГУЛ.301189.003 - Корпус бака.a3d
    • icon-spw РЕГУЛ.301189.003 - Корпус бака.spw
    • icon-cdw РЕГУЛ.301189.003 СБ - Корпус бака.cdw
    • icon-pdf РЕГУЛ.301189.003 СБ - Корпус бака.pdf
    • icon-a3d РЕГУЛ.301232.003 - Корпус клапана.a3d
    • icon-cdw РЕГУЛ.301232.003 СБ - Корпус клапана.cdw
    • icon-pdf РЕГУЛ.301232.003 СБ - Корпус клапана.pdf
    • icon-a3d РЕГУЛ.301366.002 - Крышка.a3d
    • icon-spw РЕГУЛ.301366.002 - Крышка.spw
    • icon-cdw РЕГУЛ.301366.002 СБ - Крышка.cdw
    • icon-pdf РЕГУЛ.301366.002 СБ - Крышка.pdf
    • icon-a3d РЕГУЛ.302327.002 - Патрубок переходной.a3d
    • icon-spw РЕГУЛ.302327.002 - Патрубок переходной.spw
    • icon-cdw РЕГУЛ.302327.002 СБ - Патрубок переходной.cdw
    • icon-pdf РЕГУЛ.302327.002 СБ - Патрубок переходной.pdf
    • icon-cdw РЕГУЛ.713141.002 - Втулка.cdw
    • icon-m3d РЕГУЛ.713141.002 - Втулка.m3d
    • icon-pdf РЕГУЛ.713141.002 - Втулка.pdf
    • icon-cdw РЕГУЛ.713161.004 - Втулка.cdw
    • icon-m3d РЕГУЛ.713161.004 - Втулка.m3d
    • icon-pdf РЕГУЛ.713161.004 - Втулка.pdf
    • icon-cdw РЕГУЛ.713161.005 - Клапан.cdw
    • icon-m3d РЕГУЛ.713161.005 - Клапан.m3d
    • icon-pdf РЕГУЛ.713161.005 - Клапан.pdf
    • icon-cdw РЕГУЛ.713161.006 - Поршень.cdw
    • icon-m3d РЕГУЛ.713161.006 - Поршень.m3d
    • icon-pdf РЕГУЛ.713161.006 - Поршень.pdf
    • icon-cdw РЕГУЛ.713511.004 - Серьга.cdw
    • icon-m3d РЕГУЛ.713511.004 - Серьга.m3d
    • icon-pdf РЕГУЛ.713511.004 - Серьга.pdf
    • icon-m3d РЕГУЛ.713511.006 - Пробка.m3d
    • icon-cdw РЕГУЛ.715111.005 - Шток.cdw
    • icon-m3d РЕГУЛ.715111.005 - Шток.m3d
    • icon-pdf РЕГУЛ.715111.005 - Шток.pdf
    • icon-m3d РЕГУЛ.715141.005 - Бобышка.m3d
    • icon-cdw РЕГУЛ.715243.002 - Штуцер захвата.cdw
    • icon-m3d РЕГУЛ.715243.002 - Штуцер захвата.m3d
    • icon-pdf РЕГУЛ.715243.002 - Штуцер захвата.pdf
    • icon-cdw РЕГУЛ.723111.005 - Патрубок.cdw
    • icon-m3d РЕГУЛ.723111.005 - Патрубок.m3d
    • icon-pdf РЕГУЛ.723111.005 - Патрубок.pdf
    • icon-dxf РЕГУЛ.723111.006 - Отражатель (S=0,7 мм, ст.20 оц).dxf
    • icon-frw РЕГУЛ.723111.006 - Отражатель (S=0,7 мм, ст.20 оц).frw
    • icon-cdw РЕГУЛ.723111.006 - Отражатель.cdw
    • icon-m3d РЕГУЛ.723111.006 - Отражатель.m3d
    • icon-pdf РЕГУЛ.723111.006 - Отражатель.pdf
    • icon-dxf РЕГУЛ.723116.016 - Корпус (труба 70х8).dxf
    • icon-frw РЕГУЛ.723116.016 - Корпус (труба 70х8).frw
    • icon-cdw РЕГУЛ.723116.016 - Корпус.cdw
    • icon-m3d РЕГУЛ.723116.016 - Корпус.m3d
    • icon-pdf РЕГУЛ.723116.016 - Корпус.pdf
    • icon-cdw РЕГУЛ.723116.017 - Патрубок.cdw
    • icon-m3d РЕГУЛ.723116.017 - Патрубок.m3d
    • icon-pdf РЕГУЛ.723116.017 - Патрубок.pdf
    • icon-dxf РЕГУЛ.723121.006 - Патрубок (труба 45х4).dxf
    • icon-frw РЕГУЛ.723121.006 - Патрубок (труба 45х4).frw
    • icon-cdw РЕГУЛ.723121.006 - Патрубок.cdw
    • icon-m3d РЕГУЛ.723121.006 - Патрубок.m3d
    • icon-pdf РЕГУЛ.723121.006 - Патрубок.pdf
    • icon-cdw РЕГУЛ.723141.005 - Труба.cdw
    • icon-m3d РЕГУЛ.723141.005 - Труба.m3d
    • icon-pdf РЕГУЛ.723141.005 - Труба.pdf
    • icon-cdw РЕГУЛ.741121.014 - Стенка задняя.cdw
    • icon-m3d РЕГУЛ.741121.014 - Стенка задняя.m3d
    • icon-pdf РЕГУЛ.741121.014 - Стенка задняя.pdf
    • icon-dxf РЕГУЛ.741121.015 - Крышка (S=3 мм, ст.20).dxf
    • icon-frw РЕГУЛ.741121.015 - Крышка (S=3 мм, ст.20).frw
    • icon-cdw РЕГУЛ.741121.015 - Крышка.cdw
    • icon-m3d РЕГУЛ.741121.015 - Крышка.m3d
    • icon-pdf РЕГУЛ.741121.015 - Крышка.pdf
    • icon-dxf РЕГУЛ.741124.008 - Стенка правая (S=3 мм, ст.20).dxf
    • icon-frw РЕГУЛ.741124.008 - Стенка правая (S=3 мм, ст.20).frw
    • icon-cdw РЕГУЛ.741124.008 - Стенка правая.cdw
    • icon-m3d РЕГУЛ.741124.008 - Стенка правая.m3d
    • icon-pdf РЕГУЛ.741124.008 - Стенка правая.pdf
    • icon-dxf РЕГУЛ.741124.009 - Стенка левая (S=3 мм, ст.20).dxf
    • icon-frw РЕГУЛ.741124.009 - Стенка левая (S=3 мм, ст.20).frw
    • icon-cdw РЕГУЛ.741124.009 - Стенка левая.cdw
    • icon-m3d РЕГУЛ.741124.009 - Стенка левая.m3d
    • icon-pdf РЕГУЛ.741124.009 - Стенка левая.pdf
    • icon-cdw РЕГУЛ.741134.012 - Рычаг.cdw
    • icon-m3d РЕГУЛ.741134.012 - Рычаг.m3d
    • icon-pdf РЕГУЛ.741134.012 - Рычаг.pdf
    • icon-cdw РЕГУЛ.741134.013 - Ушко.cdw
    • icon-m3d РЕГУЛ.741134.013 - Ушко.m3d
    • icon-pdf РЕГУЛ.741134.013 - Ушко.pdf
    • icon-cdw РЕГУЛ.741141.004 - Бобышка.cdw
    • icon-m3d РЕГУЛ.741141.004 - Бобышка.m3d
    • icon-pdf РЕГУЛ.741141.004 - Бобышка.pdf
    • icon-cdw РЕГУЛ.743221.003 - Ручка.cdw
    • icon-m3d РЕГУЛ.743221.003 - Ручка.m3d
    • icon-pdf РЕГУЛ.743221.003 - Ручка.pdf
    • icon-cdw РЕГУЛ.745212.009 - Уголок.cdw
    • icon-m3d РЕГУЛ.745212.009 - Уголок.m3d
    • icon-pdf РЕГУЛ.745212.009 - Уголок.pdf
    • icon-cdw РЕГУЛ.745212.010 - Уголок.cdw
    • icon-m3d РЕГУЛ.745212.010 - Уголок.m3d
    • icon-pdf РЕГУЛ.745212.010 - Уголок.pdf
    • icon-cdw РЕГУЛ.745212.010-01 - Уголок.cdw
    • icon-pdf РЕГУЛ.745212.010-01 - Уголок.pdf
    • icon-dxf РЕГУЛ.745331.003 - Стенка передняя (S=3мм, ст.20).dxf
    • icon-frw РЕГУЛ.745331.003 - Стенка передняя (S=3мм, ст.20).frw
    • icon-cdw РЕГУЛ.745331.003 - Стенка передняя.cdw
    • icon-m3d РЕГУЛ.745331.003 - Стенка передняя.m3d
    • icon-pdf РЕГУЛ.745331.003 - Стенка передняя.pdf
    • icon-dxf РЕГУЛ.745522.003 - Кронштейн (S=2 мм, ст.20 оц).dxf
    • icon-frw РЕГУЛ.745522.003 - Кронштейн (S=2 мм, ст.20 оц).frw
    • icon-cdw РЕГУЛ.745522.003 - Кронштейн.cdw
    • icon-m3d РЕГУЛ.745522.003 - Кронштейн.m3d
    • icon-pdf РЕГУЛ.745522.003 - Кронштейн.pdf
    • icon-m3d Сетка ПН-1 0,005х10х110 ГОСТ 19249-73.m3d
    • icon-m3d Тройник Ц-80-50 ГОСТ 8949-75.m3d
    • icon-m3d Угольник Ц-80 ГОСТ 8946-75.m3d
    • icon-m3d Фланец 1-40-6 ГОСТ 12820-80.m3d
    • icon-pdf серия 7.902-4 бак разрыва струи.pdf
Чтобы скачать чертеж, 3D модель или проект, Вы должны зарегистрироваться и принять участие в жизни сайта. Посмотрите, как тут скачивать файлы
Отзывов пока нет
Чтобы оставить отзыв, необходимо войти
Войти с помощью:

Используя функцию входа через сторонние сервисы, Вы соглашаетесь на обработку персональных данных в соответствии с Политикой конфиденциальности