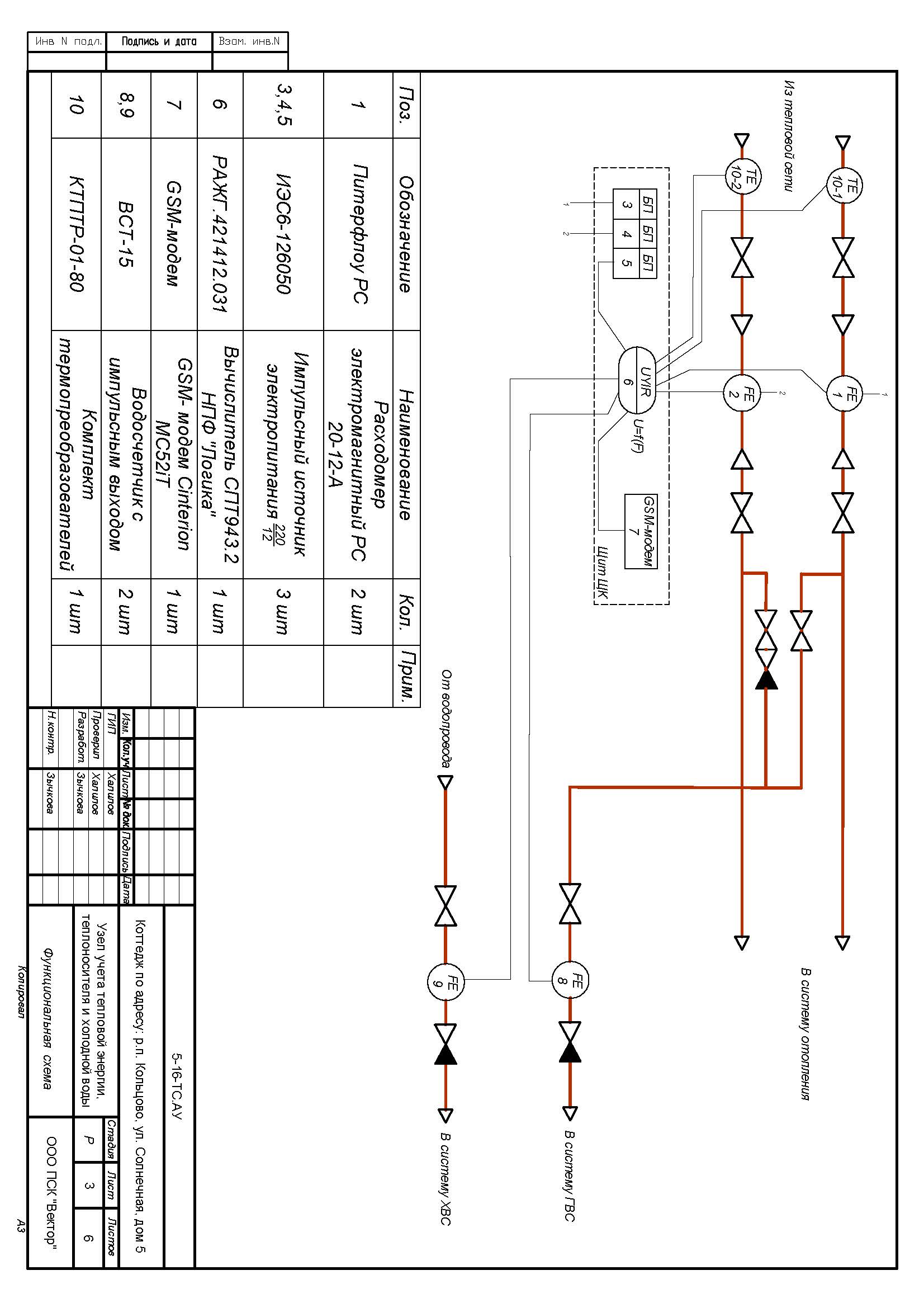
Узел учета тепловой энергии, теплоносителя и холодной воды включает: подбор приборов, монтажные схемы, функциональную схему, план расположения, расчет гидравлических потерь.
- Главная -
- Чертежи -
- Автоматизация и КИП -
- Проект узла учета тепловой энергии, теплоносителя и холодной воды
Проект узла учета тепловой энергии, теплоносителя и холодной воды
0
90
762
1
0
20
Сообщить о проблеме
Автор
Дата
04.09.2016
Язык
Русский
Состав
Тех. задание, Пояснительная записка, Функциональная схема, Схема подключений приборов и датчиков
Софт
AutoCAD 2015 SP2
Как открыть?
Отзывов пока нет
Содержимое архива
-
УУТВ_С_5.dwg
Чтобы скачать чертеж, 3D модель или проект, Вы должны зарегистрироваться
и принять участие в жизни сайта. Посмотрите, как тут скачивать
файлы
Отзывов пока нет
Чтобы оставить отзыв, необходимо войти
Войти с помощью:
Используя функцию входа через сторонние сервисы, Вы соглашаетесь на обработку персональных данных в соответствии с Политикой конфиденциальности
Используя функцию входа через сторонние сервисы, Вы соглашаетесь на обработку персональных данных в соответствии с Политикой конфиденциальности