Перейти к содержимому
Войти

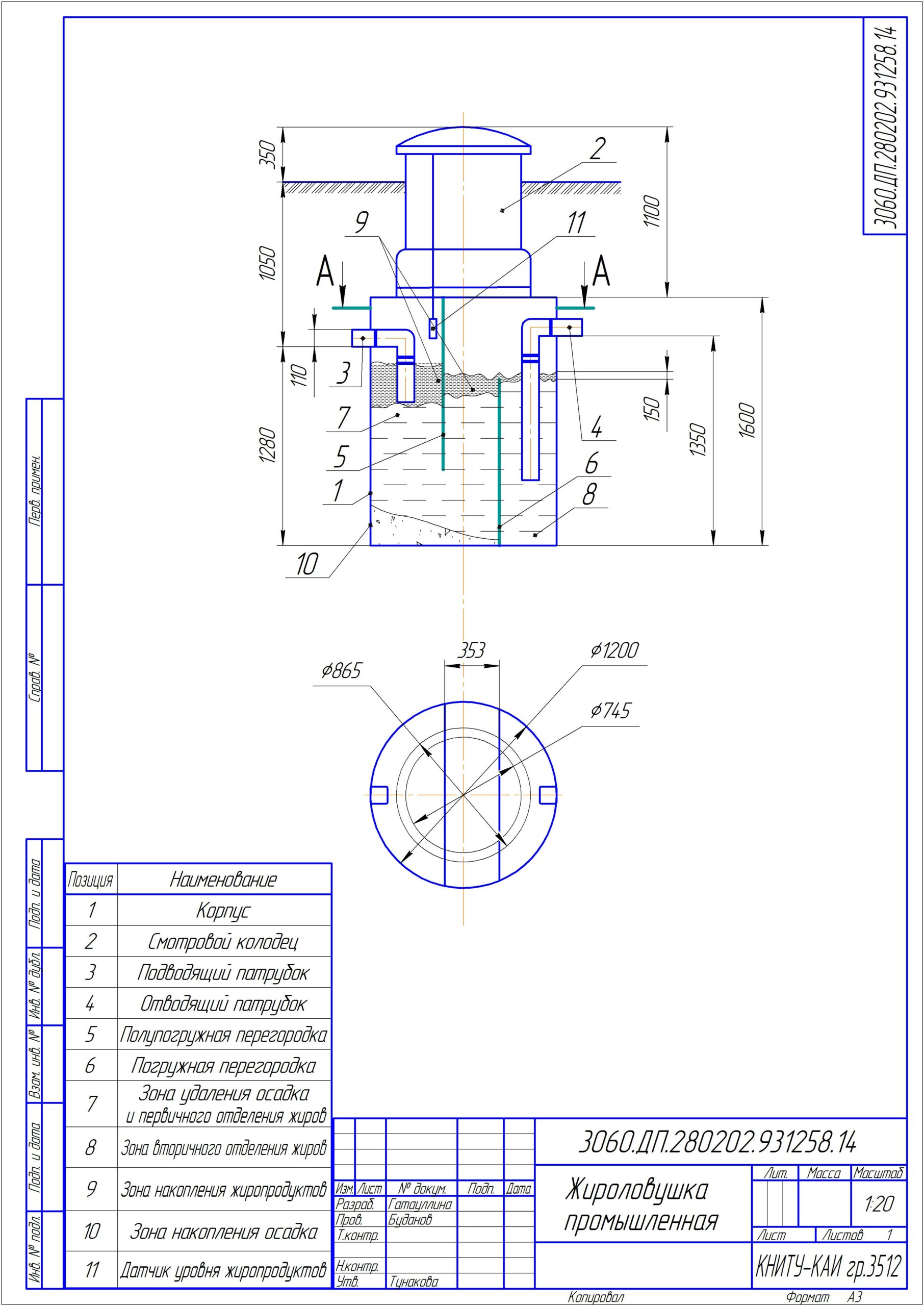
Жироловушка промышленная производительностью 5 л/с

0
269
17170
6
0
20

КНИТУ-КАИ им.Туполева, Кафедра общей химии и экологии, курсовой проект "Очистка сточных вод молочного комбината", Казань 2014

Жироловушка предназначена для очистки сточных вод пищевой промышленности от неэмульгированных жиров.Прототипов много, названий не знаю. производительность 5л/с.


Сообщить о проблеме
Дата
18.05.2014
Язык
Русский
Состав
Жироловушка(СБ), технологическая схема очистки сточных вод МСЗ"Кошкинский"
Софт
КОМПАС-3D V14 Как открыть?
Отзывов пока нет
Задать вопрос
Содержимое архива
  • icon-cdw Жироловушка промышленная _ 3060.ДП.280202.931258.14.cdw
  • icon-doc работа.docx
Чтобы скачать чертеж, 3D модель или проект, Вы должны зарегистрироваться и принять участие в жизни сайта. Посмотрите, как тут скачивать файлы
Отзывов пока нет
Чтобы оставить отзыв, необходимо войти
Войти с помощью:

Используя функцию входа через сторонние сервисы, Вы соглашаетесь на обработку персональных данных в соответствии с Политикой конфиденциальности