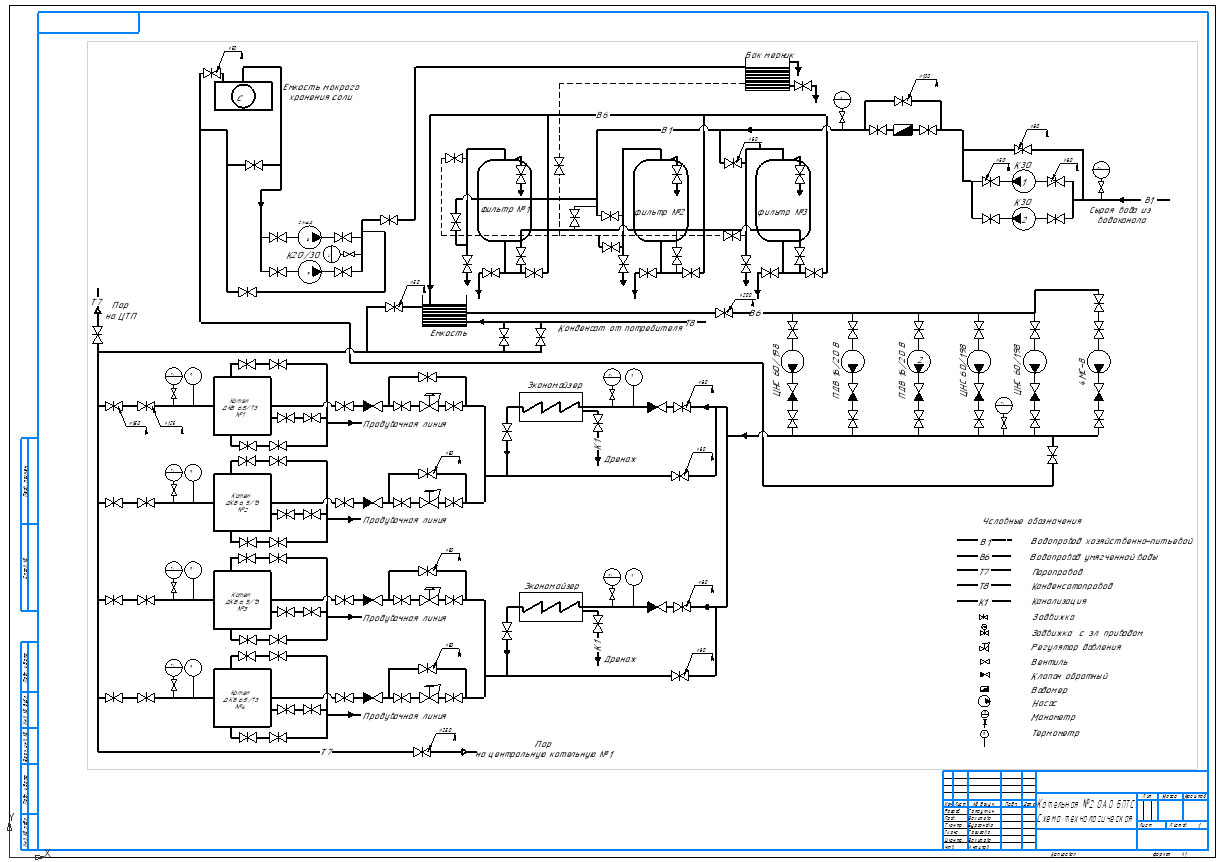
Схема котельной. +водоподготовка Котельная №2 ОАО БПТС.
- Главная -
- Чертежи -
- Машиностроение и механика -
- Чертеж. Технологическая схема котельной с 4-мя котлами
Чертеж. Технологическая схема котельной с 4-мя котлами
0
329
4063
13
1
20
Сообщить о проблеме
Автор
Дата
20.05.2011
Язык
Русский
Состав
Схема технологическая
Софт
КОМПАС-3D 13.2
Как открыть?
Отзывов пока нет
Содержимое архива
-
Чертеж.cdw
Чтобы скачать чертеж, 3D модель или проект, Вы должны зарегистрироваться
и принять участие в жизни сайта. Посмотрите, как тут скачивать
файлы
Отзывов пока нет
Чтобы оставить отзыв, необходимо войти
Войти с помощью:
Используя функцию входа через сторонние сервисы, Вы соглашаетесь на обработку персональных данных в соответствии с Политикой конфиденциальности
Файл в Компасе, но с защитой, он же не открывается, так не честно!
Администратор, почему проконтролировали?
Компас v13 открыл без проблем. Читаем правила.
Используя функцию входа через сторонние сервисы, Вы соглашаетесь на обработку персональных данных в соответствии с Политикой конфиденциальности