Перейти к содержимому
Войти

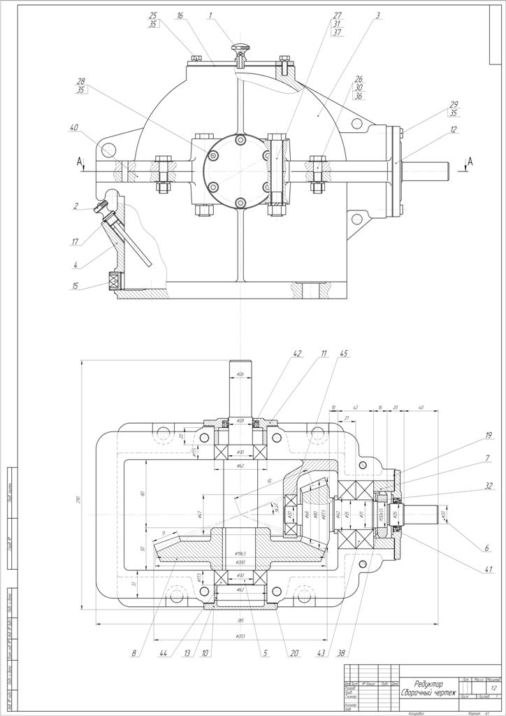
Проектирование одноступенчатого конического редуктора общего назначения с прямозубыми колесами.

0
2
831
1
0
150

Учебное заведение неизвестно, работа выполнялась в 2018г. по техническому заданию.

В данной работе стоит задача рассчитать и спроектировать одноступенчатый конический редуктор общего назначения с прямозубыми колесами.
Исходные данные для проектирования:
- мощность на тихоходном валу редуктора Р2=2.8 кВт;
- частота вращения тихоходного вала n2=380 Нм;
- нагрузка переменная с умеренными толчками.
Редуктор проектируется для мелкосерийного изготовления с реверсивной передачей.
Содержание:
Техническое задание.
Выбор электродвигателя и кинематический расчет.
Выбор марки материала и назначение химико-термической обработ-ки зубьев, определение допускаемых напряжений.
Вычисление параметров передачи, назначение степени точности и определение сил, действующих в зацеплении.
Проверочный расчет на контактную и изгибную выносливость зубь-ев.
Ориентировочный расчет валов. Конструктивные размеры зубчатой пары.
Конструктивные размеры элементов корпуса и компоновка редукто-ра.
Тип и размеры подшипников качения.
Проверка прочности валов.
Подбор шпонок и проверочный расчет шпоночных соединений.
Подбор подшипников.
Посадки деталей и сборочных единиц редуктора.
Смазка зубчатых колес и подшипников.
Список используемой литературы
Графическая часть 1 лист формата А1 Редуктор сборочный чертеж, спецификация.


Сообщить о проблеме
Дата
11.01.2019
Язык
Русский
Состав
Редуктор (СБ), Спецификация. РПЗ.
Софт
КОМПАС-3D 16 Как открыть?
Отзывов пока нет
Задать вопрос
Содержимое архива
  • icon-cdw Редуктор А1 1.cdw
  • icon-doc Редуктор конический Устюгов пересчет.docx
  • icon-cdw Редуктор спец..cdw
Чтобы скачать чертеж, 3D модель или проект, Вы должны зарегистрироваться и принять участие в жизни сайта. Посмотрите, как тут скачивать файлы
Отзывов пока нет
Чтобы оставить отзыв, необходимо войти
Войти с помощью:

Используя функцию входа через сторонние сервисы, Вы соглашаетесь на обработку персональных данных в соответствии с Политикой конфиденциальности