Перейти к содержимому
Войти

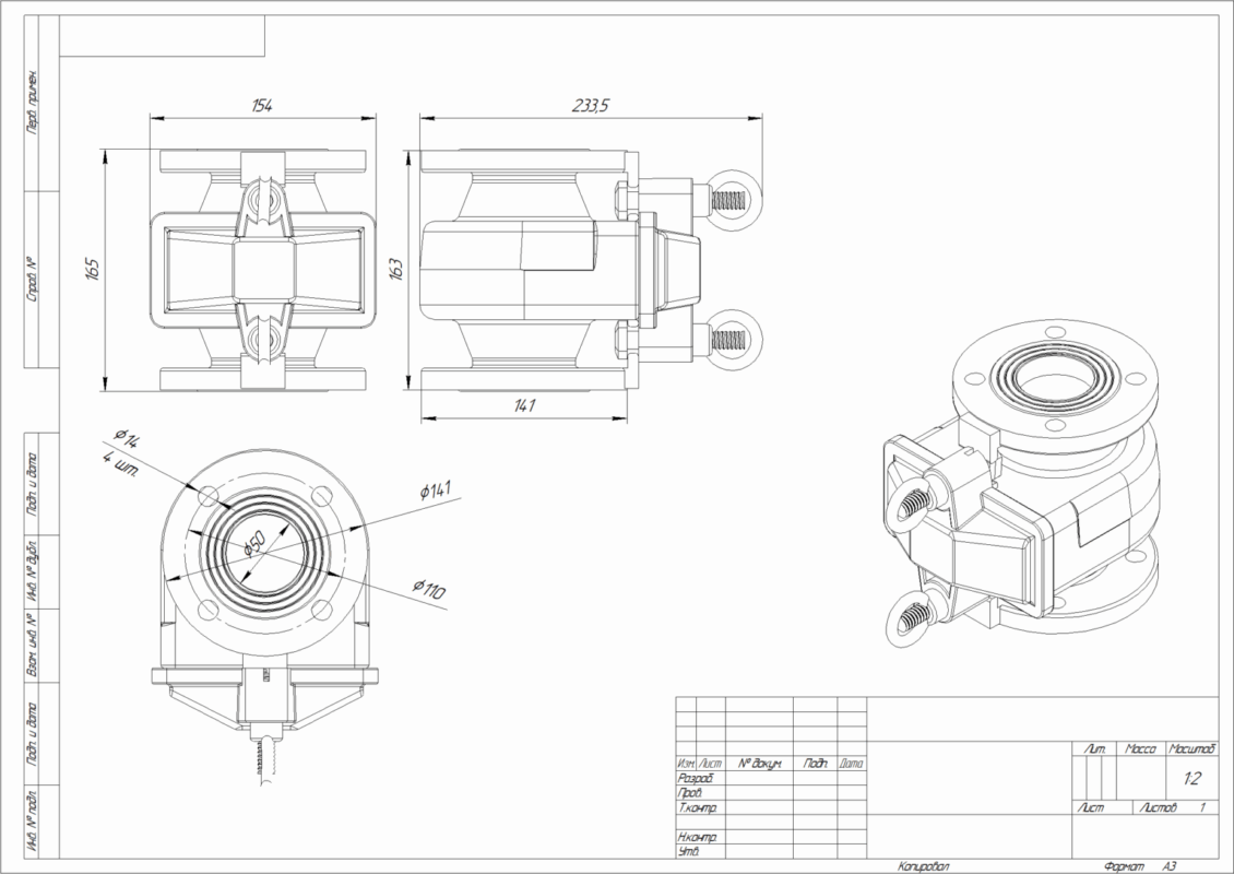
Газовый фильтр DN80 и DN50

0
0
22
0
0
80

Газовый фильтр DN80
Габаритные размеры (ДхШхВ): 258 х 186 х 167 мм

Газовый фильтр DN50
Габаритные размеры в сборе (ДхШхВ): 234 х 154 х 165 мм


Сообщить о проблеме
Дата
23.11.2025
Язык
Русский
Состав
3D модель
Софт
КОМПАС-3D 23 Как открыть?
Отзывов пока нет
Задать вопрос
Содержимое архива
      • icon-m3d
        Болт ф12.m3d
      • icon-m3d
        Винт.m3d
      • icon-m3d
        Деталь.m3d
      • icon-m3d
        Деталь 2.m3d
      • icon-a3d
        Сборка.a3d
      • icon-step
        Сборка.stp
      • icon-m3d
        Болт ф12.m3d
      • icon-m3d
        Винт.m3d
      • icon-m3d
        Деталь.m3d
      • icon-m3d
        Деталь 2.m3d
      • icon-a3d
        Сборка.a3d
      • icon-step
        Сборка.stp
Чтобы скачать чертеж, 3D модель или проект, Вы должны зарегистрироваться и принять участие в жизни сайта. Посмотрите, как тут скачивать файлы
Отзывов пока нет
Чтобы оставить отзыв, необходимо войти
Войти с помощью:

Используя функцию входа через сторонние сервисы, Вы соглашаетесь на обработку персональных данных в соответствии с Политикой конфиденциальности