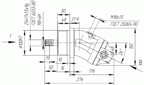
3Д модель гидромотора МГ 2.28/32.1Б—310.2.28.01.03 в масштабе 1:1
Тех. характеристики:
Вид конструкции: поршневые.
Вид управления: нерегулируемые.
Тип угла между осями: аксиально-поршневые.
Рабочий объём: 28 см³.
Вращение: реверсивное.
Частота вращения: номинальная — 32 об/с, максимальная — 80 об/с, минимальная — 0,41 об/с.
Номинальный расход: 56,6 л/мин.
Давление на выходе: номинальное — 20 МПа, максимальное — 20 МПа.
Давление на входе: номинальное — 20 МПа, максимальное — 32 МПа.
Перепад давлений: номинальный — 20 МПа.
Давление дренажа максимальное: 0,2(2) МПа.
Коэффициент подачи: 95%.
Гидромеханический КПД: 96%.
Номинальная мощность эффективная: 16,8 кВт.
Крутящий момент: номинальный — 83 Н·м.
Масса (без рабочей жидкости): 12 кг.
Исполнение вала: шпонка.
Аналог: 310.2.28.01.03, 310.4.28.01.03.
- Главная -
- Чертежи -
- Машиностроение и механика -
- Гидравлика и пневматика -
- Гидромотор МГ 2.28/32.1Б (Аналог 310.2.28.01.03)
Гидромотор МГ 2.28/32.1Б (Аналог 310.2.28.01.03)
0
0
46
0
0
20
Сообщить о проблеме
Автор
Дата
17.11.2025
Язык
Русский
Состав
3Д модель
Софт
КОМПАС-3D 22
Как открыть?
Отзывов пока нет
Содержимое архива
-
Гидромотор МГ 2.28-32.m3d
-
Гидромотор МГ 2.28-32.stp
Чтобы скачать чертеж, 3D модель или проект, Вы должны зарегистрироваться
и принять участие в жизни сайта. Посмотрите, как тут скачивать
файлы
Отзывов пока нет
Чтобы оставить отзыв, необходимо войти
Войти с помощью:
Используя функцию входа через сторонние сервисы, Вы соглашаетесь на обработку персональных данных в соответствии с Политикой конфиденциальности
Используя функцию входа через сторонние сервисы, Вы соглашаетесь на обработку персональных данных в соответствии с Политикой конфиденциальности