Перейти к содержимому
Войти

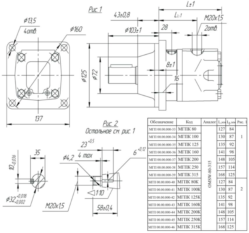
Мотор гидравлический планетарный МГПК-315К Омскгидропривод (аналоги: OMSW 315, ziHYD BM3WY-315, BMSW 315, MSW 315)

1
0
154
19
0
20

Мотор гидравлический планетарный МГПК-315К производства Омскгидропривод
(аналоги: OMSW 315, ziHYD BM3WY-315, BMSW 315, MSW 315).

Эта 3D-модель предназначена для компоновки, проектирования и визуализации гидравлических систем и другого оборудования. Модель параметризированная.

ПРИМЕЧАНИЯ
- Технические характеристики и габаритный чертёж (приложены в формате JPG) взяты с официального сайта производителя.
- Некоторые размеры 3D-модели выполнены по реальному изделию и могут отличаться от данных габаритного чертежа.
- Приведённые ниже технические характеристики взяты с официального сайта производителя.

ТЕХНИЧЕСКИЕ ХАРАКТЕРИСТИКИ
- Рабочий объём: 314,9 см³
- Номинальное давление: 21 МПа
- Максимальное давление: 25 МПа
- Номинальный крутящий момент: 560 Н·м
- Частота вращения номинальная: 83 об/мин
- Частота вращения максимальная: 210 об/мин
- Частота вращения минимальная: 6 об/мин
- Масса: 12,3 кг

Буду рад вашим комментариям! Пишите замечания, предложения и благодарности.
Спасибо за внимание!


Сообщить о проблеме
Дата
13.10.2025
Язык
Русский
Состав
Модель одной деталью
Софт
КОМПАС-3D 23 Как открыть?
Отзывов пока нет
Задать вопрос
Содержимое архива
  • icon-jpg Габаритный чертеж МГПК.jpg
  • icon-m3d МГПК 315К.m3d
  • icon-step МГПК 315К.stp
  • icon-jpg Технические характеристики МГПК.jpg
Чтобы скачать чертеж, 3D модель или проект, Вы должны зарегистрироваться и принять участие в жизни сайта. Посмотрите, как тут скачивать файлы
Отзывов пока нет
Чтобы оставить отзыв, необходимо войти
Войти с помощью:

Используя функцию входа через сторонние сервисы, Вы соглашаетесь на обработку персональных данных в соответствии с Политикой конфиденциальности