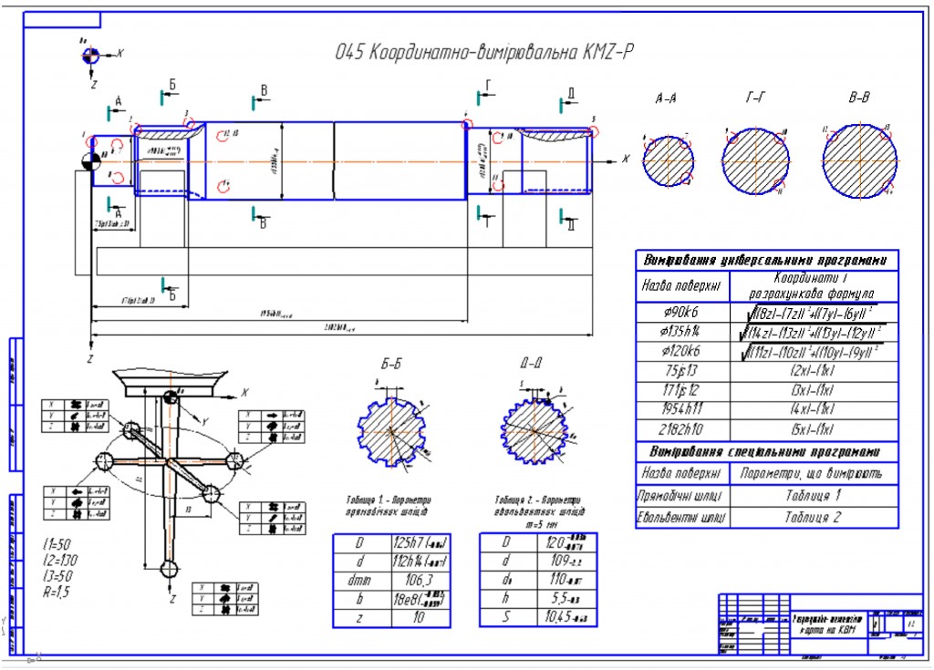
Чертёж координатно-измерительной операции. Измеряются диаметры, шлицы, линейные размеры.
- Главная -
- Чертежи -
- Машиностроение и механика -
- Координатно-измерительная операция (деталь вал)
Координатно-измерительная операция (деталь вал)
0
260
8110
6
0
40
Сообщить о проблеме
Автор
Дата
22.03.2012
Язык
Украинский
Состав
Расчетно-технологическая карта на КВМ
Софт
КОМПАС-3D 12
Как открыть?
Отзывов пока нет
Содержимое архива
-
А1 КВМ.cdw
Чтобы скачать чертеж, 3D модель или проект, Вы должны зарегистрироваться
и принять участие в жизни сайта. Посмотрите, как тут скачивать
файлы
Отзывов пока нет
Чтобы оставить отзыв, необходимо войти
Войти с помощью:
Используя функцию входа через сторонние сервисы, Вы соглашаетесь на обработку персональных данных в соответствии с Политикой конфиденциальности
Используя функцию входа через сторонние сервисы, Вы соглашаетесь на обработку персональных данных в соответствии с Политикой конфиденциальности