Файлы содержат следующие данные:
-Схема электрическая принципиальная устройства (полная) с перечнем элементов на чертеже в.т.ч. марки всех разъемных соединений и модулей;
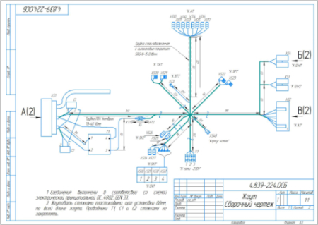
-Сборочный чертёж жгута 4.839-224.0 и таблицу соединений на чертеже с указанием сечений, цветов изоляции и марки проводников.
Применяются для ремонта, обслуживания или восстановления блока.
- Главная -
- Чертежи -
- Машиностроение и механика -
- Приборостроение -
- Бытовая техника -
- Пароочиститель Karcher DE 4002 (1.092-103.0) схема электрическая принципиальная
Пароочиститель Karcher DE 4002 (1.092-103.0) схема электрическая принципиальная
0
0
41
0
0
80
1.092-103.0
4.839-224.0
Karcher DE4002
жгут.
п
Пароочиститель
Ремонт
Схема электрическая принципиальная
Сообщить о проблеме
Автор
Дата
08.04.2026
Язык
Русский
Состав
Схема электрическая принципиальная (Э3), Сборочный чертёж жгута
Софт
КОМПАС-3D 23
Как открыть?
Отзывов пока нет
Содержимое архива
-
-
-
4.839-224.0СБ Жгут.pdf
-
DE_4002_GEN Э3 Пароочиститель Karcher DE 4002.pdf
-
-
-
4.839-224.0СБ Жгут.cdw
-
DE_4002_GEN Э3 Пароочиститель Karcher DE 4002.cdw
-
-
Чтобы скачать чертеж, 3D модель или проект, Вы должны зарегистрироваться
и принять участие в жизни сайта. Посмотрите, как тут скачивать
файлы
Отзывов пока нет
Чтобы оставить отзыв, необходимо войти
Войти с помощью:
Используя функцию входа через сторонние сервисы, Вы соглашаетесь на обработку персональных данных в соответствии с Политикой конфиденциальности
Используя функцию входа через сторонние сервисы, Вы соглашаетесь на обработку персональных данных в соответствии с Политикой конфиденциальности