Перейти к содержимому
Войти

Проектирование козлового крана 8 т

0
0
68
0
0
150

МИНИСТЕРСТВО ТРАНСПОРТА РОССИЙСКОЙ ФЕДЕРАЦИИ
ФЕДЕРАЛЬНОЕ ГОСУДАРСТВЕННОЕ АВТОНОМНОЕ ОБРАЗОВАТЕЛЬНОЕ УЧРЕЖДЕНИЕ ВЫСШЕГО ОБРАЗОВАНИЯ «РОССИЙСКИЙ УНИВЕРСИТЕТ ТРАНСПОРТА» (РУТ МИИТ)
______________________________________________________
Кафедра «Наземные транспортно-технологические средства»
Курсовой проект
по дисциплине: «Грузоподъёмные машины»
на тему: «Проектирование козлового крана»
, 2024

Проектирование козлового крана и его механизмов (механизм подъёма; механизм передвижения крана).

Исходные данные:
Грузоподъёмность: 8 т
Пролёт: 25 м
Скорость подъёма груза: 8 м/мин
Скорость передвижения тележки: 50 м/мин
Скорость передвижения крана: 30 м/мин
Высота подъёма груза: 12 м
Режим работы: Тяжёлый

Содержание работы:
Введение 5
1. Обзор конструкции 6
2. Режимы работы механизмов 14
2.1. Определение группы режимов работы (ГРР) механизма подъема 14
3. Механизм подъёма 16
3.1. Кинематическая схема 16
3.2. Выбор схемы полиспаста 16
3.3. КПД полиспаста 17
3.4. Формирование приближенной структуры лебедки механизма подъема груза 17
3.5. Расчет и выбор гибкого элемента полиспаста (каната или цепи) 19
3.6. Выбор крюковой подвески 21
3.7. Крановый барабан 22
3.8. Определяем длину каната 24
3.9. Крепление каната на барабане 24
3.10. Выбор двигателя 24
3.11. Выбор редуктора 26
3.12. Находим статический крутящий момент на быстроходном валу 28
3.13. Подбираем тормоз 28
3.14. Выбор муфт 29
3.15. Проверка условий работы выбранного электродвигателя 30
3.16. Проверка условий работы выбранного тормоза 31
4. Механизм передвижения тележки 33
4.1. Кинематическая схема 33
4.2. Выбор типоразмера ходовых колёс и их расчёт 33
4.3. Выбор подтележечного (подкранового) рельса 34
4.4. Выбор колеса 34
4.5. Определение сопротивлений передвижению 35
4.6. Выбор двигателя 36
4.7. Выбор редуктора 37
4.8. Находим статический крутящий момент на быстроходном валу 38
4.9. Подбираем тормоз 38
4.10. Выбор муфт 40
4.11. Проверка условий работы выбранного электродвигателя 41
4.12. Проверка условий работы выбранного тормоза 42
5. Механизм передвижения крана 43
5.1. Кинематическая схема 43
5.2. Выбор типоразмера ходовых колёс и их расчёт 43
5.3. Выбор подкранового рельса 44
5.4. Выбор колеса 44
5.5. Определение сопротивлений передвижению 44
5.6. Выбор двигателя 45
5.7. Выбор редуктора 46
5.8. Находим статический крутящий момент на быстроходном валу 47
5.9. Подбираем тормоз 47
5.10. Выбор муфты 48
5.11. Проверка условий работы выбранного электродвигателя 48
5.12. Проверка условий работы выбранного тормоза 49
6. Компонование механизмов на тележке 51
7. Проверка моста козлового крана на прочность 53
Заключение 61
Список литературы 62


Сообщить о проблеме
Автор
user-avatar Денис
Дата
24.01.2026
Язык
Русский
Состав
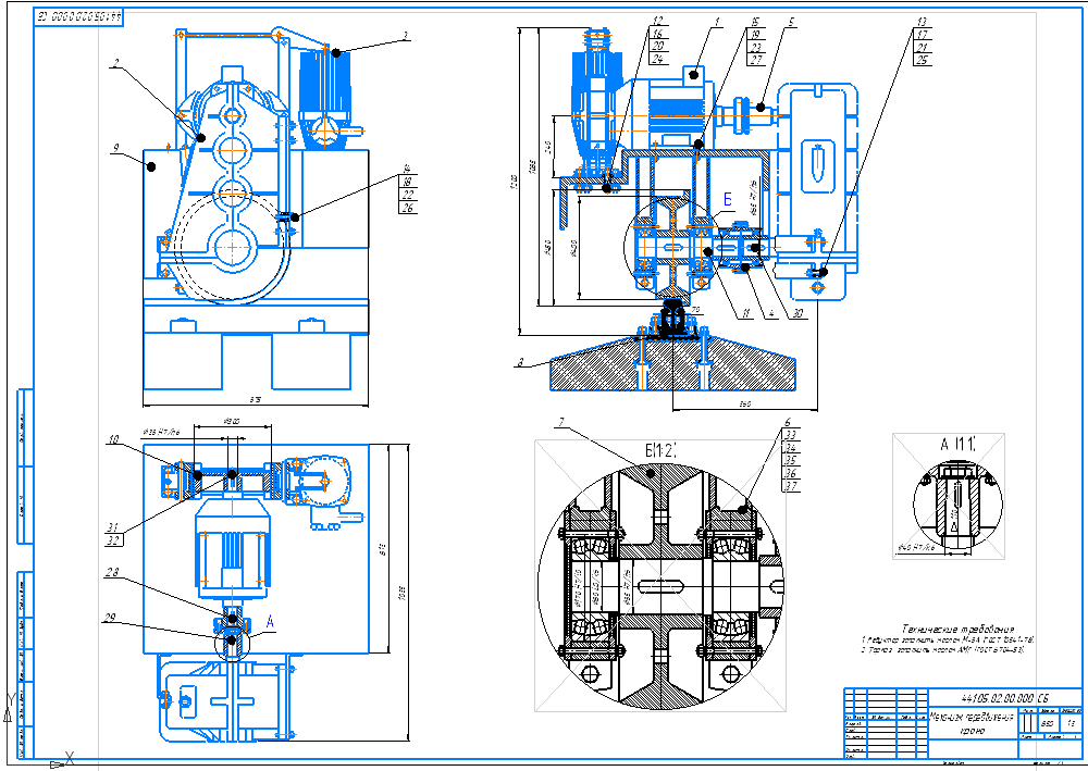
Пояснительная записка Чертежи и спецификации: 1. Общий вид козлового крана (формат А1; Компас 3Д); 2. Спецификация к общему виду козлового крана; 3. Механизм подъёма (формат А1; Компас 3Д); 4. Спецификация к механизму подъёма; 5. Механизм передвижения крана (формат А1; Компас 3Д); 6. Спецификация к механизму передвижения крана.
Софт
КОМПАС-3D 23 Как открыть?
Отзывов пока нет
Задать вопрос
Содержимое архива
  • icon-cdw Козловой кран.cdw
  • icon-cdw Механизм передвижения крана.cdw
  • icon-cdw Механизм подъёма.cdw
  • icon-doc Пояснительная записка.docx
  • icon-spw Спецификация Козловой кран.spw
  • icon-spw Спецификация механизм передвижения крана.spw
  • icon-spw Спецификация механизм подъёма.spw
Чтобы скачать чертеж, 3D модель или проект, Вы должны зарегистрироваться и принять участие в жизни сайта. Посмотрите, как тут скачивать файлы
Отзывов пока нет
Чтобы оставить отзыв, необходимо войти
Войти с помощью:

Используя функцию входа через сторонние сервисы, Вы соглашаетесь на обработку персональных данных в соответствии с Политикой конфиденциальности