Перейти к содержимому
Войти

Разработка балки тельфера Q=5т

0
3
86
1
0
150

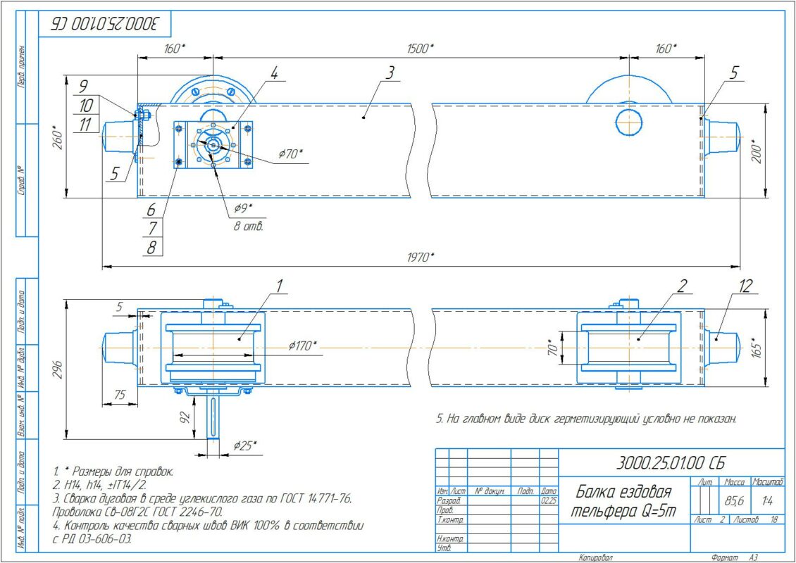
В работе рассмотрена конструкция балки двухбалочного тельфера грузоподъёмностью 5т.
1500 между валами, 1970 габарит. Чертежи достаточные для изготовления балки ходовой тельфера. В 3д только сама балка. На лазер представлены только детали из листового проката.


Сообщить о проблеме
Дата
06.11.2025
Язык
Русский
Состав
Балка ездовая тельфера (ВО), Ездовой узел(ВО), Холостой узел(ВО), Спецификация. 18 листов.
Софт
КОМПАС-3D 22 Как открыть?
Отзывов пока нет
Задать вопрос
Содержимое архива
      • icon-m3d 3000.25.02.01 Ось.m3d
      • icon-m3d 3000.25.02.02 Колесо ходовое.m3d
      • icon-m3d 3000.25.02.03 Диск зубчатый.m3d
      • icon-m3d 3000.25.02.04 Втулка.m3d
      • icon-m3d 3000.25.02.05 Пластина.m3d
      • icon-m3d 3000.25.02.06 Диск герметизирующий.m3d
      • icon-m3d 3000.25.02.07 Вал-шестерня.m3d
      • icon-m3d 3000.25.02.08 Шайба.m3d
      • icon-m3d 3000.25.03.02 Колесо холостое.m3d
      • icon-a3d 3000.25.04.00 СБ Балка тельфера.a3d
      • icon-m3d 3000.25.04.01 Балка.m3d
      • icon-m3d 3000.25.04.02 Фланец присоед..m3d
      • icon-m3d 3000.25.04.03 Лист лобовой.m3d
      • icon-dxf 3000.25.02.03 Диск зубчатый-1шт.-20мм-Сталь 45-пов. точн..dxf
      • icon-dxf 3000.25.02.05 Пластина-2шт.-6мм-Ст3пс-норм. точн..dxf
      • icon-dxf 3000.25.02.08 Шайба-1шт.-5мм-Ст3пс-норм. точн..dxf
      • icon-dxf 3000.25.04.02 Фланец присоед.-1шт.-4мм.-09Г2С-норм точн..dxf
    • icon-spw 3000.25.01.00 Балка езд. тельфера.spw
    • icon-cdw 3000.25.01.00 СБ Балка езд. тельфера.cdw
    • icon-jpg 3000.25.01.00 СБ Балка езд. тельфера.jpg
    • icon-spw 3000.25.02.00 Ездовой узел.spw
    • icon-cdw 3000.25.02.00 СБ Ездовой узел.cdw
    • icon-cdw 3000.25.02.01 Ось.cdw
    • icon-cdw 3000.25.02.02 Колесо ходовое.cdw
    • icon-cdw 3000.25.02.03 Диск зубчатый.cdw
    • icon-frw 3000.25.02.03 Диск зубчатый.frw
    • icon-cdw 3000.25.02.04 Втулка.cdw
    • icon-cdw 3000.25.02.05 Пластина.cdw
    • icon-cdw 3000.25.02.06 Диск герметизирующий.cdw
    • icon-cdw 3000.25.02.07 Вал-шестерня.cdw
    • icon-cdw 3000.25.02.08 Шайба.cdw
    • icon-cdw 3000.25.03.00 СБ Холостой узел.cdw
    • icon-spw 3000.25.03.00 Холостой узел.spw
    • icon-cdw 3000.25.03.02 Колесо холостое.cdw
    • icon-cdw 3000.25.04.01 Балка.cdw
    • icon-cdw 3000.25.04.02 Фланец присоед..cdw
    • icon-cdw 3000.25.04.03 Лист лобовой.cdw
Чтобы скачать чертеж, 3D модель или проект, Вы должны зарегистрироваться и принять участие в жизни сайта. Посмотрите, как тут скачивать файлы
Отзывов пока нет
Чтобы оставить отзыв, необходимо войти
Войти с помощью:

Используя функцию входа через сторонние сервисы, Вы соглашаетесь на обработку персональных данных в соответствии с Политикой конфиденциальности