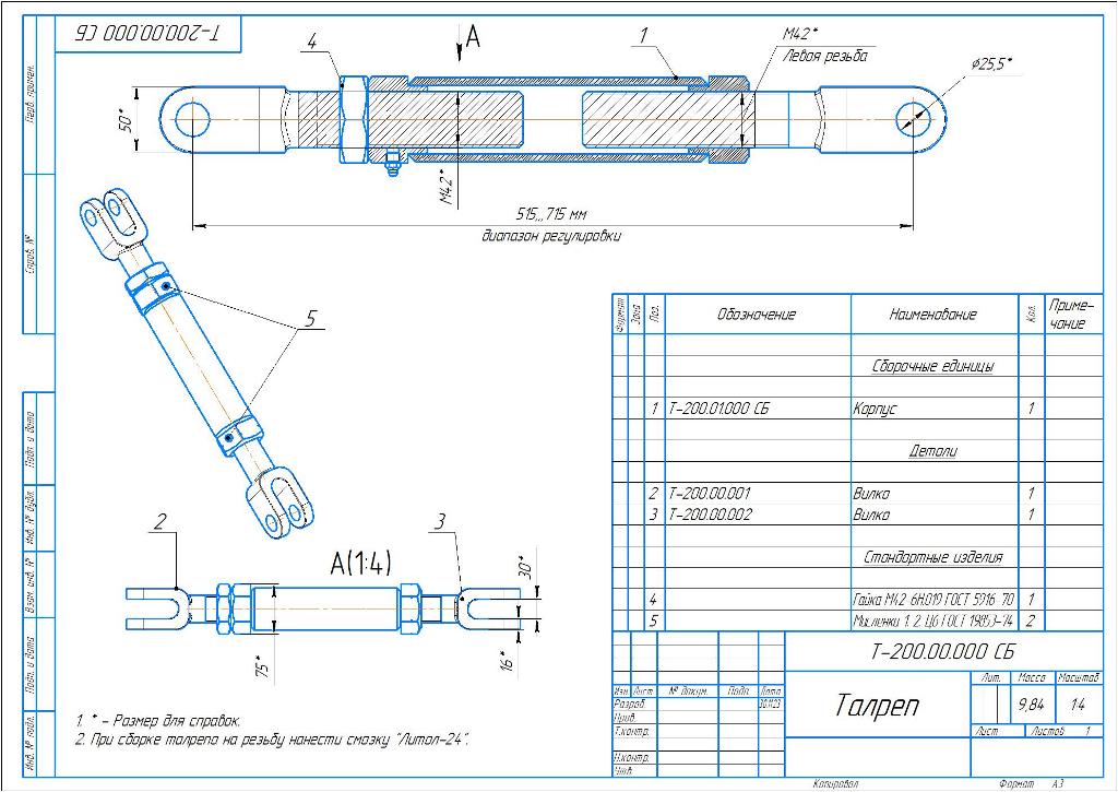
Талреп вилка-вилка стальной винтовой М42. Предназначен для для натяжения канатов, растяжек, тросов. Шаг талрепа 200 мм. Диапазон регулировки 515...715 мм
Талреп М42
0
1
17
0
0
80


Сообщить о проблеме
Автор
Дата
06.10.2025
Язык
Русский
Состав
3D Сборка, Спецификация, чертежи
Софт
КОМПАС-3D 23
Как открыть?
Отзывов пока нет
Содержимое архива
Чтобы скачать чертеж, 3D модель или проект, Вы должны зарегистрироваться
и принять участие в жизни сайта. Посмотрите, как тут скачивать
файлы
Отзывов пока нет
Чтобы задать вопрос, необходимо войти
Войти с помощью:
Ссылка на логин через google
Ссылка на логин через vk
Ссылка на логин через yandex