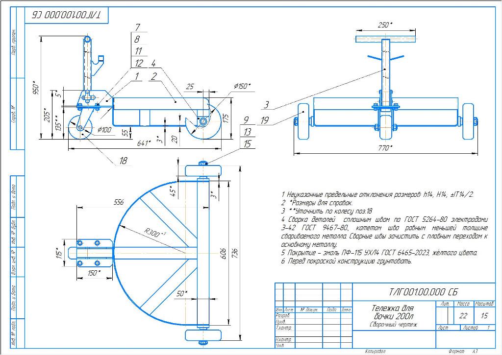
Чертежи на легкую тележку для перемещения бочек 200л.
Тележка состоит из подставки под бочку и съёмной ручки, с помощью которой, помимо перемещения телеги, можно приподнимать бочку с земли подкатывая под неё тележку.
- Главная -
- Чертежи -
- Машиностроение и механика -
- Подъемно транспортные установки (ПТУ) -
- Тележка для бочки 200 л
Тележка для бочки 200 л
2
1
61
0
0
50


Сообщить о проблеме
Автор
Дата
07.08.2025
Язык
Русский
Состав
Тележка для бочки (СБ) и спецификация, Кронштейн ручки (СБ), Тележка (СБ) и детали, Ручка (СБ), спецификация и детали, Ведомость материалов (ВМ), ссылка на покупные детали.
Софт
КОМПАС-3D 17.1
Как открыть?
Отзывов пока нет
Содержимое архива
Чтобы скачать чертеж, 3D модель или проект, Вы должны зарегистрироваться
и принять участие в жизни сайта. Посмотрите, как тут скачивать
файлы
Отзывов пока нет
Чтобы задать вопрос, необходимо войти
Войти с помощью:
Ссылка на логин через google
Ссылка на логин через vk
Ссылка на логин через yandex