Перейти к содержимому
Войти

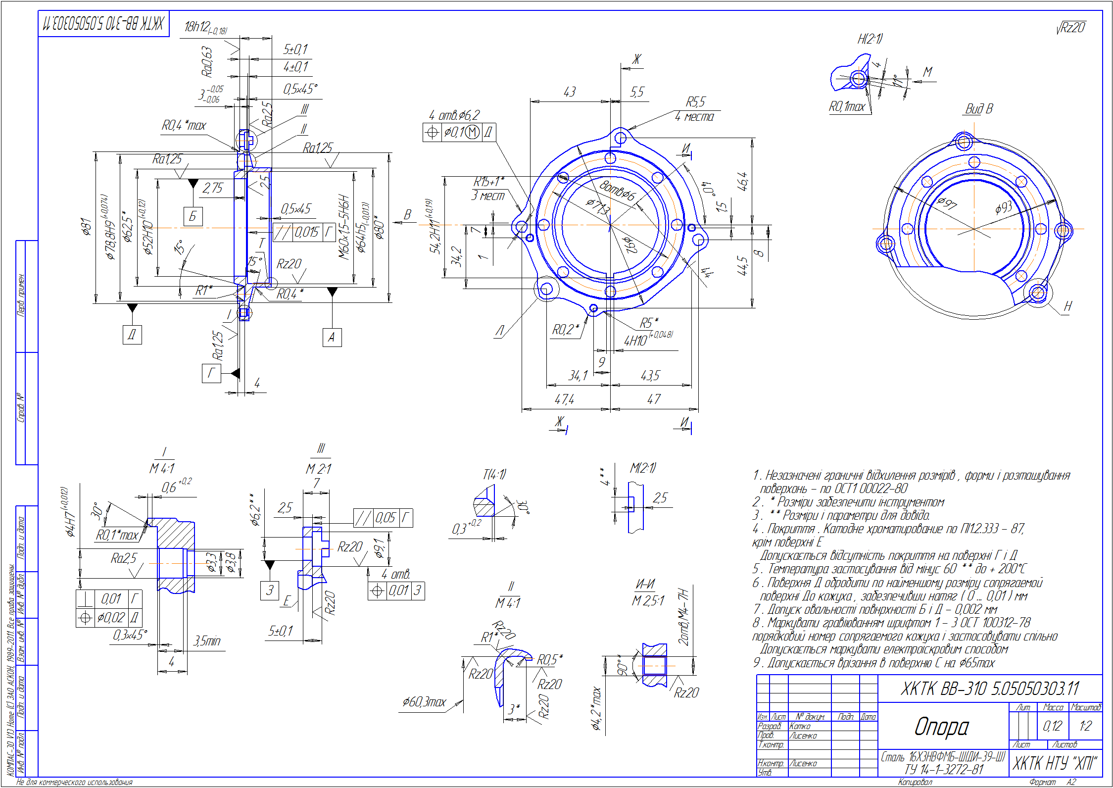
Разработка технологического процесса механической обработки детали «Опора»

0
297
13252
14
1
50

Харьковский компьютерно-технологический колледж Национального технического института "ХПИ"
Специальность "Производство станков с программным управлением и роботов"
Курсовой проект по дисциплине "Технология машиностроения"
На тему: "Разработка технологического процесса механической обработки детали « Опора»."
Харьков 2014

В ходе работы над курсовом проектом был разработан и описан технологический процесс изготовления детали «Опора». Был обоснован способ получения заготовки, разработан маршрутный процесс изготовления детали,произведен расчет припусков на механическую обработку, произведен выбор необходимого оборудования, рассчитаны режимы резания и нормирование технологических операций.

Записка не вся , содержания нет


Сообщить о проблеме
Дата
02.05.2014
Язык
Украинский
Состав
ПЗ, чертёж детали, чертёж заготовки, карта наладки, технологический процесс изготовления(маршрутные и операционные карты).
Софт
КОМПАС-3D 13 Home Как открыть?
Отзывов пока нет
Задать вопрос
Содержимое архива
  • icon-cdw Карта наладки станка 16К20Т1.cdw
  • icon-doc Маршрут + операционки.docx
  • icon-doc ПЗ.doc
  • icon-cdw Чертеж детали.cdw
  • icon-cdw Чертеж загатовки.cdw
Чтобы скачать чертеж, 3D модель или проект, Вы должны зарегистрироваться и принять участие в жизни сайта. Посмотрите, как тут скачивать файлы
Отзывов пока нет
Чтобы оставить отзыв, необходимо войти
Войти с помощью:

Используя функцию входа через сторонние сервисы, Вы соглашаетесь на обработку персональных данных в соответствии с Политикой конфиденциальности