Перейти к содержимому
Войти

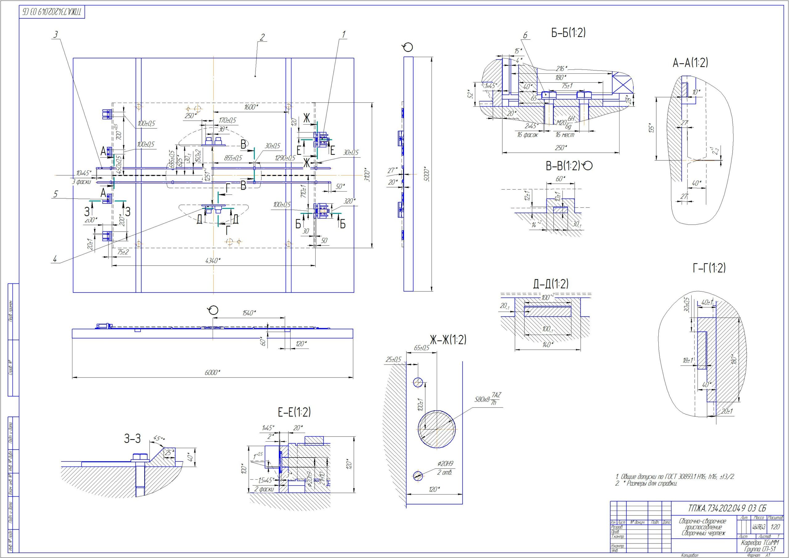
Сборочно сварочное приспособление для изготовления Верхнего листа из двух симметричных частей центральной балки железнодорожного крана КЖ-1572

0
271
3128
6
3
60

Вятский Государственный Университет
Кафедра «Технология сварки и механика материалов»
Дипломный проект по дисциплине «Проектирование сборочно-сварочной оснастки»
На тему «Разработка сборочно-сварочного приспособления для уменьшения сварочных деформаций и исключения из техпроцесса операции "Правка"»
Киров 2011

Технологический процесс сборки и сварки центральной части ходовой рамы железнодорожного крана КЖ-1572: ТПЖА.150202.049 ПЗ: Дипл. проект / ВятГУ, каф. ТСиММ; рук. Лялин А,Ю,. - Киров, 2011.- Гр.ч. 11 л. ф.А1; ПЗ 141 с., 83 рис.,42 табл., 22 источников, 3 прил.; технол. докум. 34 л., специф.2 л..
Проведен расчет сварочных деформаций и метод их устранения.
Разработан единичный технологический процесс изготовления изделия «Центральная часть ходовой рамы железнодорожного крана КЖ-1572».
В конструкторской части разработано приспособление для сборки и сварки верхнего листа, использованы механические прижимы и упоры.
Технические характеристики:
Габаритные размеры: длинна 6000 мм, ширина 5000 мм, высота 320 мм.
Масса: 46 598 кг.

Содержание
Введение...………………………………………………….…………….…..…..5
1 Анализ объекта производства ……………………………….………….……7
1.1 Общие сведения……………………………………..………….…...7
1.2 Служебное назначение и описание изделия …………..……....…21
1.3 Технические требования и характеристики…………….….…..…23
1.4 Анализ технологичности конструкции ………………………...…25
1.5 Современные материалы ……………………….………..……......27
2 Задачи проекта ………………………………………….……….…………....29
3 Расчет сварных соединений и сварочных деформаций.……….…………..30
3.1 Расчет сварных соединений ……………………………….…….…30
3.2 Расчет сварочных деформаций при сварке изделия « Верхний лист» из двух заготовок, в стык……………………………………………….…..….32
4 Разработка технологии сборки и сварки изделия ………………..……..…39
4.1 Разработка схемы технологического процесса изготовления изделия.…………………………………………………………………….....39
4.2 Выбор способа получения заготовок ……………………..…..…41
4.3 Оценка свариваемости основных материалов конструкции ………………………………………………………….……………………....47
4.4 Выбор и обоснование способов сборки и сварки изделия...........51
4.5 Выбор сварочных материалов …………………………...….…....57
4.6 Расчет параметров режимов сварки ………………………..…..…63
4.7 Выбор сварочного оборудования ………………………..…….....69
4.8 Оценка механических свойств сварных соединений …….….…...84
4.9 Техника и технология сборки и сварки изделия ………………....86
4.10 Техническое нормирование ……………………………..……….89
5 Экономическое обоснование выбора способа сварки ………………...…..105
6 Разработка сборочно-сварочной оснастки …….…………………….….....114
7 Контроль качества сварных соединений ……………….………………..…1177.1 Виды дефектов сварных швов …………………………...…….....117
7.2 Выбор методов контроля качества ……………………………...119
8 Разработка плана сборочно-сварочного цеха ………………...…..…..….1229 Мероприятия по технике безопасности при проведении электросварочных работ…………………………………………………………………………….127
9.1 Идентификация травмоопасных, вредных и пожароопасных факторов на участке сборки сварки крупногабаритных изделий при сварке в среде защитных газов ……………………………..……………..……………..…127
9.2 Средства защиты от травмоопасных и вредных производственных факторов.……… ………………………………………………….…….…..139
9.3 Схема системы местной вытяжной вентиляции.………….…......142 Заключение………………………...……………………………………….......141
Приложение А Библиографический список:……………….………………...142


Сообщить о проблеме
Дата
08.01.2014
Язык
Русский
Состав
Центральная часть ходовой рамы железнодорожного крана КЖ-1572 СБ, Сборочно-сварочное приспособление СБ, Деталировка (Ребро 1,Ребро 2, Верхний лист, Балка хребтовая, балка боковая, ) Спецификация изделия, спецификация приспособления, ПЗ в pdf.
Софт
Компас-3D 12 SP1 Как открыть?
Отзывов пока нет
Задать вопрос
Содержимое архива
      • icon-cdw Балка Боковая.cdw
      • icon-cdw Балка хребтовая.cdw
      • icon-cdw Верхний лист половина.cdw
      • icon-cdw Верхний лист сборка.cdw
      • icon-cdw Ребро 1.cdw
      • icon-cdw Ребро 2.cdw
      • icon-cdw Сборка приспособления2.cdw
      • icon-spw Спецификация изделия.spw
      • icon-spw Спецификация приспособ.spw
      • icon-cdw Центральная часть.cdw
    • icon-pdf Авторская справка.pdf
    • icon-pdf Записка.pdf
    • icon-pdf Титульный лист дипл проект.pdf
Чтобы скачать чертеж, 3D модель или проект, Вы должны зарегистрироваться и принять участие в жизни сайта. Посмотрите, как тут скачивать файлы
Отзывов пока нет
Чтобы оставить отзыв, необходимо войти
Войти с помощью:

Используя функцию входа через сторонние сервисы, Вы соглашаетесь на обработку персональных данных в соответствии с Политикой конфиденциальности