Перейти к содержимому
Войти

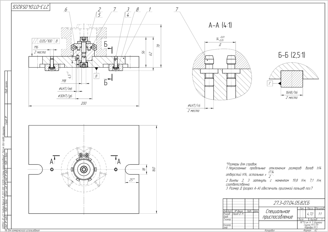
Специальное приспособление для фрезерной обработки торца полумуфты

0
2
79
2
0
70

МГТУ им. Н. Э. Баумана
Кафедра МТ3
Домашнее задание по дисциплине "Оснастка технологических комплексов"
На тему: Проектирование специального станочного приспособления
Москва 2025

В ходе выполнения домашнего задание было разработано специальное станочное приспособление для фрезерной обработки торца детали "Полумуфта" на вертикально-фрезерном станке Haas TM-1F.
Исходными данными для проектирования специального приспособления является маршрутный эскиз фрезерной обработки детали "Полумуфта" (рис.1 ПЗ).
В целом данное приспособление может быть использовано и для других деталей, есть только три ограничения: внешний диаметр меньше 150 мм; внутренний диаметр, по которому идёт закрепление в диапазоне 38,5...46,5 мм, так как именно такой диапазон разжима оправки Kipp K0358.203908; малые силы резания, так как максимальное усилие зажима оправки
6,5 кН.

СОДЕРЖАНИЕ ПЗ
1. Проектирование технологического процесса изготовления полумуфты 4
1.1. Назначение детали в узле, доработка чертежа по действующим ГОСТ. Обоснование выбранного конструктором материала детали: условия эксплуатации, критерии выбора, возможные варианты 4
1.2. Выявление технологических задач 4
1.3. Выбор баз, разработка маршрута изготовления детали, выбор моделей оборудования. Оформление эскизов операций с обозначениями баз по ГОСТ, указанием моделей оборудования и станочных приспособлений 4
1.4. Разработка операционной технологии с выбором моделей оборудования, моделей режущих инструментов, инструментальной оснастки и нормированием 6
2. Конструирование и расчет приспособления 7
2.1. Разработка схемы приспособления. 7
2.2. Выбор установочных, зажимных и других элементов приспособлений. Назначение материалов деталей приспособления. 8
2.3. Составление схемы сил, действующих на заготовку, и расчет зажимного устройства. 9
2.4. Назначение технических требований на приспособление с расчетом обеспечения заданной точности детали. 13
2.4.1. Назначение технических требований 13
2.4.2. Оценка точности приспособления 15
2.5. Оформление сборочного чертежа приспособления, составление спецификации. 18
2.6. Описание конструкции и работы приспособления. 18
Список литературы 19
Приложение А 20
Приложение Б 22


Сообщить о проблеме
Дата
26.12.2025
Язык
Русский
Состав
Специальное приспособление (СБ), Спецификация, ПЗ, 3D Сборка
Софт
КОМПАС-3D 22 Как открыть?
Отзывов пока нет
Задать вопрос
Содержимое архива
  • icon-m3d Винт M8-6gx12.68 (S6) ГОСТ 11738-84.m3d
  • icon-m3d Винт М8 ГОСТ 11738-84.m3d
  • icon-m3d Винт с полукруглой головкой и шестигранным углублением ГОСТ ISO 7380-1 M6x16-08.8.m3d
  • icon-m3d Корпус.m3d
  • icon-m3d Крышка.m3d
  • icon-m3d Палец 7030-0902 4 g6 ГОСТ 12209-66.m3d
  • icon-m3d Плита.m3d
  • icon-m3d Полумуфта (заготовка).m3d
  • icon-cdw Полумуфта (чертёж).cdw
  • icon-doc Пояснительная записка.docx
  • icon-cdw Сборочный чертеж.cdw
  • icon-a3d Специальное приспособление.a3d
  • icon-step Специальное приспособление.stp
  • icon-spw Спецификация.spw
  • icon-a3d Центрирующая оправка Kipp K0358.203908.a3d
  • icon-m3d Шайба.m3d
  • icon-m3d Шайба 6 3Х13 ГОСТ 6402-70.m3d
  • icon-m3d Шайба 8 3Х13 ГОСТ 6402-70.m3d
  • icon-m3d Шестигранный сегмент.m3d
  • icon-m3d Шпонка Haas 16 ММ Vise Key.m3d
  • icon-m3d Штифт 4x16 ГОСТ 3128-70.m3d
Чтобы скачать чертеж, 3D модель или проект, Вы должны зарегистрироваться и принять участие в жизни сайта. Посмотрите, как тут скачивать файлы
Отзывов пока нет
Чтобы оставить отзыв, необходимо войти
Войти с помощью:

Используя функцию входа через сторонние сервисы, Вы соглашаетесь на обработку персональных данных в соответствии с Политикой конфиденциальности