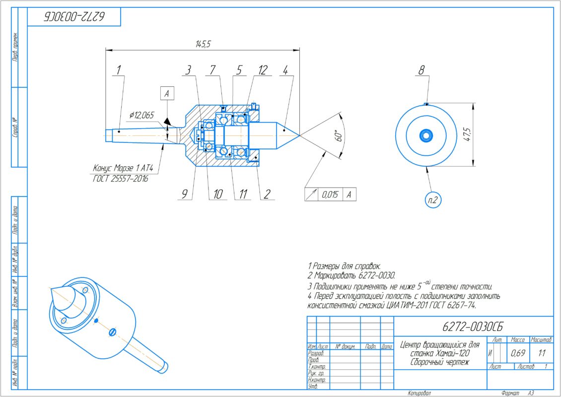
Центр вращающийся конус Морзе 1 предназначен для установки заготовок при обработке на металлорежущих токарных станках.Вращающиеся центры применяют для базирования заготовок на токарных станках различных типов, в том числе с ЧПУ, для обработки деталей увеличенной длины с большими скоростями резания и нагрузками.
- Главная -
- Чертежи -
- Машиностроение и механика -
- Станки и инструменты -
- Вращающийся центр для станка Хамай-120, с КМ1
Вращающийся центр для станка Хамай-120, с КМ1
0
0
21
0
0
150



Сообщить о проблеме
Автор

Дата
11.10.2025
Язык
Русский
Состав
3D модели (сборка + деталировка), сборочный чертеж (СБ), спецификация (СП), деталировка
Софт
КОМПАС-3D 21
Как открыть?
Отзывов пока нет
Содержимое архива
Чтобы скачать чертеж, 3D модель или проект, Вы должны зарегистрироваться
и принять участие в жизни сайта. Посмотрите, как тут скачивать
файлы
Отзывов пока нет
Чтобы задать вопрос, необходимо войти
Войти с помощью:
Ссылка на логин через google
Ссылка на логин через vk
Ссылка на логин через yandex