Перейти к содержимому
Войти

Курсовая работа по дисциплине "технологии прототипирования" на тему "изготовление защитного чехла для мобильного телефона методом прототипирования"

0
142
1413
0
0
40

Тульский Государственный Институт
Кафедра "Электро и нанотехнологии"
Курсовая работа по дисциплине "технологии прототипирования" на тему "изготовление защитного чехла для мобильного телефона методом прототипирования"
Тула,2015

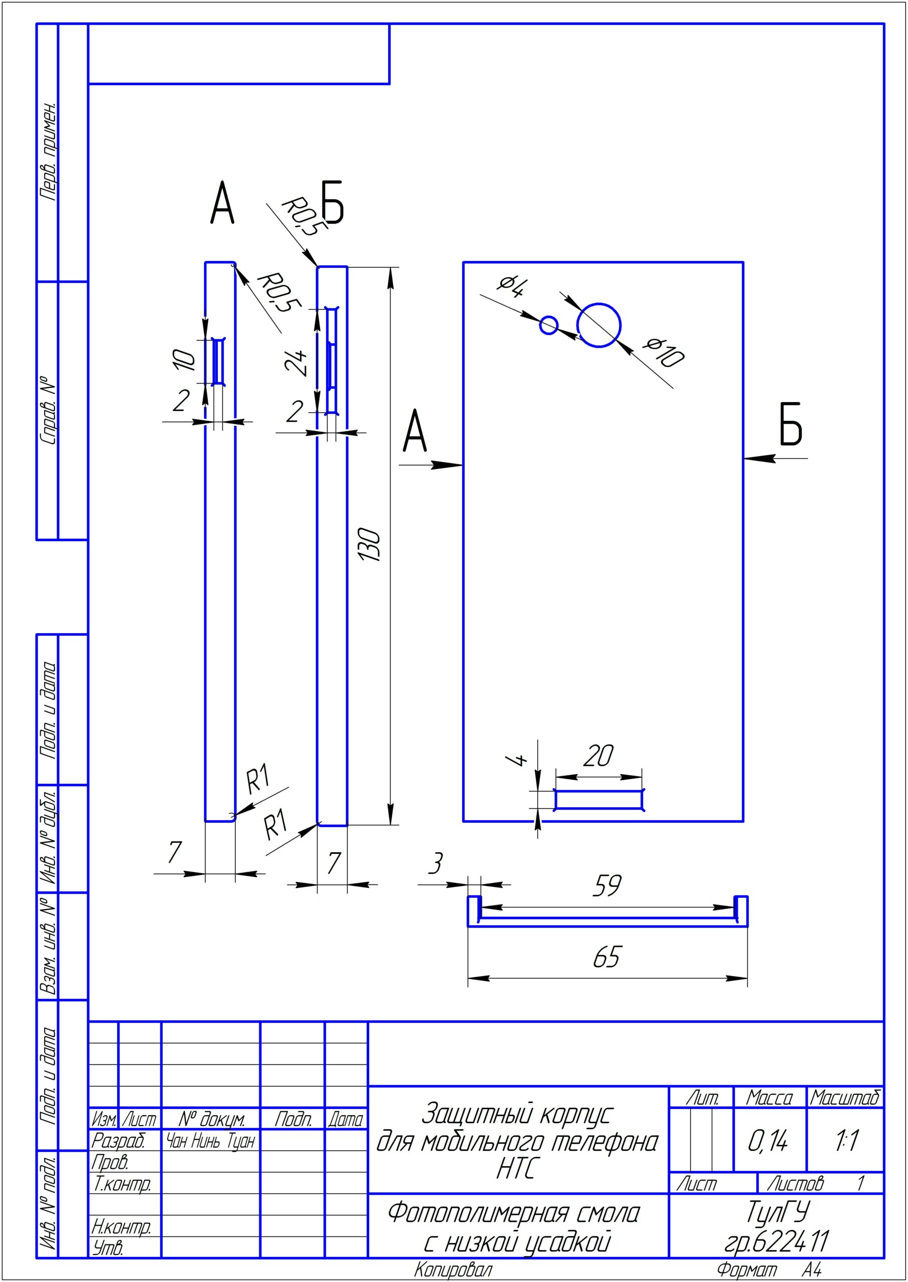
В курсовой работе рассмотрен процесс создания защитного чехла для мобильного телефона методом прототипирования. Рассмотрены основные методы прототипирования. Исходными данными для курсовой работы является чертёж и 3D деталь заготовки. Програмный код представлен в формате .stl.


Сообщить о проблеме
Автор
user-avatar viktor_top_100
Дата
19.03.2016
Язык
Русский
Состав
Деталь(ТЧ), КР,Программный код(stl)
Софт
КОМПАС-3D 15 SP3 Как открыть?
Отзывов пока нет
Задать вопрос
Содержимое архива
  • icon-cdw Деталь.cdw
  • icon-jpg Деталь.jpg
  • icon-stl Деталь1(0).stl
  • icon-cnc Деталь1.gcode
  • icon-m3d Деталь1.m3d
  • icon-m3d Деталь11.m3d
  • icon-doc КР.docx
  • icon-stl Программный код.stl
Чтобы скачать чертеж, 3D модель или проект, Вы должны зарегистрироваться и принять участие в жизни сайта. Посмотрите, как тут скачивать файлы
Отзывов пока нет
Чтобы оставить отзыв, необходимо войти
Войти с помощью:

Используя функцию входа через сторонние сервисы, Вы соглашаетесь на обработку персональных данных в соответствии с Политикой конфиденциальности