Перейти к содержимому
Войти

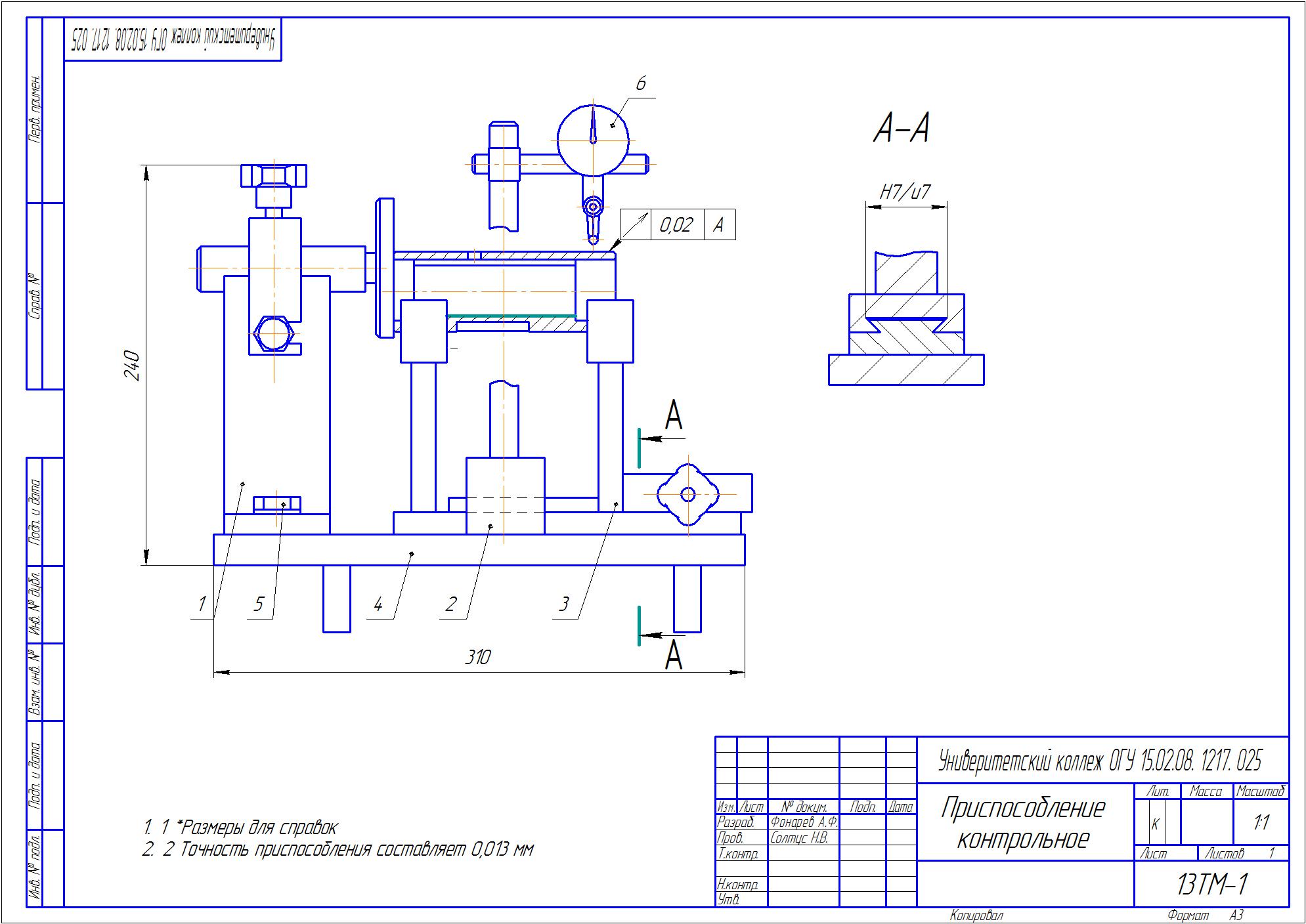
Проектирование и расчет контрольного приспособления для контроля детали типа «Втулка» 7А420.60.087

0
42
1521
40
1
20

Университетский колледж ОГУ
отделение технологии машиностроения и производственного обучения
Контрольная по дисциплине "Технология машиностроения"
На тему: "Проектирование и расчет контрольного приспособления для контроля
детали типа «Втулка» 7А420.60.087
Оренбург 2017

В данной работе разрабатывается контрольное приспособление для детали типа «Втулка» 7А420.60.087 для проверки радиального биений.
Содержание:
1 Проектирование и расчет контрольного приспособления
1.1 Принцип работы контрольного приспособления
1.2 Расчет на точность контрольно-измерительного приспособления


Сообщить о проблеме
Дата
01.06.2017
Язык
Русский
Состав
Пояснительная записка, схема контрольного приспособления
Софт
КОМПАС-3D 16 Как открыть?
Отзывов пока нет
Задать вопрос
Содержимое архива
    • icon-cdw
      Контрольное приспособление.cdw
    • icon-doc
      текст.docx
    • icon-doc
      титульник.docx
Чтобы скачать чертеж, 3D модель или проект, Вы должны зарегистрироваться и принять участие в жизни сайта. Посмотрите, как тут скачивать файлы
Отзывов пока нет
Чтобы оставить отзыв, необходимо войти
Войти с помощью:

Используя функцию входа через сторонние сервисы, Вы соглашаетесь на обработку персональных данных в соответствии с Политикой конфиденциальности