Перейти к содержимому
Войти

Проектирование технологического процесса механической обработки детали «Втулка» на станках с ЧПУ

0
0
119
1
0
200

Образовательная автономная некоммерческая организация
высшего образования
«МОСКОВСКИЙ ТЕХНОЛОГИЧЕСКИЙ ИНСТИТУТ»
Чертежник-конструктор;
ВКР;
На тему: Проектирование технологического процесса механической обработки детали «Втулка» на станках с ЧПУ.

Целью данной выпускной квалификационной работы является проектирование технологического процесса механической обработки детали «Втулка» на станках с числовым программным управлением, обеспечивающего требуемое качество, точность и производительность при минимальных затратах.
Объектом исследования является процесс механической обработки детали «Втулка» на станках с ЧПУ.
Предметом исследования является технологический процесс механической обработки детали «Втулка».
В процессе работы будут использованы следующие методы исследования: анализ технической документации, технологическое проектирование, расчетно-аналитические методы, моделирование процессов обработки, экономический анализ.

СОДЕРЖАНИЕ
ВВЕДЕНИЕ 5
1. ОБЩАЯ ЧАСТЬ 7
1.1. Структура и выпускаемая продукция ООО «_____________» 7
1.2. Обзор технологического оборудования ООО «_____________» 10
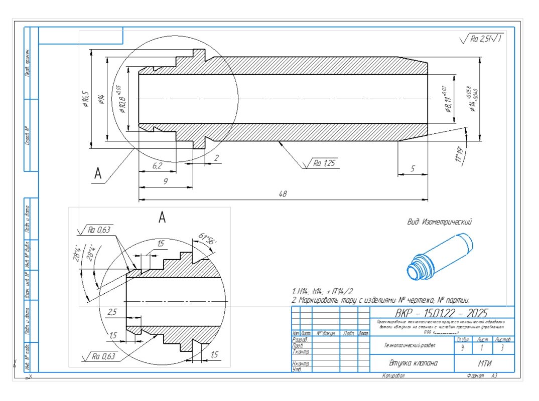
1.3. Описание детали «Втулка» и ее назначение 21
2.ТЕХНОЛОГИЧЕСКАЯ ЧАСТЬ 24
2.1 Анализ чертежа детали и определение требований к точности и качеству поверхности 24
2.2 Анализ чертежа заготовки 26
2.3 Выбор оборудования для механической обработки детали «Втулка клапана» 28
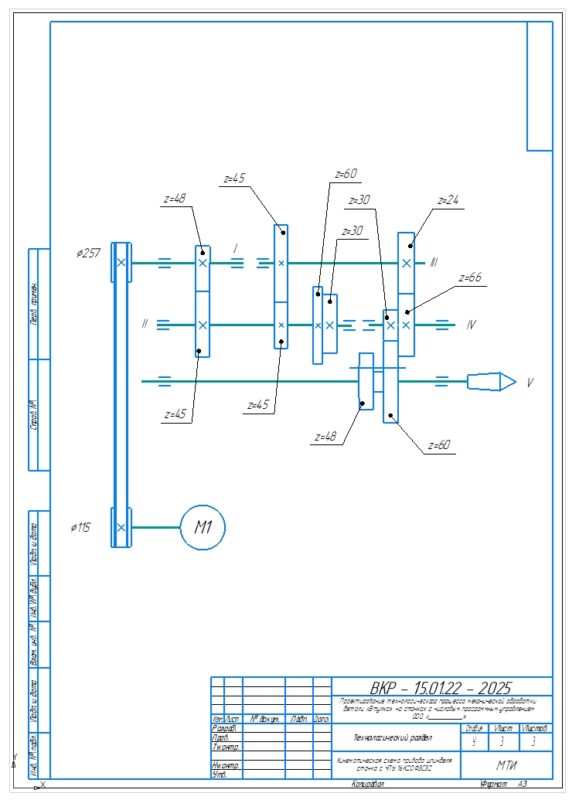
2.4 Анализ кинематической схемы 30
2.5 Выбор режущего инструмента и оснастки для механической обработки детали 32
2.6 Расчет режимов резания для ключевых операций 33
2.7 Разработка маршрута механической обработки детали 35
3. ОХРАНА ТРУДА 40
3.1 Анализ опасных и вредных производственных факторов, возникающих при механической обработке детали «Втулка» на станках с ЧПУ 40
3.2 Разработка мер по обеспечению безопасности труда 43
3.3 Разработка инструкций по охране труда для операторов станков с ЧПУ при изготовлении детали «Втулка» 46
ЗАКЛЮЧЕНИЕ 53
СПИСОК ИСПОЛЬЗОВАННЫХ ИСТОЧНИКОВ 55


Сообщить о проблеме
Автор
user-avatar Эд П
Дата
05.11.2025
Язык
Русский
Состав
ПЗ на 60 листов, Чертеж заготовки, кинематическая схема привода 16к20ф3с32, 3д модель втулки клапана, чертеж втулки клапана.
Софт
КОМПАС-3D v23 учебная версия Как открыть?
Отзывов пока нет
Задать вопрос
Содержимое архива
  • icon-doc ВКР ОЗПЧКо.docx
  • icon-cdw Втулка клапана.cdw
  • icon-m3d Втулка клапана.m3d
  • icon-cdw Кинематика 16К20Ф3С32.cdw
  • icon-cdw Чертеж заготовки.cdw
Чтобы скачать чертеж, 3D модель или проект, Вы должны зарегистрироваться и принять участие в жизни сайта. Посмотрите, как тут скачивать файлы
Отзывов пока нет
Чтобы оставить отзыв, необходимо войти
Войти с помощью:

Используя функцию входа через сторонние сервисы, Вы соглашаетесь на обработку персональных данных в соответствии с Политикой конфиденциальности