Перейти к содержимому
Войти

Разработка техпроцесса восстановления детали "Стакан"

0
1
35
1
0
70

БРУ, ТТМ, восстановительные технологии, Кр на тему: Разработка техпроцесса восстановления детали, 2025

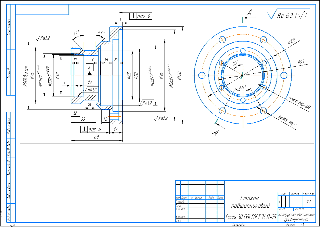
Деталь стакан представляет собой тело вращения и предназначена для установки подшипника. Деталь имеет центральное ступенчатое отверстие. Это отверстие является основной конструкторской базой. Стакан имеет отверстия для крепления к корпусу и изготавливается из стали 30 ГОСТ 1050-88.
Задачи данной курсовой работы:
- выбрать способ восстановления деталей;
- составить технические условия на контроль и сортировку деталей;
- разработать маршрут восстановления детали;
- рассчитать режимы резания и подобрать необходимое технологическое оборудование;
- определить норму времени и технологическую себестоимость восстановления.

Введение 3
1 Анализ особенности конструкции и условий работы детали 4
2 Анализ возможных дефектов детали и составление дефектовочной ведомости детали 6
3 Выбор технологических баз и способа восстановления детали 9
4 Расчет припусков на механическую обработку 13
5 Разработка маршрута технологического процесса восстановления детали 17
6 Расчет режимов обработки детали 21
7 Техническое нормирование работ 31
8 Проектирование приспособления, используемого при восстановлении детали 37
8.1 Выбор применяемых конструкторских решений и компоновки приспособления 37
8.2 Силовой расчет приспособления 38
8.3 Расчет привода и прочностной расчет приспособления 40
8.4 Результат проектирования приспособления 41
9 Экономическая оценка маршрута восстановления детали 43
Заключение 45
Список литературы 46


Сообщить о проблеме
Автор
user-avatar user-2364357
Дата
03.12.2025
Язык
Русский
Состав
Пояснительная записка, маршрутная карта, приспособление, эскизы
Софт
КОМПАС-3D 23 Как открыть?
Отзывов пока нет
Задать вопрос
Содержимое архива
  • icon-cdw
    Маршрутная карта.cdw
  • icon-doc
    ПЗ.docx
  • icon-cdw
    Приспособление.cdw
  • icon-cdw
    Стакан.cdw
  • icon-cdw
    Эскизы.cdw
Чтобы скачать чертеж, 3D модель или проект, Вы должны зарегистрироваться и принять участие в жизни сайта. Посмотрите, как тут скачивать файлы
Отзывов пока нет
Чтобы оставить отзыв, необходимо войти
Войти с помощью:

Используя функцию входа через сторонние сервисы, Вы соглашаетесь на обработку персональных данных в соответствии с Политикой конфиденциальности